KOUWELL ELECTRONIC CORPORATION

KW-801V25A, KW-801V75

Card Type

Hard drive controller card

Maximum Onboard Memory

4KB (Internal)

Hard Drives supported

Up to 15 Fast & Wide devices (KW-801V25A)

Up to 15 Ultra SCSI Wide devices (KW-801V75)

Floppy drives supported

None

Data Bus

32-bit PCI

Card Size

Half-length, full-height card

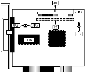
CONNECTIONS

Function

Location

Function

Location

68-pin SCSI connector - external

J1

68-pin SCSI connector - internal

J3

50-pin SCSI connector - internal

J2

2-pin connector - drive active LED

JP4

TERMINATION CONFIGURATION

Devices installed

Connectors Used

JP2

JP3

External Wide & Internal Narrow

J1 & J2

Open

Closed

External Wide & Internal Wide

J1 & J3

Open

Closed

Internal Narrow & Internal Wide

J2 & J3

Open

Open

External only

J1

Closed

Closed

Internal only

J2

Closed

Closed

Internal only

J3

Closed

Closed

MISCELLANEOUS TECHNICAL NOTES

Only two SCSI connectors (J1 & J2, J2 & J3 or J3 & J1) may be used at one time.