MAGNITRONICS
B232 MINI 2S1P
|
Card Type |
Multi-I/O card |
|
Chip Set |
Unidentified |
|
Maximum Onboard Memory |
Unidentified |
|
I/O Options |
Serial ports (2 RS-232), Parallel port |
|
Hard Drives supported |
None |
|
Floppy drives supported |
None |
|
Data Bus |
8-bit ISA |
|
Card Size |
Half-length |
|
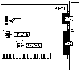
CONNECTIONS | |||
|
Function |
Label |
Function |
Label |
|
Serial port 1 |
CN1 |
25-pin parallel port |
CN3 |
|
Serial port 2 |
CN2 | ||
|
PARALLEL PORT ADDRESS SELECTION | |
|
Setting |
JP1/E |
|
LPT2 (378h) |
Pins 2 & 3 closed |
|
LPT3 (278h) |
Pins 1 & 2 closed |
|
Disabled |
Open |
|
SERIAL PORT 1 ADDRESS SELECTION | ||||
|
Setting |
JP1/A |
JP1/B |
JP!/C |
JP1/D |
|
COM1 (3F8h) |
Pins 1 & 2 closed |
Open |
Open |
Open |
|
COM2 (2F8h) |
Open |
Pins 1 & 2 closed |
Open |
Open |
|
COM3 (3E8h) |
Open |
Open |
Pins 1 & 2 closed |
Open |
|
COM4 (2E8h) |
Open |
Open |
Open |
Pins 1 & 2 closed |
|
Disabled |
Open |
Open |
Open |
Open |
|
SERIAL PORT 2 ADDRESS SELECTION | ||||
|
Setting |
JP1/A |
JP1/B |
JP!/C |
JP1/D |
|
COM1 (3F8h) |
Pins 2 & 3 closed |
Open |
Open |
Open |
|
COM2 (2F8h) |
Open |
Pins 2 & 3 closed |
Open |
Open |
|
COM3 (3E8h) |
Open |
Open |
Pins 2 & 3 closed |
Open |
|
COM4 (2E8h) |
Open |
Open |
Open |
Pins 2 & 3 closed |
|
Disabled |
Open |
Open |
Open |
Open |
|
SERIAL PORT 1 INTERRUPT SELECTION | |
|
IRQ |
JP2/A |
|
IRQ4 |
Pins 2 & 3 closed |
|
IRQ3 |
Pins 1 & 2 closed |
|
SERIAL PORT 2 INTERRUPT SELECTION | |
|
IRQ |
JP2/B |
|
IRQ3 |
Pins 1 & 2 closed |
|
IRQ4 |
Pins 2 & 3 closed |
|
PARALLEL PORT INTERRUPT SELECTION | |
|
IRQ |
JP2/C |
|
IRQ7 |
Pins 1 & 2 closed |
|
IRQ5 |
Pins 2 & 3 closed |