MEDIAFORTE PRODUCTS PTE., LTD.

SOUNDFORTE RADIOLINK (SF16-FMR)

Card Type

Tuner card

Chip Set

Unidentified

Maximum Onboard Memory

Unidentified

I/O Options

Antenna, speaker/line out

Data Bus

8-bit ISA

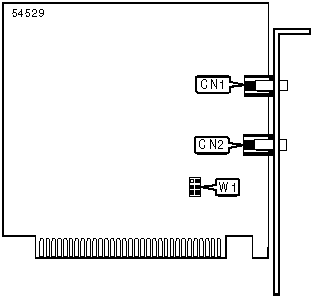
CONNECTIONS

Function

Label

Function

Label

Antenna out

CN1

Speaker/Line out

CN2

USER CONFIGURABLE SETTINGS

Function

Label

Position

»

Output via speakers

W1

Pins 1 & 2, 4 & 5 closed

 

Output via line out

W1

Pins 2 & 3, 5 & 6 closed