QUATECH, INC.
BCA-100
|
Card Type |
Serial/Parallel interface |
|
Chipset/Controller |
Zilog |
|
I/O Options |
Serial/Parallel port |
|
Maximum DRAM |
N/A |
|
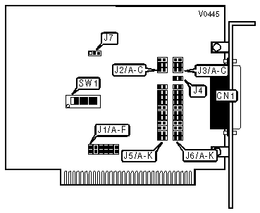
CONNECTIONS | |||
|
Purpose |
Location |
Purpose |
Location |
|
DB-25 serial/parallel port |
CN1 |
Standy clock output |
J4 |
|
BASE MEMORY ADDRESS SELECT | ||||||
|
Address |
SW1/1 |
SW1/2 |
SW1/3 |
SW1/4 |
SW1/5 |
SW1/6 |
|
27Xh |
Off |
On |
On |
Off |
Off |
Off |
|
2EXh |
Off |
On |
Off |
Off |
Off |
On |
|
2FXh |
Off |
On |
Off |
Off |
Off |
Off |
|
37Xh |
Off |
Off |
On |
Off |
Off |
Off |
|
3EXh |
Off |
Off |
Off |
Off |
Off |
On |
|
3FXh |
Off |
Off |
Off |
Off |
Off |
Off |
|
CLOCK SPEED SELECT | |
|
Divide by |
J7 |
|
1 |
Pins 1 & 2 closed |
|
2 |
Pins 2 & 3 closed |
|
DTE/DCE CONFIGURATION | ||
|
Jumper |
J5 (DTE) |
J6 (DCE) |
|
A |
On |
Off |
|
B |
On |
Off |
|
C |
On |
Off |
|
D |
On |
Off |
|
E |
On |
Off |
|
F |
Off |
Off |
|
G |
On |
On |
|
H |
On |
Off |
|
I |
Off |
Off |
|
J |
On |
Off |
|
K |
Off |
Off |
|
INTERRUPT SELECT | ||||||
|
IRQ |
J1/A |
J1/B |
J1/C |
J1/D |
J1/E |
J1/F |
|
IRQ2 |
Closed |
Open |
Open |
Open |
Open |
Open |
|
IRQ3 |
Open |
Closed |
Open |
Open |
Open |
Open |
|
IRQ4 |
Open |
Open |
Closed |
Open |
Open |
Open |
|
IRQ5 |
Open |
Open |
Open |
Closed |
Open |
Open |
|
IRQ6 |
Open |
Open |
Open |
Open |
Closed |
Open |
|
IRQ7 |
Open |
Open |
Open |
Open |
Open |
Closed |
|
RECEIVE CLOCK SOURCE | |||
|
Source |
J3/A |
J3/B |
J3/C |
|
TXCA clock |
On |
Off |
Off |
|
RXCi external clock |
Off |
On |
Off |
|
CLKA |
Off |
Off |
On |
|
TRANSMIT CLOCK SOURCE | |||
|
Source |
J2/A |
J2/B |
J2/C |
|
RXCA clock |
On |
Off |
Off |
|
TXCi external clock |
Off |
On |
Off |
|
CLKB |
Off |
Off |
On |