SEA LEVEL SYSTEMS, INC.
ACB-II
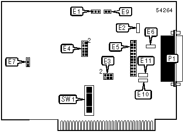
|
Card Type |
Serial card |
|
Chip Set |
Unidentified |
|
I/O Options |
Serial port |
|
Data Bus |
8-bit ISA |

|
CONNECTIONS |
|
|
Function |
Label |
|
Serial port |
P1 |
|
USER CONFIGURABLE SETTINGS |
|||
|
Function |
Label |
Position |
|
|
» |
Factory configured - do not alter (IRQ selection) |
E1 |
Open |
|
» |
Factory configured - do not alter |
E2 |
Unidentified |
|
» |
Factory configured - do not alter |
E5 |
Unidentified |
|
» |
Factory configured - do not alter |
E6 |
Unidentified |
|
» |
DMA enabled |
E7 |
Pins 1 & 2 closed |
|
|
DMA disabled |
E7 |
Pins 2 & 3 closed |
|
» |
Factory configured - do not alter (IRQ selection) |
E9 |
Closed |
|
» |
Factory configured - do not alter |
E10 |
Unidentified |
|
» |
Factory configured - do not alter |
E11 |
Unidentified |
|
BASE I/O ADDRESS SELECTION |
|||||||||
|
Setting |
SW1/1 |
SW1/2 |
SW1/3 |
SW1/4 |
SW1/5 |
SW1/6 |
SW1/7 |
SW1/8 |
|
|
|
3F8 |
Off |
Off |
Off |
Off |
Off |
Off |
Off |
On |
|
|
378 |
Off |
Off |
Off |
Off |
Off |
Off |
On |
Off |
|
|
2F8 |
Off |
Off |
Off |
Off |
Off |
On |
Off |
Off |
|
|
278 |
Off |
Off |
Off |
Off |
On |
Off |
Off |
Off |
|
|
3B8 |
Off |
Off |
Off |
On |
Off |
Off |
Off |
Off |
|
|
338 |
Off |
Off |
On |
Off |
Off |
Off |
Off |
Off |
|
|
2B8 |
Off |
On |
Off |
Off |
Off |
Off |
Off |
Off |
|
» |
238 |
On |
Off |
Off |
Off |
Off |
Off |
Off |
Off |
|
DMA CHANNEL SELECTION |
||
|
Channel |
E3 |
|
|
|
1 |
Pins 1 & 3, 2 & 4 closed |
|
» |
3 |
Pins 3 & 5, 4 & 6 closed |
|
I/O PIN SELECTION |
|
|
SETTING |
E4 |
|
RXC pin as input to DB-25 |
Pins 1 & 2 closed |
|
RDB pin as input to SCC |
Pins 3 & 4 closed |
|
TXC as output to DB-25 |
Pins 5 & 6 closed |
|
DTR as output to DB-25 |
Pins 7 & 8 closed |
|
TDB as output to DB-25 |
Pins 9 & 10 closed |