BCM ADVANCED RESEARCH, INC.
SQ596
|
Processor |
CX M1/Pentium |
|
Processor Speed |
75/90/100/120/133/150/166/180/200MHz |
|
Chip Set |
Intel |
|
Video Chip Set |
None |
|
Maximum Onboard Memory |
256MB (EDO supported) |
|
Maximum Video Memory |
None |
|
Cache |
256/512KB |
|
BIOS |
Award |
|
Dimensions |
285mm x 210mm |
|
I/O Options |
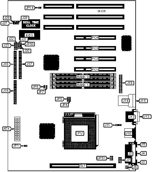
32-bit PCI slots (4), floppy drive interface, green PC connector, IDE interfaces (2), parallel port, PS/2 mouse port, serial ports (2), cache slot, IR connector, USB connectors (2), ATX power connector, line in connector, line out connector, microphone in connector, MIDI/joystick port, CD-ROM audio in connector, wavetable connector |
|
NPU Options |
None |
|
CONNECTIONS | |||
|
Purpose |
Location |
Purpose |
Location |
|
ATX power connector |
ATX |
IDE interface 2 |
J17 |
|
Line out connector |
J2 |
IDE interface 1 |
J18 |
|
MIDI/joystick port |
J3 |
Parallel port |
J19 |
|
Microphone connector |
J4 |
ATX power supply LED |
J20 |
|
Line in connector |
J5 |
IDE interface LED |
J21 |
|
Speaker in connector |
J6 pins 1 & 2 |
Power LED & keylock |
J22 |
|
Wavetable connector |
J7 |
IR connector |
J23 |
|
PS/2 mouse port |
J10 |
Speaker |
J27 |
|
CD-ROM audio in connector |
J11 |
Green PC connector |
J28 |
|
Serial port 1 |
J12 |
Reset switch |
J29 |
|
Serial port 2 |
J13 |
ATX power supply switch |
JP50 |
|
USB connector 1 |
J14 |
32-bit PCI slots |
PC1 – PC4 |
|
USB connector 2 |
J15 |
Cache slot |
SL1 |
|
Floppy drive interface |
J16 | ||
|
USER CONFIGURABLE SETTINGS | |||
|
Function |
Label |
Position | |
|
» |
CMOS memory normal operation |
JP14 |
Open |
|
CMOS memory clear |
JP14 |
Closed | |
|
DRAM CONFIGURATION | ||
|
Size |
Bank 0 |
Bank 1 |
|
8MB |
(2) 1M x 36 |
None |
|
16MB |
(2) 2M x 36 |
None |
|
16MB |
(2) 1M x 36 |
(2) 1M x 36 |
|
24MB |
(2) 2M x 36 |
(2) 1M x 36 |
|
32MB |
(2) 4M x 36 |
None |
|
32MB |
(2) 2M x 36 |
(2) 2M x 36 |
|
40MB |
(2) 4M x 36 |
(2) 1M x 36 |
|
48MB |
(2) 4M x 36 |
(2) 2M x 36 |
|
64MB |
(2) 8M x 36 |
None |
|
64MB |
(2) 4M x 36 |
(2) 4M x 36 |
|
72MB |
(2) 8M x 36 |
(2) 1M x 36 |
|
80MB |
(2) 8M x 36 |
(2) 2M x 36 |
|
96MB |
(2) 8M x 36 |
(2) 4M x 36 |
|
128MB |
(2) 8M x 36 |
(2) 8M x 36 |
|
256MB |
(2) 16M x 36 |
(2) 16M x 36 |
|
Note: Board accepts EDO memory. | ||
|
CACHE CONFIGURATION | |
|
Size |
SL1 |
|
256KB |
256KB module installed |
|
512KB |
512KB module installed |
|
CPU SPEED SELECTION (CYRIX) | ||||||
|
CPU speed |
Clock speed |
Multiplier |
JP4 |
JP5 |
JP7 |
JP8 |
|
120MHz |
50MHz |
2x |
2 & 3 |
1 & 2 |
Closed |
Closed |
|
133MHz |
55MHz |
2x |
2 & 3 |
1 & 2 |
Open |
Open |
|
150MHz |
60MHz |
2x |
2 & 3 |
1 & 2 |
Closed |
Open |
|
166MHz |
66MHz |
2x |
2 & 3 |
1 & 2 |
Open |
Closed |
|
Note: Pins designated should be in the closed position. | ||||||
|
CPU SPEED SELECTION (INTEL) | ||||||
|
CPU speed |
Clock speed |
Multiplier |
JP4 |
JP5 |
JP7 |
JP8 |
|
75MHz |
50MHz |
1.5x |
1 & 2 |
1 & 2 |
Closed |
Closed |
|
90MHz |
60MHz |
1.5x |
1 & 2 |
1 & 2 |
Closed |
Open |
|
100MHz |
66MHz |
1.5x |
1 & 2 |
1 & 2 |
Open |
Closed |
|
120MHz |
60MHz |
2x |
2 & 3 |
1 & 2 |
Closed |
Open |
|
133MHz |
66MHz |
2x |
2 & 3 |
1 & 2 |
Open |
Closed |
|
150MHz |
60MHz |
2.5x |
2 & 3 |
2 & 3 |
Closed |
Open |
|
166MHz |
66MHz |
2.5x |
2 & 3 |
2 & 3 |
Open |
Closed |
|
180MHz |
60MHz |
3x |
1 & 2 |
2 & 3 |
Closed |
Open |
|
200MHz |
66MHz |
3x |
1 & 2 |
2 & 3 |
Open |
Closed |
|
Note: Pins designated should be in the closed position. | ||||||
|
CPU VOLTAGE SELECTION | |||
|
Voltage |
JP1 |
JP51 |
JP52 |
|
2.5v (P55C) |
Closed |
Open |
Closed |
|
3.135v – 3.6v (P54C STD) |
Closed |
1 & 2, 3 & 4, 5 & 6 |
Open |
|
3.4v – 3.6v (P54C VRE) |
Open |
1 & 2, 3 & 4, 5 & 6 |
Open |
|
Note: Pins designated should be in the closed position. The location of JP52 is unidentified. | |||