ABIT COMPUTER CORPORATION

LX6

Processor

Pentium II

Processor Speed

233/266/300/333MHz

Chip Set

Intel

Video Chip Set

None

Maximum Onboard Memory

1GB (EDO supported)

Maximum Video Memory

None

Cache

256/512KB (located on Pentium II CPU)

BIOS

Award

Dimensions

304mm x 204mm

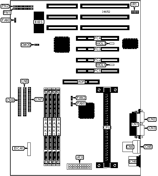
I/O Options

32-bit PCI slots (4), floppy drive interface, green PC connector, IDE interfaces (2), parallel port, PS/2 mouse port, serial ports (2), IR connector, USB connectors (2), ATX power connector, AGP slot

NPU Options

None

CONNECTIONS

Purpose

Location

Purpose

Location

AGP slot

AGP

Chassis fan power

FAN2

ATX power connector

ATX

Chassis fan power

FAN3

Parallel port

CN1

IR connector

IR1

Serial port 2

CN2

32-bit PCI slots

PC1 – PC4

Serial port 1

CN3

Power LED & keylock

PN1/pins 1 - 5

USB connector

CN4

IDE interface LED

PN1/pins 7 & 8

USB connector

CN5

Soft off power supply

PN1/pins 10 & 11

PS/2 mouse port

CN6

Green PC connector

PN1/pins 13 & 14

Floppy drive interface

CN7

Reset switch

PN2/pins 1 & 2

IDE interface 2

CN8

Speaker

PN2/pins 4 - 7

IDE interface 1

CN9

Green PC LED

PN2/pins 9 & 10

Chassis fan power

FAN1

   

USER CONFIGURABLE SETTINGS

Function

Label

Position

»

CMOS memory normal operation

CMOS

Pins 1 & 2 closed

 

CMOS memory clear

CMOS

Pins 2 & 3 closed

»

Factory configured - do not alter

EICA1

Unidentified

»

Factory configured - do not alter

WOL1

Unidentified

»

Factory configured - do not alter

WOL3

Unidentified

DIMM CONFIGURATION

Size

Bank 0

Bank 1

Bank 2

Bank 3

8MB

(1) 1M x 64

None

None

None

16MB

(1) 2M x 64

None

None

None

16MB

(1) 1M x 64

(1) 1M x 64

None

None

24MB

(1) 2M x 64

(1) 1M x 64

None

None

24MB

(1) 1M x 64

(1) 1M x 64

(1) 1M x 64

None

32MB

(1) 4M x 64

None

None

None

32MB

(1) 2M x 64

(1) 2M x 64

None

None

32MB

(1) 1M x 64

(1) 1M x 64

(1) 1M x 64

(1) 1M x 64

40MB

(1) 4M x 64

(1) 1M x 64

None

None

48MB

(1) 4M x 64

(1) 2M x 64

None

None

48MB

(1) 2M x 64

(1) 2M x 64

(1) 2M x 64

None

64MB

(1) 8M x 64

None

None

None

64MB

(1) 4M x 64

(1) 4M x 64

None

None

64MB

(1) 2M x 64

(1) 2M x 64

(1) 2M x 64

(1) 2M x 64

72MB

(1) 8M x 64

(1) 1M x 64

None

None

80MB

(1) 8M x 64

(1) 2M x 64

None

None

96MB

(1) 8M x 64

(1) 4M x 64

None

None

96MB

(1) 4M x 64

(1) 4M x 64

(1) 4M x 64

None

128MB

(1) 16M x 64

None

None

None

DIMM CONFIGURATION (CON’T)

Size

Bank 0

Bank 1

Bank 2

Bank 3

128MB

(1) 8M x 64

(1) 8M x 64

None

None

128MB

(1) 4M x 64

(1) 4M x 64

(1) 4M x 64

(1) 4M x 64

136MB

(1) 16M x 64

(1) 1M x 64

None

None

144MB

(1) 16M x 64

(1) 2M x 64

None

None

160MB

(1) 16M x 64

(1) 4M x 64

None

None

192MB

(1) 16M x 64

(1) 8M x 64

None

None

192MB

(1) 8M x 64

(1) 8M x 64

(1) 8M x 64

None

256MB

(1) 16M x 64

(1) 16M x 64

None

None

256MB

(1) 8M x 64

(1) 8M x 64

(1) 8M x 64

(1) 8M x 64

256MB

(1) 32M x 64

None

None

None

384MB

(1) 16M x 64

(1) 16M x 64

(1) 16M x 64

None

512MB

(1) 16M x 64

(1) 16M x 64

(1) 16M x 64

(1) 16M x 64

512MB

(1) 32M x 64

(1) 32M x 64

None

None

768MB

(1) 32M x 64

(1) 32M x 64

(1) 32M x 64

None

1GB

(1) 32M x 64

(1) 32M x 64

(1) 32M x 64

(1) 32M x 64

Note: Board accepts EDO memory.

CACHE CONFIGURATION

Note: 256KB/512KB cache is located on the Pentium II CPU.