ACHME COMPUTER, INC.
MS-5109
|
Processor |
Pentium |
|
Processor Speed |
75/90/100MHz |
|
Chip Set |
SIS |
|
Max. Onboard DRAM |
128MB |
|
Cache |
256/512/1024KB |
|
BIOS |
AMI |
|
Dimensions |
330mm x 218mm |
|
I/O Options |
32-bit PCI slots (3), floppy drive interface, green PC connector, IDE interfaces (2), parallel port, PS/2 mouse port, serial ports (2) |
|
NPU Options |
None |

|
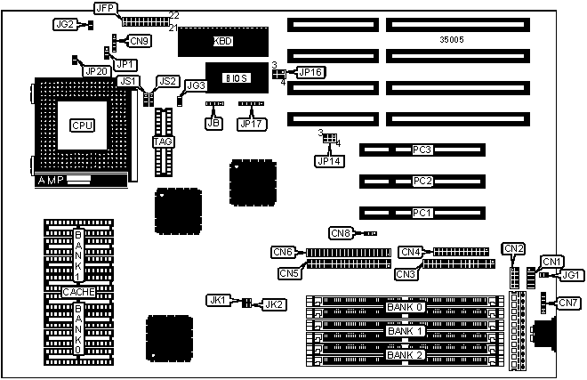
CONNECTIONS |
|||
|
Purpose |
Location |
Purpose |
Location |
|
Serial port 1 |
CN1 |
Turbo LED |
JFP pins 12 - 13 |
|
Serial port 2 |
CN2 |
Turbo switch |
JFP pins 15 - 17 |
|
Parallel port |
CN3 |
Reset switch |
JFP pins 19 - 20 |
|
Floppy drive interface |
CN4 |
IDE interface LED |
JFP pins 21 - 22 |
|
IDE interface (primary) |
CN5 |
External battery |
JB |
|
IDE interface (secondary) |
CN6 |
Green PC connector (monitor) |
JG1 |
|
PS/2 mouse port |
CN7 |
Green PC LED |
JG2 |
|
Chassis fan power |
CN9 |
Green PC connector |
JG3 |
|
Power LED & keylock |
JFP pins 1 - 5 |
32-bit PCI slots |
pc1 - pc3 |
|
Speaker |
JFP pins 6 - 10 |
IDE interface LED |
|
|
USER CONFIGURABLE SETTINGS |
|||
|
Function |
Jumper |
Position |
|
|
» |
PCI IDE interface enabled |
CN8 |
pins 1 & 2 closed |
|
|
PCI IDE interface disabled |
CN8 |
pins 2 & 3 closed |
|
» |
Battery type select internal |
JB |
pins 2 & 3 closed |
|
|
Battery type select external |
JB |
Closed |
|
» |
NA# disabled |
JP1 |
pins 1 & 2 closed |
|
|
NA# enabled |
JP1 |
pins 2 & 3 closed |
|
» |
BIOS type select EPROM |
JP17 |
pins 2 & 3, 4 & 5 closed |
|
|
BIOS type select flash |
JP17 |
pins 1 & 2, 5 & 6 closed |
|
» |
CPU voltage select 3.4v |
JP20 |
Closed |
|
|
CPU voltage select 3.5v |
JP20 |
Open |
|
DRAM CONFIGURATION |
|||
|
Size |
Bank 0 |
Bank 1 |
Bank 2 |
|
2MB |
(2) 256K x 36 |
NONE |
NONE |
|
4MB |
(2) 256K x 36 |
(2) 256K x 36 |
NONE |
|
4MB |
(2) 512K x 36 |
NONE |
NONE |
|
8MB |
(2) 256K x 36 |
(2) 256K x 36 |
(2) 512K x 36 |
|
8MB |
(2) 512K x 36 |
NONE |
(2) 512K x 36 |
|
8MB |
(2) 1M x 36 |
NONE |
NONE |
|
12MB |
(2) 256K x 36 |
(2) 256K x 36 |
(2) 1M x 36 |
|
12MB |
(2) 512K x 36 |
NONE |
(2) 1M x 36 |
|
16MB |
(2) 1M x 36 |
(2) 1M x 36 |
NONE |
|
16MB |
(2) 2M x 36 |
NONE |
NONE |
|
20MB |
(2) 256K x 36 |
(2) 256K x 36 |
(2) 2M x 36 |
|
20MB |
(2) 512K x 36 |
NONE |
(2) 2M x 36 |
|
24MB |
(2) 1M x 36 |
(2) 1M x 36 |
(2) 1M x 36 |
|
24MB |
(2) 2M x 36 |
NONE |
(2) 1M x 36 |
|
32MB |
(2) 1M x 36 |
(2) 1M x 36 |
(2) 2M x 36 |
|
32MB |
(2) 2M x 36 |
NONE |
(2) 2M x 36 |
|
32MB |
(2) 4M x 36 |
NONE |
NONE |
|
DRAM CONFIGURATION (CON'T) |
|||
|
Size |
Bank 0 |
Bank 1 |
Bank 2 |
|
36MB |
(2) 256K x 36 |
(2) 256K x 36 |
(2) 4M x 36 |
|
36MB |
(2) 512K x 36 |
NONE |
(2) 4M x 36 |
|
40MB |
(2) 1M x 36 |
(2) 4M x 36 |
NONE |
|
48MB |
(2) 1M x 36 |
(2) 1M x 36 |
(2) 4M x 36 |
|
48MB |
(2) 2M x 36 |
NONE |
(2) 4M x 36 |
|
64MB |
(2) 4M x 36 |
(2) 4M x 36 |
NONE |
|
64MB |
(2) 8M x 36 |
NONE |
NONE |
|
72MB |
(2) 1M x 36 |
(2) 4M x 36 |
(2) 4M x 36 |
|
80MB |
(2) 1M x 36 |
(2) 1M x 36 |
(2) 8M x 36 |
|
80MB |
(2) 2M x 36 |
NONE |
(2) 8M x 36 |
|
96MB |
(2) 4M x 36 |
(2) 4M x 36 |
(2) 4M x 36 |
|
96MB |
(2) 8M x 36 |
NONE |
(2) 4M x 36 |
|
128MB |
(2) 4M x 36 |
(2) 4M x 36 |
(2) 8M x 36 |
|
128MB |
(2) 8M x 36 |
NONE |
(2) 8M x 36 |
|
128MB |
(2) 16M x 36 |
NONE |
NONE |
|
CACHE CONFIGURATION |
|||
|
Size |
Bank 0 |
Bank 1 |
TAG |
|
256KB |
(4) 32K x 8 |
(4) 32K x 8 |
(1) 8K x 8 |
|
512KB |
(4) 64K x 8 |
(4) 64K x 8 |
(1) 16K x 8 |
|
1MB |
(4) 128K x 8 |
(4) 128K x 8 |
(1) 32K x 8 |
|
CACHE JUMPER CONFIGURATION |
||
|
Size |
JS1 |
JS2 |
|
256KB |
pins 1 & 2 closed |
pins 1 & 2 closed |
|
512KB |
pins 2 & 3 closed |
pins 1 & 2 closed |
|
1MB |
pins 2 & 3 closed |
pins 2 & 3 closed |
|
CPU SPEED CONFIGURATION |
||
|
Speed |
JK1 |
JK2 |
|
75MHz |
Open |
Open |
|
90MHz |
Open |
Closed |
|
100MHz |
Closed |
Closed |
|
DACK/DRQ CONFIGURATION |
||
|
DACK/DRQ |
JP14 |
JP16 |
|
DACK0/DRQ0 |
pins 1 & 4 closed |
pins 1 & 4 closed |
|
DACK1/DRQ1 |
pins 2 & 5 closed |
pins 2 & 5 closed |
|
DACK3/DRQ3 |
pins 3 & 6 closed |
pins 3 & 6 closed |