ASUS COMPUTER INTERNATIONAL

TX97-XV (REV. 1.12)

Device Type

Mainboard

Processor

AM K5/AM K6/Pentium/CX 6x86

Processor Speed

75/90/100/120/133/150/166/180/200/233MHz

Chip Set

Intel 430TX

Video Chip Set

ATI

Maximum Onboard Memory

256MB (EDO & SDRAM supported)

Maximum Video Memory

Unidentified

Cache

512KB

BIOS

Unidentified

I/O Options

32-bit PCI slots (4), IDE interface (2), parallel port, PS/2 mouse port, serial ports (2), VGA port, AMC connector, USB connectors (2), ATX power connector

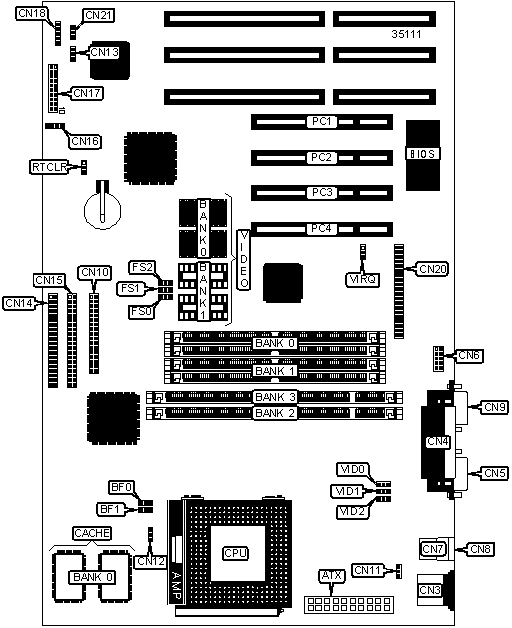
CONNECTIONS

Purpose

Location

Purpose

Location

ATX power connector

ATX

IDE interface 2

CN15

PS/2 mouse connector

CN3

IDE interface LED

CN16

Parallel port

CN4

Power LED & keylock

CN17/pins 1 - 5

Serial port 1

CN5

Speaker

CN17/pins 7-10

Serial port 2

CN6

Message LED

CN17/pins 12,13

USB connector 1

CN7

SMI switch

CN17/pins 14,15

USB connector 2

CN8

ATX power switch

CN17/pins 16,17

VGA port

CN9

Reset switch

CN17/pins 19,20

Floppy drive interface

CN10

IR connector

CN18

Chassis fan power

CN11

AMC connector

CN20

CPU fan power

CN12

Chassis fan

CN21

Chassis open alarm

CN13

32-bit PCI slots

PC1 - PC4

IDE interface 1

CN14

 

 

USER CONFIGURABLE SETTINGS

Function

Label

Position

»

CMOS memory normal operation

RTCLR

Pins 2 & 3 closed

 

CMOS memory clear

RTCLR

Pins 1 & 2 closed

»

VGA interrupt disabled

VIRQ

Pins 1 & 2 closed

 

VGA interrupt enabled

VIRQ

Pins 2 & 3 closed

SIMM CONFIGURATION

Size

Bank 0

Bank 1

8MB

(2)1MB x 32

None

16MB

(2)1MB x 32

(2)1MB x 32

16MB

(2)2MB x 32

None

24MB

(2)2MB x 32

(2)1MB x 32

32MB

(2)2MB x 32

(2)2MB x 32

32MB

(2)4MB x 32

None

40MB

(2)4MB x 32

(2)1MB x 32

48MB

(2)4MB x 32

(2)2MB x 32

64MB

(2)4MB x 32

(2)4MB x 32

64MB

(2)8MB x 32

None

72MB

(2)8MB x 32

(2)1MB x 32

80MB

(2)8MB x 32

(2)2MB x 32

96MB

(2)8MB x 32

(2)4MB x 32

128MB

(2)8MB x 32

(2)8MB x 32

128MB

(2)16MB x 32

None

136MB

(2)16MB x 32

(2)1MB x 32

144MB

(2)16MB x 32

(2)2MB x 32

160MB

(2)16MB x 32

(2)4MB x 32

192MB

(2)16MB x 32

(2)8MB x 32

256MB

(2)16MB x 32

(2)16MB x 32

Note : Board accepts both EDO and SDRAM. SIMMS & DIMMS cannot be used together.

DIMM CONFIGURATION

Size

Bank 2

Bank 3

8MB

(1)1MB x 64

None

16MB

(1)1MB x 64

(1)1MB x 64

16MB

(1)2MB x 64

None

24MB

(1)2MB x 64

(1)1MB x 64

32MB

(1)2MB x 64

(1)2MB x 64

32MB

(1)4MB x 64

None

40MB

(1)4MB x 64

(1)1MB x 64

48MB

(1)4MB x 64

(1)2MB x 64

64MB

(1)4MB x 64

(1)4MB x 64

64MB

(1)8MB x 64

None

72MB

(1)8MB x 64

(1)1MB x 64

80MB

(1)8MB x 64

(1)2MB x 64

96MB

(1)8MB x 64

(1)4MB x 64

128MB

(1)8MB x 64

(1)8MB x 64

128MB

(1)16MB x 64

None

136MB

(1)16MB x 64

(1)1MB x 64

144MB

(1)16MB x 64

(1)2MB x 64

160MB

(1)16MB x 64

(1)4MB x 64

192MB

(1)16MB x 64

(1)8MB x 64

256MB

(1)16MB x 64

(1)16MB x 64

Note : Board accepts both EDO and SDRAM.

CPU SPEED SELECTION (CX 6X86)

CPU Speed

Clock Speed

Multiplier

FS0

FS1

FS2

BF0

BF1

166MHz

66MHz

2x

1 & 2

2 & 3

2 & 3

2 & 3

1 & 2

Note : Only the Cyrix REV. 2.7 or later is supported. Numbers designate pins that should be closed.

CPU SPEED SELECTION (AM K5)

CPU Speed

Clock Speed

Multiplier

FS0

FS1

FS2

BF0

BF1

75MHz

50MHz

1.5x

2 & 3

1 & 2

2 & 3

1 & 2

1 & 2

90MHz

60MHz

1.5x

2 & 3

2 & 3

2 & 3

1 & 2

1 & 2

100MHz

66MHz

1.5x

1 & 2

2 & 3

2 & 3

1 & 2

1 & 2

120MHz

60MHz

1.5x

2 & 3

2 & 3

2 & 3

1 & 2

1 & 2

133MHz

66MHz

1.5x

1 & 2

2 & 3

2 & 3

1 & 2

1 & 2

Note : Numbers designate pins that should be closed.

CPU SPEED SELECTION (AM K6)

CPU Speed

Clock Speed

Multiplier

FS0

FS1

FS2

BF0

BF1

200MHz

66MHz

3x

1 & 2

2 & 3

2 & 3

1 & 2

2 & 3

233MHz

66MHz

3.5x

1 & 2

2 & 3

2 & 3

1 & 2

1 & 2

Note : Numbers designate pins that should be closed.

CPU SPEED SELECTION (INTEL)

CPU Speed

Clock speed

Multiplier

FS0

FS1

FS2

BF0

BF1

75MHz

50MHz

1.5x

2 & 3

1 & 2

2 & 3

1 & 2

1 & 2

90MHz

60MHz

1.5x

2 & 3

2 & 3

2 & 3

1 & 2

1 & 2

100MHz

66MHz

1.5x

1 & 2

2 & 3

2 & 3

1 & 2

1 & 2

120MHz

60MHz

2x

2 & 3

2 & 3

2 & 3

2 & 3

1 & 2

133MHz

66MHz

2x

1 & 2

2 & 3

2 & 3

2 & 3

1 & 2

150MHz

60MHz

2.5x

2 & 3

2 & 3

2 & 3

2 & 3

2 & 3

166MHz

66MHz

2.5x

1 & 2

2 & 3

2 & 3

2 & 3

2 & 3

200MHz

66MHz

3x

1 & 2

2 & 3

2 & 3

1 & 2

2 & 3

233MHz

66MHz

3.5x

1 & 2

2 & 3

2 & 3

1 & 2

1 & 2

Note : Numbers designate pins that should be closed.

CPU VOLTAGE SELECTION

Voltage

VID0

VID1

VID2

2.8V

2 & 3

2 & 3

2 & 3

2.9V

2 & 3

2 & 3

1 & 2

3.2V

1 & 2

See Note

2 & 3

3.4V

2 & 3

1 & 2

2 & 3

3.5V

2 & 3

1 & 2

1 & 2

Note : Jumper should be installed on Pin3 of VID0 and Pin3 of VID1. Numbers designate pins that should be closed.