A-TREND TECHNOLOGY CORPORATION

ATC-5040

Device Type

Mainboard

Processor

CX 6X86L/CX 6X86MX/AM K5/AM K6/Pentium/Pentium MMX

Processor Speed

120/133/150/166/180/200/233MHz

Chip Set

Intel 430TX

Maximum Onboard Memory

256MB (EDO & SDRAM supported)

Cache

512KB

BIOS

Award

Dimensions

305mm x 210mm

I/O Options

32-bit PCI slots (4), floppy drive interface, green PC connector, IDE interfaces (2), parallel port, PS/2 mouse port, serial ports (2), IR connector, USB connectors (2), ATX power connector

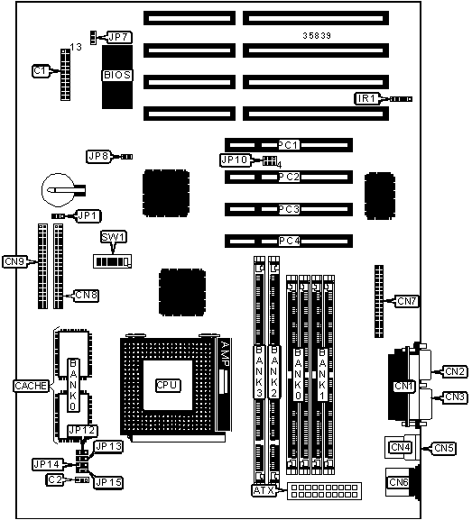
CONNECTIONS

Purpose

Location

Purpose

Location

ATX power connector

ATX

Serial port 2

CN2

Reset switch

C1/pins 1 & 2

Parallel port

CN3

Green PC connector

C1/pins 4 & 5

USB connector 1

CN4

Turbo LED

C1/pins 7 & 8

USB connector 2

CN5

IDE interface LED

C1/pins 10 & 11

PS/2 mouse port

CN6

Soft off power supply

C1/pins 12 & 24

Floppy drive interface

CN7

Speaker

C1/pins 13 - 16

IDE interface 2

CN8

Power LED & keylock

C1/pins 18 & 20

IDE interface 1

CN9

Chassis fan power

C2

IR connector

IR1

Serial port 1

CN1

32-bit PCI slots

PC1 - PC4

USER CONFIGURABLE SETTINGS

Function

Label

Position

 

One LED mode enabled

JP1

Pins 2 & 3 closed

 

Two LED mode enabled

JP1

Pins 1 & 2 closed

»

Factory configured - do not alter

JP7

Unidentified

»

CMOS memory normal operation

JP8

Closed

 

CMOS memory clear

JP8

Open

 

USB ports (2 external)

JP10

Pins 1 & 2, 4& 5 closed

 

USB ports (1 internak l, 1 external)

JP10

Pins 2 & 3, 5 & 6 closed

»

Factory configured - do not alter

SW1/6

Off

SIMM CONFIGURATION

Size

Bank 0

Bank 1

8MB

(2) 1M x 36

None

16MB

(2) 2M x 36

None

16MB

(2) 1M x 36

(2) 1M x 36

24MB

(2) 2M x 36

(2) 1M x 36

32MB

(2) 4M x 36

None

32MB

(2) 2M x 36

(2) 2M x 36

40MB

(2) 4M x 36

(2) 1M x 36

48MB

(2) 4M x 36

(2) 2M x 36

64MB

(2) 8M x 36

None

64MB

(2) 4M x 36

(2) 4M x 36

SIMM CONFIGURATION (CON'T)

Size

Bank 0

Bank 1

72MB

(2) 8M x 36

(2) 1M x 36

80MB

(2) 8M x 36

(2) 2M x 36

96MB

(2) 8M x 36

(2) 4M x 36

128MB

(2) 8M x 36

(2) 8M x 36

128MB

(2) 16M x 36

None

136MB

(2) 16M x 36

(2) 1M x 36

144MB

(2) 16M x 36

(2) 2M x 36

160MB

(2) 16M x 36

(2) 4M x 36

192MB

(2) 16M x 36

(2) 8M x 36

256MB

(2) 16M x 36

(2) 16M x 36

Note: Board accepts EDO memory.

DIMM CONFIGURATION

Size

Bank 2

Bank 3

8MB

(1) 1M x 64

None

16MB

(1) 2M x 64

None

16MB

(1) 1M x 64

(1) 1M x 64

24MB

(1) 2M x 64

(1) 1M x 64

32MB

(1) 4M x 64

None

32MB

(1) 2M x 64

(1) 2M x 64

40MB

(1) 4M x 64

(1) 1M x 64

48MB

(1) 4M x 64

(1) 2M x 64

64MB

(1) 8M x 64

None

64MB

(1) 4M x 64

(1) 4M x 64

72MB

(1) 8M x 64

(1) 1M x 64

80MB

(1) 8M x 64

(1) 2M x 64

96MB

(1) 8M x 64

(1) 4M x 64

128MB

(1) 16M x 64

None

128MB

(1) 8M x 64

(1) 8M x 64

136MB

(1) 16M x 64

(1) 1M x 64

144MB

(1) 16M x 64

(1) 2M x 64

160MB

(1) 16M x 64

(1) 4M x 64

192MB

(1) 16M x 64

(1) 8M x 64

256MB

(1) 16M x 64

(1) 16M x 64

Note: Board accepts SDRAM memory.

CACHE CONFIGURATION

Size

Bank 0

512KB

(2) 64K x 32

CPU SPEED SELECTION (CX 6X86L)

CPU speed

Clock speed

Multiplier

SW2/1

SW2/2

SW2/3

SW2/4

SW2/5

150MHz

60MHz

2x

On

On

Off

On

Off

166MHz

66MHz

2x

On

On

On

On

Off

200MHz

75MHz

2x

On

Off

On

On

Off

CPU SPEED SELECTION (CX 6X86MX)

CPU speed

Clock speed

Multiplier

SW2/1

SW2/2

SW2/3

SW2/4

SW2/5

150MHz

60MHz

2x

On

On

Off

On

Off

166MHz

66MHz

2x

On

On

On

On

Off

166MHz

60MHz

2.5x

On

On

Off

On

On

200MHz

66MHz

2.5x

On

On

On

On

On

200MHz

75MHz

2x

On

Off

On

On

Off

CPU SPEED SELECTION (AM K5)

CPU speed

Clock speed

Multiplier

SW2/1

SW2/2

SW2/3

SW2/4

SW2/5

100MHz

66MHz

1.5x

On

On

On

Off

Off

120MHz

60MHz

1.5x

On

On

Off

Off

Off

133MHz

66MHz

1.5x

On

On

On

Off

Off

166MHz

66MHz

2.5x

On

On

On

On

On

CPU SPEED SELECTION (AM K6)

CPU speed

Clock speed

Multiplier

SW2/1

SW2/2

SW2/3

SW2/4

SW2/5

166MHz

66MHz

2.5x

On

On

On

On

On

200MHz

66MHz

3x

On

On

On

Off

On

233MHz

66MHz

3.5x

On

On

On

Off

Off

CPU SPEED SELECTION (INTEL)

CPU speed

Clock speed

Multiplier

SW2/1

SW2/2

SW2/3

SW2/4

SW2/5

120MHz

60MHz

2x

On

On

Off

On

Off

133MHz

66MHz

2x

On

On

On

On

Off

150MHz

60MHz

2.5x

On

On

Off

On

On

166MHz

66MHz

2.5x

On

On

On

On

On

180MHz

60MHz

3x

On

On

Off

Off

On

200MHz

66MHz

3x

On

On

On

Off

On

CPU SPEED SELECTION (INTEL MMX)

CPU speed

Clock speed

Multiplier

SW2/1

SW2/2

SW2/3

SW2/4

SW2/5

166MHz

66MHz

2.5x

On

On

On

On

On

200MHz

66MHz

3x

On

On

On

Off

On

233MHz

66MHz

3.5x

On

On

On

Off

Off

CPU VOLTAGE SELECTION

Voltage

JP12

JP13

JP14

JP15

2.1v

Pins 2 & 3 closed

Pins 1 & 2 closed

Pins 1 & 2 closed

Pins 1 & 2 closed

2.8v

Pins 1 & 2 closed

Pins 1 & 2 closed

Pins 1 & 2 closed

Pins 2 & 3 closed

2.9v

Pins 2 & 3 closed

Pins 1 & 2 closed

Pins 1 & 2 closed

Pins 2 & 3 closed

3.2v

Pins 1 & 2 closed

Pins 1 & 2 closed

Pins 2 & 3 closed

Pins 2 & 3 closed

3.3v

Pins 2 & 3 closed

Pins 1 & 2 closed

Pins 2 & 3 closed

Pins 2 & 3 closed

3.5v

Pins 2 & 3 closed

Pins 2 & 3 closed

Pins 2 & 3 closed

Pins 2 & 3 closed