DTK COMPUTER, INC.

PRM-0082I (VER. 1.01)

Device Type

Mainboard

Processor

Pentium II

Processor Speed

233/266/300/333MHz

Chip Set

Intel 440EX

Audio Chip Set

ESS

Maximum Onboard Memory

512MB (EDO & SDRAM supported)

Cache

256/512KB (located on the Pentium II CPU)

BIOS

Award

Dimensions

244mm x 210mm

I/O Options

32-bit PCI slots (2), floppy drive interface, game/MIDI port, IDE interfaces (2), parallel port, PS/2 mouse port, serial ports (2), IR connector, USB connectors (2), ATX power connector, AGP slot, line in, line out, microphone in, audio in – CD-ROMs (2)

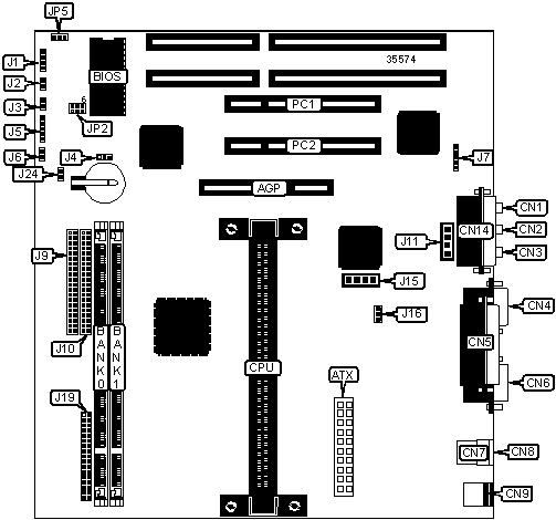
CONNECTIONS

Purpose

Location

Purpose

Location

AGP slot

AGP

Reset switch

J3

ATX power connector

ATX

Keylock

J5

Microphone in

CN1

IDE interface LED

J6

Line in

CN2

IR connector

J7

Line out

CN3

IDE interface 1

J9

Serial port 1

CN4

IDE interface 2

J10

Parallel port

CN5

Audio in – CD-ROM (Sony)

J11

Serial port 2

CN6

Audio in – CD-ROM (Panasonic)

J15

USB connector

CN7 & CN8

CPU fan power

J16

PS/2 mouse port

CN9

Floppy drive interface

J19

Game/MIDI port

CN14

Wake on LAN connector

JP5

Speaker

J1

32-bit PCI slots

PC1 - PC

Power switch

J2

   

USER CONFIGURABLE SETTINGS

Function

Label

Position

»

CMOS memory normal operation

J4

Pins 2 & 3 closed

 

CMOS memory clear

J4

Pins 1 & 2 closed

 

System on after power failure

J24

Closed

 

System off after power failure

J24

Open

DIMM CONFIGURATION

Size

Bank 0

Bank 1

8MB

(1) 1M x 64

None

16MB

(1) 2M x 64

None

16MB

(1) 1M x 64

(1) 1M x 64

24MB

(1) 2M x 64

(1) 1M x 64

32MB

(1) 4M x 64

None

32MB

(1) 2M x 64

(1) 2M x 64

40MB

(1) 4M x 64

(1) 1M x 64

48MB

(1) 4M x 64

(1) 2M x 64

64MB

(1) 8M x 64

None

64MB

(1) 4M x 64

(1) 4M x 64

72MB

(1) 8M x 64

(1) 1M x 64

80MB

(1) 8M x 64

(1) 2M x 64

96MB

(1) 8M x 64

(1) 4M x 64

DIMM CONFIGURATION (CON’T)

Size

Bank 0

Bank 1

128MB

(1) 16M x 64

None

128MB

(1) 8M x 64

(1) 8M x 64

136MB

(1) 16M x 64

(1) 1M x 64

144MB

(1) 16M x 64

(1) 2M x 64

160MB

(1) 16M x 64

(1) 4M x 64

192MB

(1) 16M x 64

(1) 8M x 64

256MB

(1) 16M x 64

(1) 16M x 64

288MB

(1) 32M x 64

(1) 4M x 64

320MB

(1) 32M x 64

(1) 8M x 64

384MB

(1) 32M x 64

(1) 16M x 64

512MB

(1) 32M x 64

(1) 32M x 64

Note: Board will accept up to 256MB SDRAM or 512MB EDO memory.

CACHE CONFIGURATION

The 256/512KB cache is located on the Pentium II CPU.

CPU SPEED SELECTION

CPU speed

Clock speed

Multiplier

JP2

233MHz

66MHz

3.5x

Pins 5 & 6 closed

266MHz

66MHz

4x

Pins 1 & 2, 3 & 4 closed

300MHz

66MHz

4.5x

Pins 3 & 4 closed

333MHz

66MHz

5x

Pins 1 & 2 closed