DATAEXPERT CORPORATION

AFX440, ARISTO 6000

Device Type

Mainboard

Processor

Pentium Pro

Processor Speed

150/180/200MHz

Chip Set

Intel 440FX

Video Chip Set

S3

Maximum Onboard Memory

128MB

Maximum Video Memory

Unidentified

Cache

256/512KB (located on Pentium Pro CPU)

BIOS

Award

Dimensions

305mm x 244mm

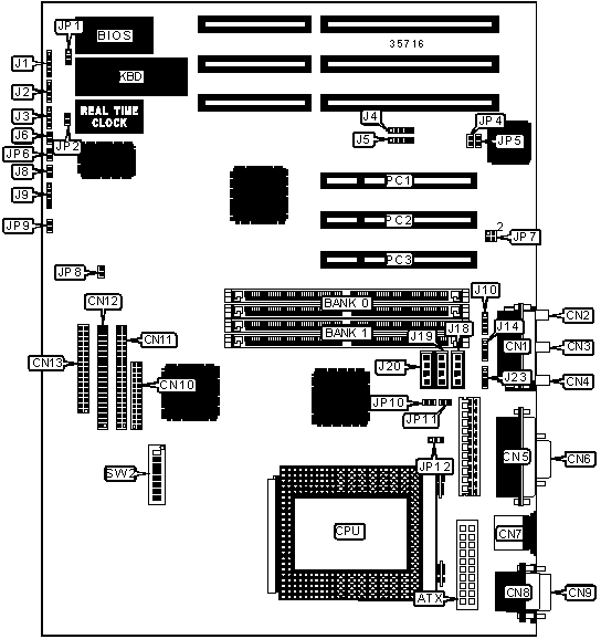
I/O Options

32-bit PCI slots (3), floppy drive interface, game/MIDI port, green PC connector, IDE interfaces (2), parallel port, PS/2 mouse port, serial ports (2), VGA feature connector, VGA port, IR connector, USB connectors (2), ATX power connector, line in, line out, microphone in, audio in - CD-ROMs (3)

CONNECTIONS

Purpose

Location

Purpose

Location

ATX power connector

ATX

USB connector 1

J4

Game/MIDI port

CN1

USB connector 2

J5

Line out

CN2

Reset switch

J6

Microphone in

CN3

Turbo LED

J8

Line in

CN4

IR connector

J9

Parallel port

CN5

Audio connector

J10

VGA port

CN6

Audio connector

J14

PS/2 mouse port

CN7

Audio in - CD-ROM

J18

Serial port 2

CN8

Audio in - CD-ROM

J19

Serial port 1

CN9

Audio in - CD-ROM

J20

VGA feature connector

CN10

Audio connector

J23

IDE interface 2

CN11

Green PC connector

JP6

IDE interface 1

CN12

Soft off power supply

JP9

Floppy drive interface

CN13

CPU fan power

JP10

Power LED & keylock

J1

CPU fan power

JP11

Speaker

J2

32-bit PCI slots

PC1 – PC3

IDE interface LED

J3

   

USER CONFIGURABLE SETTINGS

Function

Label

Position

»

Flash BIOS voltage select 5v

JP1

Pins 2 & 3 closed

 

Flash BIOS voltage select 12v

JP1

Pins 1 & 2 closed

»

CMOS memory normal operation

JP2

Open

 

CMOS memory clear

JP2

Closed

»

Factory configured - do not alter

JP4

Unidentified

»

Factory configured - do not alter

JP5

Unidentified

»

Factory configured - do not alter

JP7

Unidentified

»

AT bus clock select PCICLK/4

JP8

Closed

 

AT bus clock select PCICLK/3

JP8

Open

»

ATX power low active

JP12

Pins 1 & 2 closed

 

ATX power high active

JP12

Pins 2 & 3 closed

SIMM CONFIGURATION

Size

Bank 0

Bank 1

8MB

(2) 1M x 36

None

16MB

(2) 2M x 36

None

16MB

(2) 1M x 36

(2) 1M x 36

24MB

(2) 2M x 36

(2) 1M x 36

32MB

(2) 4M x 36

None

32MB

(2) 2M x 36

(2) 2M x 36

40MB

(2) 4M x 36

(2) 1M x 36

48MB

(2) 4M x 36

(2) 2M x 36

64MB

(2) 8M x 36

None

64MB

(2) 4M x 36

(2) 4M x 36

72MB

(2) 8M x 36

(2) 1M x 36

80MB

(2) 8M x 36

(2) 2M x 36

96MB

(2) 8M x 36

(2) 4M x 36

128MB

(2) 8M x 36

(2) 8M x 36

CACHE CONFIGURATION

Note: 256KB/512KB cache is located on the Pentium Pro CPU.

CPU SPEED SELECTION

CPU speed

Clock speed

Multiplier

SW2/1

SW1/2

SW2/3

SW2/4

150MHz

60MHz

2.5x

On

Off

Off

On

150MHz

60MHz

2.5x

On

On

On

Off

180MHz

60MHz

3x

On

Off

On

Off

200MHz

66MHz

3x

Off

On

On

Off

Note: Either setting may be used for the 150MHz CPU.

CPU SPEED SELECTION (CON’T)

CPU speed

Clock speed

Multiplier

SW2/5

SW1/6

SW2/7

SW2/8

150MHz

60MHz

2.5x

On

On

On

Off

150MHz

60MHz

2.5x

On

On

On

Off

180MHz

60MHz

3x

On

On

On

Off

200MHz

66MHz

3x

On

On

Off

On

Note: Either setting may be used for the 150MHz CPU.