FIRST INTERNATIONAL COMPUTER, INC.
PA-2013
|
Device Type |
Mainboard |
|
Processor |
CX 6X86L/IBM 6X86L/CX 686MX/IBM 6X86MX/AM K6/AM K6-2/ Pentium |
|
Processor Speed |
100/120/133/150/166/200/233/266/300MHz |
|
Chip Set |
VIA |
|
Video Chip Set |
None |
|
Maximum Onboard Memory |
768MB (EDO & SDRAM supported) |
|
Maximum Video Memory |
None |
|
Cache |
512/1024KB |
|
BIOS |
Unidentified |
|
Dimensions |
305mm x 244mm |
|
I/O Options |
32-bit PCI slots (4), floppy drive interface, green PC connector, IDE interfaces (2), parallel port, PS/2 mouse port, serial ports (2), IR connector, FUSB connector, USB connectors (2), ATX power connector, AGP slot |
|
NPU Options |
None |
|
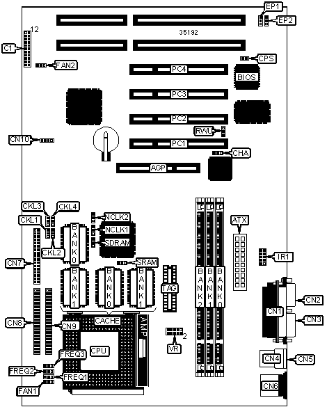
CONNECTIONS | |||
|
Purpose |
Location |
Purpose |
Location |
|
AGP slot |
AGP |
Power LED & keylock |
C1/pins 1 - 5 |
|
ATX power connector |
ATX |
Turbo LED |
C1/pins 6 & 7 |
|
Chassis intrusion alarm |
CHA |
Green PC connector |
C1/pins 8 & 9 |
|
Parallel port |
CN1 |
Green PC LED |
C1/pins 10 & 11 |
|
Serial port 2 |
CN2 |
Speaker |
C1/pins 12 - 15 |
|
Serial port 1 |
CN3 |
IDE interface LED |
C1/pins 16 & 17 |
|
USB connector 1 |
CN4 |
Soft off power supply |
C1/pins 18 & 19 |
|
USB connector 2 |
CN5 |
Reset switch |
C1/pins 20 & 21 |
|
PS/2 mouse port |
CN6 |
CPU fan power |
FAN1 |
|
Floppy drive interface |
CN7 |
Chassis fan power |
FAN2 |
|
IDE interface 1 |
CN8 |
IR connector |
IR1 |
|
IDE interface 2 |
CN9 |
32-bit PCI slots |
PC1 – PC4 |
|
FUSB connector |
CN10 |
Remote wake up connector |
RWU |
|
USER CONFIGURABLE SETTINGS | |||
|
Function |
Label |
Position | |
|
» |
Password enabled |
CPS |
Closed |
|
Password disabled |
CPS |
Open | |
|
» |
Burst type select Intel |
SRAM |
Pins 1 & 2 closed |
|
Burst type select linear |
SRAM |
Pins 2 & 3 closed | |
|
DIMM CONFIGURATION | |||
|
Size |
Bank 0 |
Bank 1 |
Bank 2 |
|
8MB |
(1) 1M x 64 |
None |
None |
|
16MB |
(1) 2M x 64 |
None |
None |
|
16MB |
(1) 1M x 64 |
(1) 1M x 64 |
None |
|
24MB |
(1) 2M x 64 |
(1) 1M x 64 |
None |
|
24MB |
(1) 1M x 64 |
(1) 1M x 64 |
(1) 1M x 64 |
|
32MB |
(1) 4M x 64 |
None |
None |
|
32MB |
(1) 2M x 64 |
(1) 2M x 64 |
None |
|
40MB |
(1) 4M x 64 |
(1) 1M x 64 |
None |
|
48MB |
(1) 4M x 64 |
(1) 2M x 64 |
None |
|
48MB |
(1) 2M x 64 |
(1) 2M x 64 |
(1) 2M x 64 |
|
64MB |
(1) 8M x 64 |
None |
None |
|
64MB |
(1) 4M x 64 |
(1) 4M x 64 |
None |
|
72MB |
(1) 8M x 64 |
(1) 1M x 64 |
None |
|
DIMM CONFIGURATION (CON’T) | |||
|
Size |
Bank 0 |
Bank 1 |
Bank 2 |
|
80MB |
(1) 8M x 64 |
(1) 2M x 64 |
None |
|
96MB |
(1) 8M x 64 |
(1) 4M x 64 |
None |
|
96MB |
(1) 4M x 64 |
(1) 4M x 64 |
(1) 4M x 64 |
|
128MB |
(1) 16M x 64 |
None |
None |
|
128MB |
(1) 8M x 64 |
(1) 8M x 64 |
None |
|
136MB |
(1) 16M x 64 |
(1) 1M x 64 |
None |
|
144MB |
(1) 16M x 64 |
(1) 2M x 64 |
None |
|
160MB |
(1) 16M x 64 |
(1) 4M x 64 |
None |
|
192MB |
(1) 16M x 64 |
(1) 8M x 64 |
None |
|
192MB |
(1) 8M x 64 |
(1) 8M x 64 |
(1) 8M x 64 |
|
256MB |
(1) 32M x 64 |
None |
None |
|
256MB |
(1) 16M x 64 |
(1) 16M x 64 |
None |
|
384MB |
(1) 16M x 64 |
(1) 16M x 64 |
(1) 16M x 64 |
|
512MB |
(1) 32M x 64 |
(1) 32M x 64 |
None |
|
768MB |
(1) 32M x 64 |
(1) 32M x 64 |
(1) 32M x 64 |
|
Note: Board accepts EDO & SDRAM memory. | |||
|
DIMM FREQUENCY CONFIGURATION | ||
|
Setting |
CLK4 |
SDRAM |
|
SDRAM frequency = CPU external frequency |
Pins 1 & 2 closed |
Pins 2 & 3 closed |
|
SDRAM frequency = AGP external frequency |
Pins 2 & 3 closed |
Pins 1 & 2 closed |
|
SYSTEM FREQUENCY CONFIGURATION | ||
|
Frequency |
NCLK1 |
NCLK2 |
|
66MHz |
Pins 1 & 2 closed |
Pins 2 & 3 closed |
|
68MHz |
Pins 1 & 2 closed |
Pins 2 & 3 closed |
|
75MHz |
Pins 1 & 2 closed |
Pins 2 & 3 closed |
|
83MHz |
Pins 2 & 3 closed |
Pins 1 & 2 closed |
|
100MHz |
Pins 2 & 3 closed |
Pins 1 & 2 closed |
|
CACHE JUMPER CONFIGURATION | |||
|
Size |
Bank 0 |
Bank 1 |
TAG |
|
512KB |
(2) 64K x 32 |
None |
(1) 16K/32K x 8 |
|
1MB |
(2) 64K x 32 |
(2) 64K x 32 |
(1) 32K x 8 |
|
CPU SPEED SELECTION (CX 6X86L) | ||||||||
|
CPU speed |
Clock speed |
Multiplier |
CLK1 |
CLK2 |
CLK3 |
FREQ1 |
FREQ2 |
FREQ3 |
|
166MHz |
66MHz |
2x |
1 & 2 |
1 & 2 |
2 & 3 |
2 & 3 |
1 & 2 |
1 & 2 |
|
200MHz |
75MHz |
2x |
1 & 2 |
1 & 2 |
1 & 2 |
2 & 3 |
1 & 2 |
1 & 2 |
|
Note: Pins designated should be in the closed position. | ||||||||
|
CPU SPEED SELECTION (IBM 6X86L) | ||||||||
|
CPU speed |
Clock speed |
Multiplier |
CLK1 |
CLK2 |
CLK3 |
FREQ1 |
FREQ2 |
FREQ3 |
|
166MHz |
66MHz |
2x |
1 & 2 |
1 & 2 |
2 & 3 |
2 & 3 |
1 & 2 |
1 & 2 |
|
200MHz |
75MHz |
2x |
1 & 2 |
1 & 2 |
1 & 2 |
2 & 3 |
1 & 2 |
1 & 2 |
|
Note: Pins designated should be in the closed position. | ||||||||
|
CPU SPEED SELECTION (6X86MX) | ||||||||
|
CPU speed |
Clock speed |
Multiplier |
CLK1 |
CLK2 |
CLK3 |
FREQ1 |
FREQ2 |
FREQ3 |
|
166MHz |
66MHz |
2x |
1 & 2 |
1 & 2 |
2 & 3 |
2 & 3 |
1 & 2 |
1 & 2 |
|
200MHz |
66MHz |
2.5x |
1 & 2 |
1 & 2 |
2 & 3 |
2 & 3 |
2 & 3 |
1 & 2 |
|
200MHz |
75MHz |
2x |
1 & 2 |
1 & 2 |
1 & 2 |
2 & 3 |
1 & 2 |
1 & 2 |
|
233MHz |
75MHz |
2.5x |
1 & 2 |
1 & 2 |
1 & 2 |
2 & 3 |
2 & 3 |
1 & 2 |
|
233MHz |
83MHz |
2x |
2 & 3 |
1 & 2 |
1 & 2 |
2 & 3 |
1 & 2 |
1 & 2 |
|
266MHz |
83MHz |
2.5x |
2 & 3 |
1 & 2 |
1 & 2 |
2 & 3 |
2 & 3 |
1 & 2 |
|
Note: Pins designated should be in the closed position. | ||||||||
|
CPU SPEED SELECTION (AM K6) | ||||||||
|
CPU speed |
Clock speed |
Multiplier |
CLK1 |
CLK2 |
CLK3 |
FREQ1 |
FREQ2 |
FREQ3 |
|
166MHz |
66MHz |
2.5x |
1 & 2 |
1 & 2 |
2 & 3 |
2 & 3 |
2 & 3 |
1 & 2 |
|
200MHz |
66MHz |
3x |
1 & 2 |
1 & 2 |
2 & 3 |
1 & 2 |
2 & 3 |
1 & 2 |
|
233MHz |
66MHz |
3.5x |
1 & 2 |
1 & 2 |
2 & 3 |
1 & 2 |
1 & 2 |
1 & 2 |
|
266MHz |
66MHz |
4x |
1 & 2 |
1 & 2 |
2 & 3 |
2 & 3 |
1 & 2 |
2 & 3 |
|
300MHz |
66MHz |
4.5x |
1 & 2 |
1 & 2 |
2 & 3 |
2 & 3 |
2 & 3 |
2 & 3 |
|
Note: Pins designated should be in the closed position. | ||||||||
|
CPU SPEED SELECTION (AM K6-2) | ||||||||
|
CPU speed |
Clock speed |
Multiplier |
CLK1 |
CLK2 |
CLK3 |
FREQ1 |
FREQ2 |
FREQ3 |
|
266MHz |
66MHz |
4x |
1 & 2 |
1 & 2 |
2 & 3 |
2 & 3 |
1 & 2 |
2 & 3 |
|
266MHz |
100MHz |
2.5x |
1 & 2 |
2 & 3 |
2 & 3 |
2 & 3 |
2 & 3 |
1 & 2 |
|
300MHz |
66MHz |
4.5x |
1 & 2 |
1 & 2 |
2 & 3 |
2 & 3 |
2 & 3 |
2 & 3 |
|
300MHz |
100MHz |
3x |
1 & 2 |
2 & 3 |
2 & 3 |
1 & 2 |
2 & 3 |
1 & 2 |
|
Note: Pins designated should be in the closed position. | ||||||||
|
CPU SPEED SELECTION (INTEL) | ||||||||
|
CPU speed |
Clock speed |
Multiplier |
CLK1 |
CLK2 |
CLK3 |
FREQ1 |
FREQ2 |
FREQ3 |
|
100MHz |
66MHz |
1.5x |
1 & 2 |
1 & 2 |
2 & 3 |
1 & 2 |
1 & 2 |
1 & 2 |
|
133MHz |
66MHz |
2x |
1 & 2 |
1 & 2 |
2 & 3 |
2 & 3 |
1 & 2 |
1 & 2 |
|
166MHz |
66MHz |
2.5x |
1 & 2 |
1 & 2 |
2 & 3 |
2 & 3 |
2 & 3 |
1 & 2 |
|
200MHz |
66MHz |
3x |
1 & 2 |
1 & 2 |
2 & 3 |
1 & 2 |
2 & 3 |
1 & 2 |
|
Note: Pins designated should be in the closed position. | ||||||||
|
CPU SPEED SELECTION (INTEL MMX) | ||||||||
|
CPU speed |
Clock speed |
Multiplier |
CLK1 |
CLK2 |
CLK3 |
FREQ1 |
FREQ2 |
FREQ3 |
|
166MHz |
66MHz |
2.5x |
1 & 2 |
1 & 2 |
2 & 3 |
2 & 3 |
2 & 3 |
1 & 2 |
|
200MHz |
66MHz |
3x |
1 & 2 |
1 & 2 |
2 & 3 |
1 & 2 |
2 & 3 |
1 & 2 |
|
233MHz |
66MHz |
3.5x |
1 & 2 |
1 & 2 |
2 & 3 |
1 & 2 |
1 & 2 |
1 & 2 |
|
Note: Pins designated should be in the closed position. | ||||||||
|
CPU VOLTAGE SELECTION | |
|
Voltage |
VR |
|
2.0v |
Pins 3 & 4, 5 & 6, 7 & 8, 9 & 10 closed |
|
2.1v |
Pins 1 & 2 closed |
|
2.2v |
Pins 3 & 4 closed |
|
2.5v |
Pins 1 & 2, 5 & 6 closed |
|
2.8v |
Pins 7 & 8 closed |
|
2.9v |
Pins 1 & 2, 7 & 8 closed |
|
3.2v |
Pins 5 & 6, 7 & 8 closed |
|
3.3v |
Pins 1 & 2, 5 & 6, 7 & 8 closed |
|
3.5v |
Pins 1 & 2, 3 & 4, 5 & 6, 7 & 8 closed |
|
FLASH BIOS SELECTION | ||
|
Type |
EP1 |
EP2 |
|
AMD AM29F002NT |
Pins 2 & 3 closed |
Pins 2 & 3 closed |
|
ATMEL AT29C010A |
Open |
Pins 2 & 3 closed |
|
ATMEL AT29C020 |
Pins 2 & 3 closed |
Pins 2 & 3 closed |
|
Intel 28F001BX |
Pins 1 & 2 closed |
Pins 1 & 2 closed |
|
MXIC MX28F1000PQC |
Pins 1 & 2 closed |
Pins 1 & 2 closed |
|
MXIC MX28F2000TPC |
Pins 2 & 3 closed |
Pins 1 & 2 closed |
|
SST 29EE010 |
Open |
Pins 2 & 3 closed |
|
SST 29EE020 |
Pins 2 & 3 closed |
Pins 2 & 3 closed |