ELITEGROUP COMPUTER SYSTEMS, INC.
P5VP-A+
|
Device Type |
Mainboard |
|
Processor |
CX 6X86/IBM 6X86/CX 6X86L/IBM 6X86L/CX 686MX/IBM 6X86MX/ CX MII/AM K5/AM K6/AM K6-2/Pentium/Pentium MMX |
|
Processor Speed |
100/120/133/150/166/200/233/266/300/333/350MHz |
|
Chip Set |
VIA MVP |
|
Maximum Onboard Memory |
768MB (EDO & SDRAM supported) |
|
Cache |
512/1024KB |
|
BIOS |
Award |
|
Dimensions |
305mm x 180mm |
|
I/O Options |
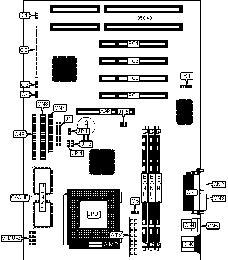
32-bit PCI slots (4), floppy drive interface, green PC connector, IDE interfaces (2), parallel port, PS/2 mouse port, serial ports (2), IR connector, USB connectors (2), ATX power connector, AGP slot, wake on LAN connector, wake on modem connector |
|
CONNECTIONS | |||
|
Purpose |
Location |
Purpose |
Location |
|
AGP slot |
AGP |
CPU fan power |
C5 |
|
ATX power connector |
ATX |
Parallel port |
CN1 |
|
Chassis fan power |
C1 |
Serial port 2 |
CN2 |
|
Power LED |
C2/pins 1 - 3 |
Serial port 1 |
CN3 |
|
Green PC LED |
C2/pins 7 - 9 |
USB connector 1 |
CN4 |
|
Keylock |
C2/pins 10 & 11 |
USB connector 2 |
CN5 |
|
Reset switch |
C2/pins 12 & 13 |
PS/2 mouse port |
CN6 |
|
Speaker |
C2/pins 15 - 18 |
Floppy drive interface |
CN7 |
|
IDE interface LED |
C2/pins 20 & 21 |
IDE interface 2 |
CN8 |
|
Soft off power supply |
C2/pins 22 & 23 |
IDE interface 1 |
CN9 |
|
Wake on modem connector |
C3 |
IR connector |
IR1 |
|
Wake on LAN connector |
C4 |
32-bit PCI slots |
PC1 – PC4 |
|
USER CONFIGURABLE SETTINGS | |||
|
Function |
Label |
Position | |
|
» |
CMOS memory normal operation |
JP1 |
Pins 1 & 2 closed |
|
CMOS memory clear |
JP1 |
Pins 2 & 3 closed | |
|
DIMM CONFIGURATION | |||
|
Size |
Bank 0 |
Bank 1 |
Bank 2 |
|
8MB |
(1) 1M x 64 |
None |
None |
|
16MB |
(1) 1M x 64 |
(1) 1M x 64 |
None |
|
16MB |
(1) 2M x 64 |
None |
None |
|
24MB |
(1) 1M x 64 |
(1) 1M x 64 |
(1) 1M x 64 |
|
32MB |
(1) 2M x 64 |
(1) 2M x 64 |
None |
|
32MB |
(1) 4M x 64 |
None |
None |
|
48MB |
(1) 2M x 64 |
(1) 2M x 64 |
(1) 2M x 64 |
|
64MB |
(1) 4M x 64 |
(1) 4M x 64 |
None |
|
64MB |
(1) 8M x 64 |
None |
None |
|
96MB |
(1) 4M x 64 |
(1) 4M x 64 |
(1) 4M x 64 |
|
128MB |
(1) 8M x 64 |
(1) 8M x 64 |
None |
|
128MB |
(1) 16M x 64 |
None |
None |
|
164MB |
(1) 16M x 64 |
(1) 1M x 64 |
None |
|
144MB |
(1) 16M x 64 |
(1) 1M x 64 |
(1) 1M x 64 |
|
DIMM CONFIGURATION (CON’T) | |||
|
Size |
Bank 0 |
Bank 1 |
Bank 2 |
|
144MB |
(1) 16M x 64 |
(1) 2M x 64 |
None |
|
160MB |
(1) 16M x 64 |
(1) 2M x 64 |
(1) 2M x 64 |
|
160MB |
(1) 16M x 64 |
(1) 4M x 64 |
None |
|
192MB |
(1) 16M x 64 |
(1) 4M x 64 |
(1) 4M x 64 |
|
192MB |
(1) 16M x 64 |
(1) 8M x 64 |
None |
|
192MB |
(1) 8M x 64 |
(1) 8M x 64 |
(1) 8M x 64 |
|
256MB |
(1) 16M x 64 |
(1) 8M x 64 |
(1) 8M x 64 |
|
256MB |
(1) 16M x 64 |
(1) 16M x 64 |
None |
|
256MB |
(1) 32M x 64 |
None |
None |
|
264MB |
(1) 32M x 64 |
(1) 1M x 64 |
None |
|
272MB |
(1) 32M x 64 |
(1) 1M x 64 |
(1) 1M x 64 |
|
272MB |
(1) 32M x 64 |
(1) 2M x 64 |
None |
|
288MB |
(1) 32M x 64 |
(1) 2M x 64 |
(1) 2M x 64 |
|
288MB |
(1) 32M x 64 |
(1) 4M x 64 |
None |
|
320MB |
(1) 32M x 64 |
(1) 4M x 64 |
(1) 4M x 64 |
|
320MB |
(1) 32M x 64 |
(1) 8M x 64 |
None |
|
384MB |
(1) 32M x 64 |
(1) 8M x 64 |
(1) 8M x 64 |
|
384MB |
(1) 32M x 64 |
(1) 16M x 64 |
None |
|
384MB |
(1) 16M x 64 |
(1) 16M x 64 |
(1) 16M x 64 |
|
512MB |
(1) 32M x 64 |
(1) 16M x 64 |
(1) 16M x 64 |
|
512MB |
(1) 32M x 64 |
(1) 32M x 64 |
None |
|
768MB |
(1) 32M x 64 |
(1) 32M x 64 |
(1) 32M x 64 |
|
Note: Board accepts EDO & SDRAM memory. | |||
|
CACHE CONFIGURATION | |
|
Size |
Bank 0 |
|
512KB |
(2) 64K x 32 |
|
1MB |
(2) 128K x 32 |
|
CPU SPEED SELECTION (CX 6X86) | |||
|
CPU speed |
Clock speed |
Multiplier |
J1 |
|
166MHz |
66MHz |
2x |
1 & 3, 4 & 6, 10 & 12 |
|
200MHz |
75MHz |
2x |
1 & 3, 4 & 6, 10 & 12 |
|
Note: Pins designated should be in the closed position. | |||
|
CPU SPEED SELECTION (IBM 6X86) | |||
|
CPU speed |
Clock speed |
Multiplier |
J1 |
|
166MHz |
66MHz |
2x |
1 & 3, 4 & 6, 10 & 12 |
|
200MHz |
75MHz |
2x |
1 & 3, 4 & 6, 10 & 12 |
|
Note: Pins designated should be in the closed position. | |||
|
CPU SPEED SELECTION (CX 6X86L) | |||
|
CPU speed |
Clock speed |
Multiplier |
J1 |
|
166MHz |
66MHz |
2x |
1 & 3, 4 & 6, 10 & 12 |
|
200MHz |
75MHz |
2x |
1 & 3, 4 & 6, 10 & 12 |
|
Note: Pins designated should be in the closed position. | |||
|
CPU SPEED SELECTION (CX 6X86L) | |||
|
CPU speed |
Clock speed |
Multiplier |
J1 |
|
166MHz |
66MHz |
2x |
1 & 3, 4 & 6, 10 & 12 |
|
200MHz |
75MHz |
2x |
1 & 3, 4 & 6, 10 & 12 |
|
Note: Pins designated should be in the closed position. | |||
|
CPU SPEED SELECTION (CX 6X86MX) | |||
|
CPU speed |
Clock speed |
Multiplier |
J1 |
|
166MHz |
66MHz |
2x |
1 & 3, 4 & 6, 10 & 12 |
|
200MHz |
66MHz |
2.5x |
3 & 5, 4 & 6, 10 & 12 |
|
233MHz |
66MHz |
3x |
2 & 4, 3 & 5, 10 & 12 |
|
200MHz |
75MHz |
2x |
1 & 3, 4 & 6, 10 & 12 |
|
233MHz |
75MHz |
2.5x |
3 & 5, 4 & 6, 10 & 12 |
|
300MHz |
75MHz |
3x |
2 & 4, 3 & 5, 10 & 12 |
|
Note: Pins designated should be in the closed position. | |||
|
CPU SPEED SELECTION (IBM 6X86MX) | |||
|
CPU speed |
Clock speed |
Multiplier |
J1 |
|
166MHz |
66MHz |
2x |
1 & 3, 4 & 6, 10 & 12 |
|
200MHz |
66MHz |
2.5x |
3 & 5, 4 & 6, 10 & 12 |
|
233MHz |
66MHz |
3x |
2 & 4, 3 & 5, 10 & 12 |
|
200MHz |
75MHz |
2x |
1 & 3, 4 & 6, 10 & 12 |
|
233MHz |
75MHz |
2.5x |
3 & 5, 4 & 6, 10 & 12 |
|
300MHz |
75MHz |
3x |
2 & 4, 3 & 5, 10 & 12 |
|
Note: Pins designated should be in the closed position. | |||
|
CPU SPEED SELECTION (CX MII) | |||
|
CPU speed |
Clock speed |
Multiplier |
J1 |
|
233MHz |
83MHz |
2x |
1 & 3, 4 & 6, 10 & 12 |
|
266MHz |
83MHz |
2.5x |
3 & 5, 4 & 6, 10 & 12 |
|
333MHz |
83MHz |
3x |
2 & 4, 3 & 5, 10 & 12 |
|
Note: Pins designated should be in the closed position. | |||
|
CPU SPEED SELECTION (IBM MII) | |||
|
CPU speed |
Clock speed |
Multiplier |
J1 |
|
233MHz |
83MHz |
2x |
1 & 3, 4 & 6, 10 & 12 |
|
266MHz |
83MHz |
2.5x |
3 & 5, 4 & 6, 10 & 12 |
|
333MHz |
83MHz |
3x |
2 & 4, 3 & 5, 10 & 12 |
|
Note: Pins designated should be in the closed position. | |||
|
CPU SPEED SELECTION (AM K5) | |||
|
CPU speed |
Clock speed |
Multiplier |
J1 |
|
100MHz |
66MHz |
1.5x |
1 & 3, 2 & 4, 10 & 12 |
|
133MHz |
66MHz |
2x |
1 & 3, 4 & 6, 10 & 12 |
|
166MHz |
66MHz |
2.5x |
3 & 5, 4 & 6, 10 & 12 |
|
Note: Pins designated should be in the closed position. | |||
|
CPU SPEED SELECTION (AM K6) | |||
|
CPU speed |
Clock speed |
Multiplier |
J1 |
|
166MHz |
66MHz |
2.5x |
3 & 5, 4 & 6, 10 & 12 |
|
200MHz |
66MHz |
3x |
2 & 4, 3 & 5, 10 & 12 |
|
233MHz |
66MHz |
3.5x |
1 & 3, 2 & 4, 10 & 12 |
|
266MHz |
66MHz |
4x |
1 & 3, 4 & 6, 12 & 14 |
|
300MHz |
66MHz |
4.5x |
3 & 5, 4 & 6, 12 & 14 |
|
Note: Pins designated should be in the closed position. | |||
|
CPU SPEED SELECTION (AM K6-2) | |||
|
CPU speed |
Clock speed |
Multiplier |
J1 |
|
300MHz |
100MHz |
3x |
2 & 4, 3 & 5, 10 & 12 |
|
333MHz |
95MHz |
3.5x |
1 & 3, 2 & 4, 10 & 12 |
|
350MHz |
100MHz |
3.5x |
1 & 3, 2 & 4, 10 & 12 |
|
Note: Pins designated should be in the closed position. | |||
|
CPU SPEED SELECTION (INTEL) | |||
|
CPU speed |
Clock speed |
Multiplier |
J1 |
|
100MHz |
66MHz |
1.5x |
1 & 3, 2 & 4, 10 & 12 |
|
133MHz |
66MHz |
2x |
1 & 3, 4 & 6, 10 & 12 |
|
166MHz |
66MHz |
2.5x |
3 & 5, 4 & 6, 10 & 12 |
|
200MHz |
66MHz |
3x |
2 & 4, 3 & 5, 10 & 12 |
|
Note: Pins designated should be in the closed position. | |||
|
CPU SPEED SELECTION (INTEL MMX) | |||
|
CPU speed |
Clock speed |
Multiplier |
J1 |
|
166MHz |
66MHz |
2.5x |
3 & 5, 4 & 6, 10 & 12 |
|
200MHz |
66MHz |
3x |
2 & 4, 3 & 5, 10 & 12 |
|
233MHz |
66MHz |
3.5x |
1 & 3, 2 & 4, 10 & 12 |
|
Note: Pins designated should be in the closed position. | |||
|
CPU VOLTAGE SELECTION (SINGLE) | ||
|
Voltage |
JP5 | |
| » |
3.3v |
Pins 1 & 2 closed |
|
3.52v |
Pins 3 & 4 closed | |
|
CPU VOLTAGE SELECTION (DUAL) | |||||
|
Voltage |
VID0 |
VID1 |
VID2 |
VID3 | |
|
1.2v |
Pins 2 & 3 closed |
Pins 2 & 3 closed |
Pins 2 & 3 closed |
Pins 2 & 3 closed | |
|
2.1v |
Pins 1 & 2 closed |
Pins 2 & 3 closed |
Pins 2 & 3 closed |
Pins 2 & 3 closed | |
|
2.2v |
Pins 2 & 3 closed |
Pins 1 & 2 closed |
Pins 2 & 3 closed |
Pins 2 & 3 closed | |
|
2.3v |
Pins 1 & 2 closed |
Pins 1 & 2 closed |
Pins 2 & 3 closed |
Pins 2 & 3 closed | |
|
2.4v |
Pins 2 & 3 closed |
Pins 2 & 3 closed |
Pins 1 & 2 closed |
Pins 2 & 3 closed | |
|
2.5v |
Pins 1 & 2 closed |
Pins 2 & 3 closed |
Pins 1 & 2 closed |
Pins 2 & 3 closed | |
|
2.6v |
Pins 2 & 3 closed |
Pins 1 & 2 closed |
Pins 1 & 2 closed |
Pins 2 & 3 closed | |
|
2.7v |
Pins 1 & 2 closed |
Pins 1 & 2 closed |
Pins 1 & 2 closed |
Pins 2 & 3 closed | |
| » |
2.8v |
Pins 2 & 3 closed |
Pins 2 & 3 closed |
Pins 2 & 3 closed |
Pins 1 & 2 closed |
|
2.9v |
Pins 1 & 2 closed |
Pins 2 & 3 closed |
Pins 2 & 3 closed |
Pins 1 & 2 closed | |
|
3.0v |
Pins 2 & 3 closed |
Pins 1 & 2 closed |
Pins 2 & 3 closed |
Pins 1 & 2 closed | |
|
3.1v |
Pins 1 & 2 closed |
Pins 1 & 2 closed |
Pins 2 & 3 closed |
Pins 1 & 2 closed | |
|
3.2v |
Pins 2 & 3 closed |
Pins 2 & 3 closed |
Pins 1 & 2 closed |
Pins 1 & 2 closed | |
|
3.3v |
Pins 1 & 2 closed |
Pins 2 & 3 closed |
Pins 1 & 2 closed |
Pins 1 & 2 closed | |
|
3.4v |
Pins 2 & 3 closed |
Pins 1 & 2 closed |
Pins 1 & 2 closed |
Pins 1 & 2 closed | |
|
3.5v |
Pins 1 & 2 closed |
Pins 1 & 2 closed |
Pins 1 & 2 closed |
Pins 1 & 2 closed | |
|
AGP/PCI SPEED SELECTION | ||||||
|
System bus |
AGP bus |
PCI bus |
J1 |
JP3 |
JP4 | |
| » |
66MHz |
66MHz |
33MHz |
9 & 11, 19 & 21, 20 & 22 |
2 & 3 |
1 & 2 |
|
75MHz |
75MHz |
37MHz |
9 & 11, 18 & 20, 19 & 21 |
2 & 3 |
1 & 2 | |
|
83MHz |
66MHz |
33MHz |
9 & 11, 17 & 19, 20 & 22 |
1 & 2 |
1 & 2 | |
|
95MHz |
64MHz |
32MHz |
11 & 13, 17 & 19, 18 & 20 |
1 & 2 |
2 & 3 | |
|
100MHz |
66MHz |
33MHz |
9 & 11, 17 & 19, 18 & 20 |
1 & 2 |
2 & 3 | |
|
112MHz |
75MHz |
37MHz |
11 & 13, 19 & 21, 20 & 22 |
1 & 2 |
2 & 3 | |
|
124MHz |
83MHz |
41MHz |
11 & 13, 18 & 20, 19 & 21 |
1 & 2 |
2 & 3 | |
|
Note: Pins designated should be in the closed position. | ||||||