SOYO COMPUTER CO., LTD.

5TS0/S2/S5

Processor

CX M1/AM K5/Pentium

Processor Speed

75/90/100/120/133/150/166/180/200MHz

Chip Set

Intel

Video Chip Set

S3

Maximum Onboard Memory

256MB (EDO supported)

Maximum Video Memory

2MB

Cache

256/512KB

BIOS

Award

Dimensions

330mm x 218mm

I/O Options

32-bit PCI slots (3), bus mouse port, floppy drive interface, IDE interfaces (2), parallel port, PS/2 mouse port, serial ports (2), VRM connector, USB connectors (2), VGA port, line out connector, TT connector, MPEG connector

NPU Options

None

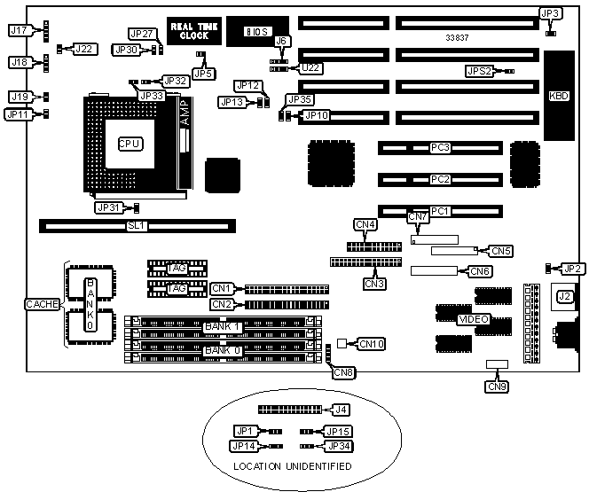
CONNECTIONS

Purpose

Location

Purpose

Location

IDE interface 2

CN1

VRM connector

J4

IDE interface 1

CN2

USB connector

J6

Floppy drive interface

CN3

Power LED & keylock

J17

Parallel port

CN4

Speaker

J18

Serial ports, VGA, line out connector

CN5

Reset switch

J19

MPEG connector (optional)

CN6

Turbo LED

J22

TT connector

CN7

IDE interface LED

JP11

Line out connector

CN8

32-bit PCI slots

PC1 - PC3

MPEG connector (optional)

CN9

Cache slot

SL1

MPEG connector (optional)

CN10

USB connector

U22

PS/2 mouse port

J2

   

USER CONFIGURABLE SETTINGS

Function

Label

Position

»

Factory configured - do not alter

JP1

Pins 2 & 3 closed

»

Factory configured - do not alter

JP2

Closed

»

Monitor type select EGA/VGA

JP3

Closed

 

Monitor type select monochrome

JP3

Open

»

CMOS memory normal operation

JP5

Open

 

CMOS memory clear

JP5

Closed

»

Factory configured - do not alter

JP14

Pins 2 & 3 closed

»

Factory configured - do not alter

JP15

Pins 2 & 3 closed

»

Factory configured - do not alter

JP34

Pins 2 & 3 closed

»

Factory configured - do not alter

JP35

Closed

»

PS/2 mouse disabled

JPS2

Open

 

PS/2 mouse enabled

JPS2

Closed

DRAM CONFIGURATION

Size

Bank 0

Bank 1

4MB

(2) 512K x 36

None

8MB

(2) 1M x 36

None

8MB

(2) 512K x 36

(2) 512K x 36

12MB

(2) 1M x 36

(2) 512K x 36

16MB

(2) 2M x 36

None

16MB

(2) 1M x 36

(2) 1M x 36

20MB

(2) 512K x 36

(2) 2M x 36

24MB

(2) 2M x 36

(2) 1M x 36

32MB

(2) 4M x 36

None

32MB

(2) 2M x 36

(2) 2M x 36

36MB

(2) 512K x 36

(2) 4M x 36

40MB

(2) 4M x 36

(2) 1M x 36

48MB

(2) 2M x 36

(2) 4M x 36

DRAM CONFIGURATION (CON’T)

Size

Bank 0

Bank 1

64MB

(2) 8M x 36

None

64MB

(2) 4M x 36

(2) 4M x 36

68MB

(2) 512K x 36

(2) 8M x 36

72MB

(2) 8M x 36

(2) 1M x 36

80MB

(2) 2M x 36

(2) 8M x 36

96MB

(2) 8M x 36

(2) 4M x 36

128MB

(2) 8M x 36

(2) 8M x 36

128MB

(2) 16M x 36

None

256MB

(2) 16M x 36

(2) 16M x 36

Note: Board accepts EDO memory. Board also accepts x 32 SIMMs. Banks are interchangeable.

CACHE CONFIGURATION

Size

Bank 0

SL1

TAG

256KB

(2) 32K x 32

Not installed

(2) 16K x 8

256KB

None

256KB module installed

(2) 16K x 8

512KB

(2) 32K x 32

256KB module installed

(2) 16K x 8

CACHE JUMPER CONFIGURATION

Size

JP31

256KB

Open

512KB

Closed

CPU SPEED SELECTION (CYRIX)

CPU speed

Clock speed

Multiplier

JP12

JP13

JP32

JP33

120MHz

50MHz

2x

Closed

Closed

Closed

Open

133MHz

55MHz

2x

Open

Open

Closed

Open

150MHz

60MHz

2x

Closed

Open

Closed

Open

166MHz

66MHz

2x

Open

Closed

Closed

Open

CPU SPEED SELECTION (AMD)

CPU speed

Clock speed

Multiplier

JP12

JP13

JP32

JP33

75MHz

50MHz

1.5x

Closed

Closed

Open

Open

90MHz

55MHz

1.5x

Open

Open

Open

Open

90MHz

60MHz

1.5x

Closed

Open

Open

Open

100MHz

55MHz

1.5x

Open

Open

Open

Open

100MHz

66MHz

1.5x

Open

Closed

Open

Open

120MHz

60MHz

1.5x

Closed

Open

Open

Open

133MHz

66MHz

1.5x

Open

Closed

Open

Open

150MHz

50MHz

2x

Closed

Open

Closed

Open

166MHz

66MHz

2x

Open

Closed

Closed

Open

CPU SPEED SELECTION (INTEL)

CPU speed

Clock speed

Multiplier

JP12

JP13

JP32

JP33

75MHz

50MHz

1.5x

Closed

Closed

Open

Open

90MHz

60MHz

1.5x

Closed

Open

Open

Open

100MHz

66MHz

1.5x

Open

Closed

Open

Open

100MHz

50MHz

2x

Closed

Closed

Closed

Open

120MHz

60MHz

2x

Closed

Open

Closed

Open

133MHz

66MHz

2x

Open

Closed

Closed

Open

150MHz

60MHz

2.5x

Closed

Open

Closed

Closed

166MHz

66MHz

2.5x

Open

Closed

Closed

Closed

180MHz

60MHz

3x

Closed

Open

Open

Closed

200MHz

66MHz

3x

Open

Closed

Open

Closed

CPU VOLTAGE SELECTION

Voltage

JP27

JP30

»

3.3v (STD & VR)

Open

Closed

 

3.45 - 3.6v (VRE)

Closed

Open