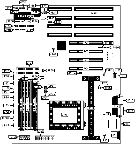
SUPER MICRO
P6SKE
|
Processor |
Pentium Pro/Pentium II |
|
Processor Speed |
150/166/180/200/233/266/300/333/366/400MHz |
|
Chip Set |
Intel |
|
Video Chip Set |
None |
|
Maximum Onboard Memory |
768MB (EDO supported) |
|
Maximum Video Memory |
None |
|
Cache |
256/512KB (located on Pentium Pro/Pentium II CPU) |
|
BIOS |
AMI |
|
Dimensions |
305mm x 244mm |
|
I/O Options |
32-bit PCI slots (4), floppy drive interface, IDE interfaces (2), parallel port, PS/2 mouse port, serial ports (2), IR connector, USB connector, ATX power connector |
|
NPU Options |
None |
|
CONNECTIONS | |||
|
Purpose |
Location |
Purpose |
Location |
|
ATX power connector |
ATX |
Power LED & keylock |
JP20 |
|
Chassis fan power |
FAN1 |
Reset switch |
JP21 |
|
Chassis fan power |
FAN2 |
Green PC connector |
JP39 |
|
IDE interface 1 |
J11 |
Fan replacement buzzer |
JP89 |
|
IDE interface 2 |
J12 |
Overheat LED |
JP90 |
|
3.3v power |
J21A |
Backup cooling fan power |
JP91 |
|
Speaker |
J22 |
Backup cooling fan power |
JP92 |
|
IDE interface LED |
J23 |
Backup cooling fan power |
JP93 |
|
USB connector |
J34 |
IR connector |
JP96 |
|
PS/2 mouse port |
J82 |
External battery |
JP881 |
|
Floppy drive interface |
J85 |
Soft off power supply |
JP882 |
|
Parallel port |
J817 |
32-bit PCI slots |
PC1 – PC4 |
|
Serial port 1 |
J818 |
SCSI interface LED |
JA3 |
|
Serial port 2 |
J824 | ||
|
USER CONFIGURABLE SETTINGS | |||
|
Function |
Label |
Position | |
|
» |
Factory configured - do not alter |
J1 |
Unidentified |
|
» |
Factory configured - do not alter |
J35 |
Unidentified |
|
» |
Factory configured - do not alter |
J36 |
Unidentified |
|
» |
Factory configured - do not alter |
J86 |
Pins 1 & 2 closed |
|
» |
Factory configured - do not alter |
J88 |
Pins 1 & 2 closed |
|
» |
Factory configured - do not alter |
J827 |
Closed |
|
» |
Factory configured - do not alter |
J828 |
Closed |
|
» |
Factory configured - do not alter |
J829 |
Closed |
|
» |
Factory configured - do not alter |
J980 |
Unidentified |
|
» |
Factory configured - do not alter |
JP15 |
Pins 2 & 3 closed |
|
» |
Factory configured - do not alter |
JP26 |
Open |
|
» |
Factory configured - do not alter |
JP27 |
Closed |
|
» |
Factory configured - do not alter |
JP35 |
Unidentified |
|
» |
Factory configured - do not alter |
JP38 |
Open |
|
» |
ISA CLK = PCI CLK/4 |
JP42 |
Closed |
|
ISA CLK = PCI CLK/3 |
JP42 |
Open | |
|
» |
Buzzer control select standby |
JP88 |
Closed |
|
Buzzer control select disabled |
JP88 |
Open | |
|
» |
Factory configured - do not alter |
JP94 |
Unidentified |
|
» |
Factory configured - do not alter |
JP97 |
Unidentified |
|
» |
CMOS memory normal operation |
JP880 |
Pins 1 & 2 closed |
|
CMOS memory clear |
JP880 |
Pins 2 & 3 closed | |
|
SIMM CONFIGURATION | |||
|
Size |
Bank 0 |
Bank 1 |
Bank 2 |
|
8MB |
(2) 1M x 36 |
None |
None |
|
16MB |
(2) 1M x 36 |
(2) 1M x 36 |
None |
|
16MB |
(2) 2M x 36 |
None |
None |
|
24MB |
(2) 2M x 36 |
(2) 1M x 36 |
None |
|
24MB |
(2) 1M x 36 |
(2) 1M x 36 |
(2) 1M x 36 |
|
32MB |
(2) 4M x 36 |
None |
None |
|
32MB |
(2) 2M x 36 |
(2) 2M x 36 |
None |
|
40MB |
(2) 4M x 36 |
(2) 1M x 36 |
None |
|
48MB |
(2) 4M x 36 |
(2) 2M x 36 |
None |
|
48MB |
(2) 4M x 36 |
(2) 1M x 36 |
(2) 1M x 36 |
|
56MB |
(2) 4M x 36 |
(2) 2M x 36 |
(2) 1M x 36 |
|
64MB |
(2) 8M x 36 |
None |
None |
|
64MB |
(2) 4M x 36 |
(2) 4M x 36 |
None |
|
80MB |
(2) 8M x 36 |
(2) 2M x 36 |
None |
|
80MB |
(2) 8M x 36 |
(2) 1M x 36 |
(2) 1M x 36 |
|
88MB |
(2) 8M x 36 |
(2) 2M x 36 |
(2) 1M x 36 |
|
96MB |
(2) 8M x 36 |
(2) 4M x 36 |
None |
|
96MB |
(2) 4M x 36 |
(2) 4M x 36 |
(2) 4M x 36 |
|
96MB |
(2) 8M x 36 |
(2) 2M x 36 |
(2) 2M x 36 |
|
104MB |
(2) 8M x 36 |
(2) 4M x 36 |
(2) 1M x 36 |
|
112MB |
(2) 8M x 36 |
(2) 4M x 36 |
(2) 2M x 36 |
|
128MB |
(2) 8M x 36 |
(2) 4M x 36 |
(2) 4M x 36 |
|
128MB |
(2) 16M x 36 |
None |
None |
|
128MB |
(2) 8M x 36 |
(2) 8M x 36 |
None |
|
136MB |
(2) 16M x 36 |
(2) 1M x 36 |
None |
|
144MB |
(2) 16M x 36 |
(2) 2M x 36 |
None |
|
144MB |
(2) 16M x 36 |
(2) 1M x 36 |
(2) 1M x 36 |
|
152MB |
(2) 16M x 36 |
(2) 2M x 36 |
(2) 1M x 36 |
|
160MB |
(2) 16M x 36 |
(2) 4M x 36 |
None |
|
160MB |
(2) 16M x 36 |
(2) 2M x 36 |
(2) 2M x 36 |
|
192MB |
(2) 16M x 36 |
(2) 8M x 36 |
None |
|
208MB |
(2) 16M x 36 |
(2) 8M x 36 |
(2) 2M x 36 |
|
224MB |
(2) 16M x 36 |
(2) 8M x 36 |
(2) 4M x 36 |
|
256MB |
(2) 16M x 36 |
(2) 16M x 36 |
None |
|
256MB |
(2) 16M x 36 |
(2) 8M x 36 |
(2) 8M x 36 |
|
256MB |
(2) 32M x 36 |
None |
None |
|
264MB |
(2) 16M x 36 |
(2) 16M x 36 |
(2) 1M x 36 |
|
272MB |
(2) 16M x 36 |
(2) 16M x 36 |
(2) 2M x 36 |
|
288MB |
(2) 16M x 36 |
(2) 16M x 36 |
(2) 4M x 36 |
|
320MB |
(2) 16M x 36 |
(2) 16M x 36 |
(2) 8M x 36 |
|
384MB |
(2) 16M x 36 |
(2) 16M x 36 |
(2) 16M x 36 |
|
512MB |
(2) 32M x 36 |
(2) 32M x 36 |
None |
|
768MB |
(2) 32M x 36 |
(2) 32M x 36 |
(2) 32M x 36 |
|
Note: Board accepts EDO memory. | |||
|
CACHE CONFIGURATION |
|
Note: 256KB/512KB cache is located on the Pentium Pro/Pentium II CPU. |
|
CPU SPEED SELECTION (PENTIUM II) | ||||||
|
CPU speed |
JP29 |
JP30 |
JP31 |
JP32 |
JP36 |
JP37 |
|
233MHz |
Open |
Open |
Closed |
Closed |
Open |
Closed |
|
266MHz |
Closed |
Closed |
Open |
Closed |
Open |
Closed |
|
300MHz |
Open |
Closed |
Open |
Closed |
Open |
Closed |
|
333MHz |
Closed |
Open |
Open |
Closed |
Open |
Closed |
|
366MHz |
Open |
Open |
Open |
Closed |
Open |
Closed |
|
400MHz |
Closed |
Closed |
Closed |
Open |
Open |
Closed |
|
CPU SPEED SELECTION (PENTIUM PRO) | ||||||
|
CPU speed |
JP29 |
JP30 |
JP31 |
JP32 |
JP36 |
JP37 |
|
150MHz |
Open |
Closed |
Closed |
Closed |
Closed |
Open |
|
166MHz |
Open |
Closed |
Closed |
Closed |
Open |
Closed |
|
180MHz |
Closed |
Open |
Closed |
Closed |
Closed |
Open |
|
200MHz |
Closed |
Open |
Closed |
Closed |
Open |
Closed |
|
CPU TYPE SELECTION | |
|
Type |
JP884 |
|
Pentium II |
Open |
|
Pentium Pro |
Closed |
|
THERMAL CONTROL SELECTION | ||
|
Temperature |
JP95 | |
|
48C |
Pins 1 & 2 closed | |
| » |
68C |
Pins 2 & 3 closed |
|
Note: Depending on temperature selected, a backup fan or alarm will sound, letting user know the system is overheating. | ||