SOLTEK COMPUTER, INC.
SL-67A
|
Device Type |
Mainboard |
|
Processor |
Pentium II/Deschutes |
|
Processor Speed |
233/266/300/333/350/400/450/500MHz |
|
Chip Set |
Intel 440BX |
|
Maximum Onboard Memory |
768MB (EDO & SDRAM supported) |
|
Cache |
256/512KB |
|
BIOS |
Award |
|
I/O Options |
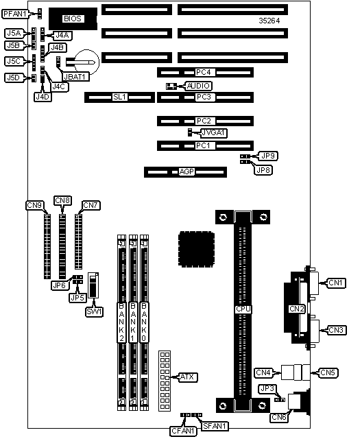
32-bit PCI slots (4), floppy drive interface, IDE interfaces (2), parallel port, PS/2 mouse port, serial ports (2), green PC connector, USB connectors (2), AGP slot, RAID slot, IR connector, ATX power connector |
|
Dimensions |
305mm x 220mm |
|
CONNECTIONS | |||
|
Purpose |
Location |
Purpose |
Location |
|
AGP slot |
AGP |
Chassis fan |
PFAN1 |
|
ATX power connector |
ATX |
Power fan |
SFAN1 |
|
SoundBlast PCI socket |
AUDIO |
IDE interface LED |
J4A |
|
Serial port 2 |
CN1 |
IR connector |
J4B |
|
Parallel port |
CN2 |
Power switch |
J4C |
|
Serial port 1 |
CN3 |
Green PC switch |
J4D |
|
USB connector 2 |
CN4 |
Speaker |
J5A |
|
USB connector 1 |
CN5 |
Reset switch |
J5B |
|
PS/2 mouse port |
CN6 |
Power LED & keylock |
J5C |
|
Floppy drive interface |
CN7 |
Green PC LED |
J5D |
|
IDE interface 2 |
CN8 |
32-bit PCI slots |
PC1 - PC4 |
|
IDE interface 1 |
CN9 |
RAID slot |
SL1 |
|
CPU fan |
CFAN1 | ||
|
USER CONFIGURABLE SETTINGS | |||
|
Function |
Label |
Position | |
|
» |
CMOS normal operation |
JBAT1 |
Pins 1 & 2 closed |
|
CMOS clear |
JBAT1 |
Pins 2 & 3 closed | |
|
» |
Keyboard power on enabled |
JP3 |
Pins 2 & 3 closed |
|
Keyboard power on disabled |
JP3 |
Pins 1 & 2 closed | |
|
» |
Normal VGA card |
JVGA1 |
Closed |
|
Special VGA card |
JVGA1 |
Open | |
|
DIP SWITCH/JUMPERLESS SELECTION | |||
|
CPU Clock Setting |
JP5 |
JP6 | |
| » |
DIP SW1 enabled |
Pins 2 & 3 closed |
Pins 2 & 3 closed |
|
BIOS setting enabled |
Pins 1 & 2 closed |
Pins 1 & 2 closed | |
|
USB PORT SELECTION | |||
|
USB Port |
JP8 |
JP9 | |
| » |
Redirect all USB ports to USB connector |
Pins 1 & 2 closed |
Pins 1 & 2 closed |
|
Redirect USB1 to AGP port |
Pins 2 & 3 closed |
Pins 2 & 3 closed | |
|
DRAM CONFIGURATION | |||
|
Size |
Bank 0 |
Bank 1 |
Bank 2 |
|
8MB |
(2) 1MB x 36 |
None |
None |
|
16MB |
(2) 1MB x 36 |
(1) 1MB x 64 |
None |
|
16MB |
(2) 2MB x 36 |
None |
None |
|
24MB |
(2) 1MB x 36 |
(1) 1MB x 64 |
(1) 1MB x 64 |
|
24MB |
(2) 2MB x 36 |
(1) 1MB x 64 |
None |
|
32MB |
(2) 2MB x 36 |
(1) 2MB x 64 |
None |
|
32MB |
(2) 4MB x 64 |
None |
None |
|
40MB |
(2) 2MB x 36 |
(1) 2MB x 64 |
(1) 1MB x 64 |
|
40MB |
(2) 4MB x 36 |
(1) 1MB x 64 |
None |
|
48MB |
(2) 2MB x 36 |
(1) 2MB x 64 |
(1) 2MB x 64 |
|
48MB |
(2) 4MB x 36 |
(1) 2MB x 64 |
None |
|
64MB |
(2) 4MB x 36 |
(1) 4MB x 64 |
None |
|
64MB |
(2) 8MB x 36 |
None |
None |
|
72MB |
(2) 4MB x 36 |
(1) 4MB x 64 |
(1) 1MB x 64 |
|
72MB |
(2) 8MB x 36 |
(1) 1MB x 64 |
None |
|
80MB |
(2) 4MB x 36 |
(1) 4MB x 64 |
(1) 2MB x 64 |
|
80MB |
(2) 8MB x 36 |
(1) 2MB x 64 |
None |
|
96MB |
(2) 4MB x 36 |
(1) 4MB x 64 |
(1) 4MB x 64 |
|
96MB |
(2) 8MB x 36 |
(1) 4MB x 64 |
None |
|
128MB |
(2) 8MB x 36 |
(1) 8MB x 64 |
None |
|
128MB |
(2) 16MB x 36 |
None |
None |
|
136MB |
(2) 8MB x 36 |
(1) 8MB x 64 |
(1) 1MB x 64 |
|
136MB |
(2) 16MB x 36 |
(1) 1MB x 64 |
None |
|
144MB |
(2) 8MB x 36 |
(1) 8MB x 64 |
(1) 2MB x 64 |
|
144MB |
(2) 16MB x 36 |
(1) 2MB x 64 |
None |
|
160MB |
(2) 8MB x 36 |
(1) 8MB x 64 |
(1) 4MB x 64 |
|
160MB |
(2) 16MB x 36 |
(1) 4MB x 64 |
None |
|
196MB |
(2) 8MB x 36 |
(1) 8MB x 64 |
(1) 8MB x 64 |
|
196MB |
(2) 16MB x 36 |
(1) 8MB x 64 |
None |
|
256MB |
(2) 16MB x 36 |
(1) 16MB x 64 |
None |
|
256MB |
(2) 32MB x 36 |
None |
None |
|
264MB |
(2) 32MB x 36 |
(1) 1MB x 64 |
None |
|
272MB |
(2) 32MB x 36 |
(1) 2MB x 64 |
None |
|
288MB |
(2) 32MB x 36 |
(1) 4MB x 64 |
None |
|
320MB |
(2) 32MB x 36 |
(1) 8MB x 64 |
None |
|
384MB |
(2) 32MB x 36 |
(1) 16MB x 64 |
None |
|
512MB |
(2) 32MB x 36 |
(1) 32MB x 64 |
None |
|
520MB |
(2) 32MB x 36 |
(1) 32MB x 64 |
(1) 1MB x 64 |
|
528MB |
(2) 32MB x 36 |
(1) 32MB x 64 |
(1) 2MB x 64 |
|
544MB |
(2) 32MB x 36 |
(1) 32MB x 64 |
(1) 4MB x 64 |
|
576MB |
(2) 32MB x 36 |
(1) 32MB x 64 |
(1) 8MB x 64 |
|
640MB |
(2) 32MB x 36 |
(1) 32MB x 64 |
(1) 16MB x 64 |
|
768MB |
(2) 32MB x 36 |
(1) 32MB x 64 |
(1) 32MB x 64 |
|
CACHE CONFIGURATION |
|
Note: 256/512KB cache is located on the Pentium II/Deschutes CPU. |
|
CPU SPEED SELECTION (PENTIUM II) | ||||||||
|
CPU Speed |
Clock speed |
Multiplier |
SW1/1 |
SW1/2 |
SW1/3 |
SW1/4 |
SW1/5 |
SW1/6 |
|
233MHz |
66MHz |
3.5x |
On |
Off |
Off |
On |
On |
Off |
|
266MHz |
66MHz |
4x |
Off |
On |
On |
On |
On |
Off |
|
300MHz |
66MHz |
4.5x |
Off |
On |
Off |
On |
On |
Off |
|
333MHz |
66MHz |
5x |
Off |
Off |
On |
On |
On |
Off |
|
Note: SW1/5 and SW1/6 control Bus Clock Speed. Default setting is Auto Detect, with SW1/5 Off, and SW1/6 On | ||||||||
|
CPU SPEED SELECTION (DESCHUTES) | ||||||||
|
CPU Speed |
Clock speed |
Multiplier |
SW1/1 |
SW1/2 |
SW1/3 |
SW1/4 |
SW1/5 |
SW1/6 |
|
350MHz |
100MHz |
3.5x |
On |
Off |
Off |
On |
Off |
Off |
|
400MHz |
100MHz |
4x |
Off |
On |
On |
On |
Off |
Off |
|
450MHz |
100MHz |
4.5x |
Off |
On |
Off |
On |
Off |
Off |
|
500MHz |
100MHz |
5x |
Off |
Off |
On |
On |
Off |
Off |
|
Note: SW1/5 and SW1/6 control Bus Clock Speed. Default setting is Auto Detect, with SW1/5 Off, and SW1/6 On | ||||||||