SUPER MICRO

P6SLE

Device Type

Mainboard

Processor

Pentium II

Processor Speed

233/266/300/333MHz

Chip Set

Intel 440LX

Maximum Onboard Memory

768MB (EDO & SDRAM supported)

Cache

256/512KB (located on the Pentium II CPU)

BIOS

AMI

Dimensions

330mm x 218mm

I/O Options

32-bit PCI slots (4), floppy drive interface, IDE interfaces (2), parallel port, PS/2 mouse port, serial ports (2), IR connector, USB connectors (2), ATX power connector, AGP slot

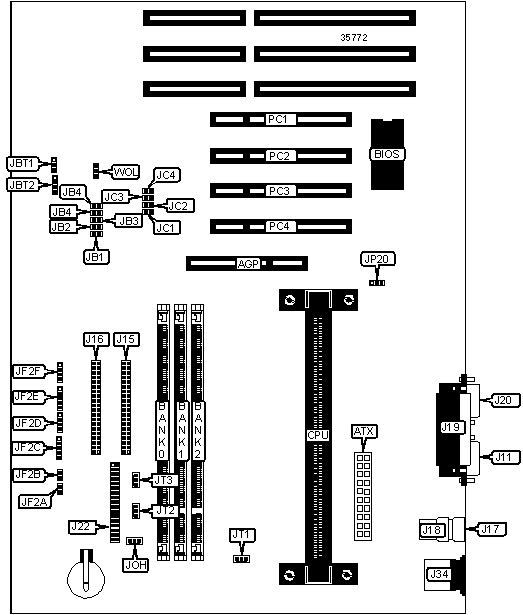
CONNECTIONS

Purpose

Location

Purpose

Location

AGP slot

AGP

Soft off power supply

JF2B

ATX power connector

ATX

IR connector

JF2C

Serial port 2

J11

Speaker

JF2D

IDE interface 1

J15

Power LED & keylock

JF2E

IDE interface 2

J16

IDE interface LED

JF2F

USB connector 2

J17

Chassis intrusion connector

JL1

USB connector 1

J18

CPU fan power

JOH

Parallel port

J19

CPU fan power

JT1

Serial port 1

J20

CPU fan power

JT2

Floppy drive interface

J22

Overheat fan power

JT3

PS/2 mouse port

J34

32-bit PCI slots

PC1 - PC4

Reset switch

JF2A

Wake on LAN connector

WOL

USER CONFIGURABLE SETTINGS

Function

Label

Position

»

CMOS memory normal operation

JBT1

Pins 1 & 2 closed

 

CMOS memory clear

JBT1

Pins 2 & 3 closed

 

PII x 4 CTL

JP20

Pins 1 & 2 closed

»

Save PD state

JP20

Pins 2 & 3 closed

DIMM CONFIGURATION

Size

Bank 0

Bank 1

8MB

(1) 1M x 64

None

16MB

(1) 2M x 64

None

16MB

(1) 1M x 64

(1) 1M x 64

24MB

(1) 2M x 64

(1) 1M x 64

32MB

(1) 4M x 64

None

32MB

(1) 2M x 64

(1) 2M x 64

40MB

(1) 4M x 64

(1) 1M x 64

48MB

(1) 4M x 64

(1) 2M x 64

64MB

(1) 8M x 64

None

64MB

(1) 4M x 64

(1) 4M x 64

72MB

(1) 8M x 64

(1) 1M x 64

80MB

(1) 8M x 64

(1) 2M x 64

96MB

(1) 8M x 64

(1) 4M x 64

DIMM CONFIGURATION (NEEDING 256MB)

Size

Bank 0

Bank 1

128MB

(1) 16M x 64

None

128MB

(1) 8M x 64

(1) 8M x 64

136MB

(1) 16M x 64

(1) 1M x 64

144MB

(1) 16M x 64

(1) 2M x 64

160MB

(1) 16M x 64

(1) 4M x 64

192MB

(1) 16M x 64

(1) 8M x 64

256MB

(1) 16M x 64

(1) 16M x 64

256MB

(1) 32M x 64

None

264MB

(1) 32M x 64

(1) 1M x 64

272MB

(1) 32M x 64

(1) 2M x 64

288MB

(1) 32M x 64

(1) 4M x 64

320MB

(1) 32M x 64

(1) 8M x 64

384MB

(1) 32M x 64

(1) 16M x 64

512MB

(1) 32M x 64

(1) 32M x 64

CACHE CONFIGURATION

The 256/512KB cache is located on the Pentium II CPU.

CPU SPEED SELECTION (INTEL)

CPU speed

Clock speed

Multiplier

JB1

JB2

JB3

JB4

233MHz

66MHz

3.5x

Open

Open

Closed

Closed

266MHz

66MHz

4x

Closed

Closed

Open

Closed

300MHz

66MHz

4.5x

Open

Closed

Open

Closed

333MHz

66MHz

5x

Closed

Open

Open

Closed

CPU SPEED SELECTION (INTEL CONT’)

CPU speed

Clock speed

Multiplier

JC1

JC2

JC3

233MHz

66MHz

3.5x

Open

Open

Open

266MHz

66MHz

4x

Open

Open

Open

300MHz

66MHz

4.5x

Open

Open

Open

333MHz

66MHz

5x

Open

Open

Open