TOTEM TECHNOLOGY CO., LTD.
TM-P2EXAT
|
Device Type |
Mainboard |
|
Processor |
Pentium |
|
Processor Speed |
233/266/300/333/366/400MHz |
|
Chip Set |
Intel 440EX |
|
Maximum Onboard Memory |
256MB (EDO & SDRAM supported) |
|
Cache |
256/512KB (located on Pentium II CPU) |
|
BIOS |
Award |
|
Dimensions |
220mm x 200mm |
|
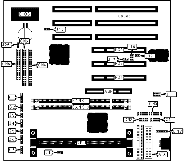
I/O Options |
32-bit PCI slots (3), floppy drive interface, IDE interfaces (2), parallel port, PS/2 mouse interface, serial ports (2), IR connector, USB connector, ATX power connector, AGP slot, SB-link connector |
|
CONNECTIONS | |||
|
Purpose |
Location |
Purpose |
Location |
|
AGP slot |
AGP |
Parallel port |
CN3 |
|
ATX power connector |
ATX |
IDE interface 1 |
CN4 |
|
IR connector |
C1 |
IDE interface 2 |
CN5 |
|
IR connector |
C2 |
Floppy drive interface |
CN6 |
|
Soft off power supply |
C3 |
PS/2 mouse interface |
CN7 |
|
IDE interface LED |
C4 |
Voltage O/P sensor |
J1 |
|
Reset switch |
C5 |
USB connector |
J11 |
|
Power LED & keylock |
C6 |
Chassis fan power |
J15 |
|
Speaker |
C7 |
SB-link connector |
J16 |
|
Serial port 2 |
CN1 |
32-bit PCI slots |
PC1 – PC3 |
|
Serial port 1 |
CN2 | ||
|
  USER CONFIGURABLE SETTINGS | |||
|
Function |
Label |
Position | |
|
» |
Factory configured - do not alter |
J17 |
Unidentified |
|
» |
Factory configured - do not alter |
J19 |
Unidentified |
|
» |
CMOS memory normal operation |
J25 |
Pins 1 & 2 closed |
|
CMOS memory clear |
J25 |
Pins 2 & 3 closed | |
|
DIMM CONFIGURATION | ||
|
Size |
Bank 0 |
Bank 1 |
|
8MB |
(1) 1M x 64 |
None |
|
16MB |
(1) 2M x 64 |
None |
|
16MB |
(1) 1M x 64 |
(1) 1M x 64 |
|
24MB |
(1) 2M x 64 |
(1) 1M x 64 |
|
32MB |
(1) 4M x 64 |
None |
|
32MB |
(1) 2M x 64 |
(1) 2M x 64 |
|
40MB |
(1) 4M x 64 |
(1) 1M x 64 |
|
48MB |
(1) 4M x 64 |
(1) 2M x 64 |
|
64MB |
(1) 8M x 64 |
None |
|
64MB |
(1) 4M x 64 |
(1) 4M x 64 |
|
72MB |
(1) 8M x 64 |
(1) 1M x 64 |
|
80MB |
(1) 8M x 64 |
(1) 2M x 64 |
|
96MB |
(1) 8M x 64 |
(1) 4M x 64 |
|
128MB |
(1) 16M x 64 |
None |
|
128MB |
(1) 8M x 64 |
(1) 8M x 64 |
|
136MB |
(1) 16M x 64 |
(1) 1M x 64 |
|
DIMM CONFIGURATION (CON’T) | ||
|
Size |
Bank 0 |
Bank 1 |
|
144MB |
(1) 16M x 64 |
(1) 2M x 64 |
|
160MB |
(1) 16M x 64 |
(1) 4M x 64 |
|
192MB |
(1) 16M x 64 |
(1) 8M x 64 |
|
256MB |
(1) 16M x 64 |
(1) 16M x 64 |
|
Note: Board accepts EDO & SDRAM memory. | ||
|
CACHE CONFIGURATION |
|
Note: 256KB/512KB cache is located on the Pentium II CPU. |