ACCULAN CORPORATION
EN-2000PNP
|
NIC Type |
Ethernet |
|
Network Transfer Rate |
10Mbps |
|
Data Bus |
16-bit ISA |
|
Topology |
Linear Bus, Star |
|
Wiring Type |
Unshielded twisted pair RG-58A/U 50ohm coaxial |
|
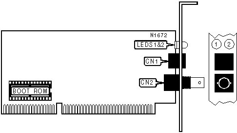
Boot ROM |
Available |
|
CONNECTIONS | |||
|
Function |
Label |
Function |
Label |
|
Unshielded twisted pair port |
CN1 |
RG-58A/U 50ohm coaxial port |
CN2 |
|
DIAGNOSTIC LED(S) | ||
|
LED |
Status |
Condition |
|
LED1 |
On |
10Base-T network connection is good |
|
LED1 |
Off |
10Base-T network connection is broken |
|
LED2 |
Blinking |
Data is being transmitted/received |
|
LED2 |
Off |
Data is not being transmitted/received |