INTEL CORPORATION
ETHEREXPRESS PRO 10+ ISA
|
NIC Type |
Ethernet |
|
Network Transfer Rate |
10Mbps |
|
Data Bus |
16-bit ISA |
|
Topology |
Linear Bus, Star |
|
Wiring Type |
Unshielded twisted pair AUI transceiver via DB-15 port RG-58A/U 50ohm coaxial |
|
Boot ROM |
Available |
|
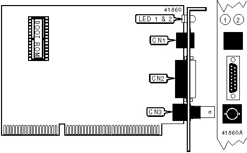
CONNECTIONS | |||
|
Function |
Label |
Function |
Label |
|
Unshielded twisted pair |
CN1 |
RG-58A/U 50ohm coaxial |
CN3 |
|
AUI transceiver via DB-15 port |
CN2 | ||
|
DIAGNOSTIC LED(S) | |||
|
LED |
Color |
Status |
Condition |
|
LED 1 |
Green |
Off |
Data is not being transmitted or received |
|
LED 1 |
Green |
On |
Data is being transmitted or received |
|
LED 2 |
Yellow |
Off |
UTP link is broken |
|
LED 2 |
Yellow |
On |
UTP link is good |