LANTECH COMPUTER COMPANY

FASTLINK/FX (SC)

Card Type

Network Interface Card

NIC Type

Ethernet

Boot ROM

Available

Network Transfer Rate

100Mbps

Topology

Star

Wiring Type

Fiber optic cable

Data Bus

32-bit PCI

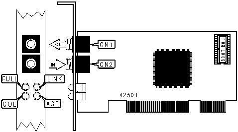
CONNECTIONS

Function

Label

Function

Label

Fiber optic connector (SC) - transmit

CN1

Fiber optic connector (SC) - receive

CN2

DIAGNOSTIC LED(S)

LED

Color

Status

Condition

LINK

Green

On

Network connection is good

LINK

Green

Off

Network connection is broken

FULL

Red

On

NIC operating in full-duplex mode

FULL

Red

Off

NIC not operating in full-duplex mode

ACT

Red

Blinking

Data is being transmitted/received

ACT

Red

Off

Data is not being transmitted/received

COL

Red

Blinking

A collision condition has occurred

COL

Red

Off

No collision has been detected