RPTI INTERNATIONAL LTD.

NV100R

Card Type

Network Interface Card

NIC Type

Ethernet

Maximum Onboard Memory

Unidentified

Boot ROM

Available

Network Transfer Rate

100Mbps/10Mbps

Topology

Star

Wiring Type

Unshielded twisted pair

Data Bus

32-bit PCI

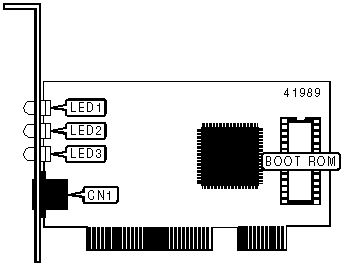
CONNECTIONS

Function

Label

UTP connector

CN1

DIAGNOSTIC LED(S)

Note: Function of LEDs is unidentified.