SYSTRAN CORPORATION
SCRAMNET+ VME6U
|
NIC Type |
Proprietary |
|
Chipset |
Systran Corporation |
|
Maximum Onboard Memory |
8MB DRAM |
|
I/O Options |
Bypass connector |
|
Network Transfer Rate |
150Mbps |
|
Data Bus |
VME double |
|
Topology |
Linear Bus/Ring |
|
Wire Type |
RG-58A/U 50ohm coaxial Fiber optic cable |
|
Boot ROM |
Not available |
|
CONNECTIONS | |||
|
Function |
Label |
Function |
Label |
|
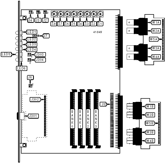
Header for cabinet connection |
J5 |
RG-58A/U 50ohm coaxial receive connector 1 |
W1A |
|
Auxiliary connector (see pinout below) |
J7 |
Fiber optic ST receive connector 1 |
W1B |
|
Bypass connector |
J301 |
RG-58A/U 50ohm coaxial receive connector 2 |
W2A |
|
Daughterboard header |
J302 |
Fiber optic ST receive connector 2 |
W2B |
|
CONNECTIONS (CON’T) | |||
|
Function |
Label |
Function |
Label |
|
RG-58A/U 50ohm coaxial transmit connector 1 |
W3A |
Fiber optic ST transmit connector 2 |
W4B |
|
Fiber optic ST transmit connector 1 |
W3B |
Header to main board J302 |
W5A |
|
RG-58A/U 50ohm coaxial transmit connector 2 |
W4A |
Header to main board J302 |
W5B |
|
J7 PINOUT | |||
|
Function |
Pin |
Function |
Pin |
|
Ground |
1 |
Trigger 1 signal |
3 |
|
Trigger 1 and Trigger 2 signal |
2 |
Trigger 2 signal |
4 |
|
USER CONFIGURABLE SETTINGS | |||
|
Setting |
Label |
Position | |
| » |
Card is not software compatible with ScramNET Classic cards |
J2 |
Pins 1 & 3 closed |
|
Card is software compatible with ScramNET Classic cards |
J2 |
Pins 2 & 4 closed | |
| » |
SIMM memory disabled, on-board memory enabled |
J3 |
Pins 1 & 3 closed |
|
SIMM memory enabled, on-board memory disabled |
J3 |
Pins 2 & 4 closed | |
| » |
Variable length packets disabled |
J4 |
Pins 1 & 3 closed |
|
Variable length packets enabled |
J4 |
Pins 2 & 4 closed | |
| » |
Chassis ground connected to signal ground |
J6 |
Pins 2 & 4 closed |
|
Chassis ground not connected to signal ground |
J6 |
Pins 1 & 3 closed | |
| » |
EEPROM write protect disabled |
J303 |
Pins 2 & 4 closed |
|
EEPROM write protect enabled |
J303 |
Pins 1 & 3 closed | |
| » |
EEPROM read protect disabled |
J304 |
Pins 2 & 4 closed |
|
EEPROM read protect enabled |
J304 |
Pins 1 & 3 closed | |
|
DRAM CONFIGURATION | ||||
|
Size |
Bank 0 |
Bank 1 |
Bank 2 |
Bank 3 |
|
128KB |
None |
None |
None |
None |
|
512KB |
(1) 512K x 9 |
None |
None |
None |
|
1MB |
(1) 512K x 9 |
(1) 512K x 9 |
None |
None |
|
2MB |
(1) 512K x 9 |
(1) 512K x 9 |
(1) 512K x 9 |
(1) 512K x 9 |
|
2MB |
(1) 2M x 9 |
None |
None |
None |
|
4MB |
(1) 2M x 9 |
(1) 2M x 9 |
None |
None |
|
8MB |
(1) 2M x 9 |
(1) 2M x 9 |
(1) 2M x 9 |
(1) 2M x 9 |
|
Note:The SIMMs are proprietary and must be ordered from Systran. | ||||
|
ADDRESSING RESOLUTION SELECTION | |||
|
Control/Status Registers |
Memory |
S8 | |
|
16 bits |
24 bits |
Position 6 | |
| » |
16 bits |
32 bits |
Position 7 |
|
24 bits |
24 bits |
Position A | |
|
24 bits |
32 bits |
Position B | |
|
32 bits |
24 bits |
Position E | |
|
32 bits |
32 bits |
Position F | |
|
CONTROL/STATUS REGISTER ADDRESS SELECTION |
|
A total of 134,217,728 address settings are available. Switches S1 through S7 set the hexadecimal memory address. SW1 is the Most Significant Nibble and switch SW7 is the Least Significant Nibble, though the bottom two bits of SW7 are always 0. The switches have the following decimal weight values: SW1=4,194,304, SW2=2,097,152, SW3=1,048,576, SW4=65,536, SW5=4,096, SW6=256, SW7=16. Set the switches, multiply the number on the switch by its weight value, add the values obtained for each switch, and round down to the nearest multiple of 64 to obtain the correct memory address. |
|
DIAGNOSTIC LED(S) | |||
|
LED |
Color |
Status |
Condition |
|
LED1 |
Green |
On |
Network connection is good |
|
LED1 |
Green |
Off |
Network connection is broken |
|
LED2 |
Green |
On |
Message is waiting in transmit FIFO |
|
LED2 |
Green |
Off |
Message is not waiting in transmit FIFO |
|
LED3 |
Green |
On |
Carrier signal is detected |
|
LED3 |
Green |
Off |
Carrier signal is not detected |
|
LED4 |
Yellow |
On |
Error condition detected |
|
LED4 |
Yellow |
Off |
Error condition not detected |
|
LED5 |
Green |
On |
Message received from this node |
|
LED5 |
Green |
Off |
Message not received from this node |
|
LED6 |
Green |
On |
Message received from another node |
|
LED6 |
Green |
Off |
Message not received from another node |