CREATIX POLYMEDIA

CIRRUS LOGIC 14.4/VOICE (REV.1)

Card Type

Modem (asynchronous)

Chip Set

Cirrus Logic

I/O Options

Voice

Maximum Data Rate

14.4Kbps

Maximum Fax Rate

14.4Kbps

Data Bus

8-bit ISA

Fax Class

Class I

Data Modulation Protocol

Bell 103A/212A

ITU-T V.21, V.22, V.22bis, V.32, V.32bis

Fax Modulation Protocol

ITU-T V.17, V.21CH2, V.27ter, V.29

Error Correction/Compression

MNP5, V.42, V.42bis

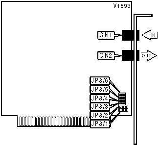
CONNECTIONS

Function

Label

Function

Label

Line in

CN1

Line out

CN2

SERIAL PORT ADDRESS

Setting

JP8/1

JP8/2

COM1 (3F8h)

Pins 1 & 2 closed

Pins 1 & 2 closed

COM2 (2F8h)

Pins 2 & 3 closed

Pins 1 & 2 closed

COM3 (3E8h)

Pins 1 & 2 closed

Pins 2 & 3 closed

í COM4 (2E8h)

Pins 2 & 3 closed

Pins 2 & 3 closed

INTERRUPT

Setting

JP8/3

JP8/4

JP8/5

JP8/6

2

Closed

Open

Open

Open

í 3

Open

Closed

Open

Open

4

Open

Open

Closed

Open

5

Open

Open

Open

Closed

Proprietary AT Command Set

ACCEPT RELIABLE MODE

Type:

Immediate

Format:

AT [cmds] \U [cmds]

Description:

Accepts remote modem’s request for a reliable mode connection

AUTO FALL FORWARD/FALLBACK

Type:

Configuration

Format:

AT [cmds] %Gn [cmds]

Description:

Selects auto fall forward/fallback

Command

Function

%G1

Auto fall forward/fallback disabled

í %G0

Auto fall forward/fallback enabled

AUTO-RELIABLE FALLBACK CHARACTER

Type:

Configuration

Format:

AT [cmds] %An [cmds]

Default:

Unidentified

Range:

0-127

Unit:

ASCII

Description:

Sets the character used as the auto-reliable fallback character. %A0 will disable this function.

AUTO-RELIABLE TIME BUFFER CONFIGURATION

Type:

Configuration

Format:

AT [cmds] \Cn [cmds]

Description:

Controls the handling of incoming data during auto-reliable time period

Command

Function

í \C0

Data is discarded

\C1

Data is buffered

\C2

Data is discarded, modem returns to normal mode on receiving auto-reliable fallback character.

AUTO-RETRAIN

Type:

Configuration

Format:

AT [cmds] %En [cmds]

Description:

Selects auto-retrain mode

Command

Function

%E0

Auto-retrain disabled

í %E1

Auto-retrain enabled

BIT MAPPED REGISTERS

Register

Default

S14

Unidentified

S16

Unidentified

S21

Unidentified

S22

Unidentified

S23

Unidentified

S27

Unidentified

BREAK SEND

Type:

Configuration

Format:

AT [cmds] \Bn [cmds]

Default:

3

Range:

0-9

Unit:

.1 second

Description:

Sends break to modem

BREAK TYPE

Type:

Configuration

Format:

AT [cmds] \Kn [cmds]

Default:

5

Range:

0-5

Unit:

Unidentified

Description:

Configures action of break signal

CALLING TONE

Type:

Configuration

Format:

AT [cmds] -Cn [cmds]

Description:

Controls whether the DTE will allow the modem to send a 1300Hz calling tone when originating

Command

Function

í -C0

Disable calling tone

-C1

Enable calling tone

COMPRESSION

Type:

Configuration

Format:

AT [cmds] %Cn [cmds]

Description:

Selects MNP5 data compression

Command

Function

%C0

Data compression disabled

í %C1

Data compression enabled

CONNECT MODE

Type:

Configuration

Format:

AT [cmds] \Nn [cmds]

Description:

Sets connect mode

Command

Function

\N0

Normal mode enabled

\N1

Direct mode enabled

\N2

MNP mode only enabled

í \N3

LAP-M/MNP/Normal automode enabled

\N4

LAP-M mode only enabled

EXTENDED RESULT CODES

Type:

Configuration

Format:

AT [cmds] \Vn [cmds]

Description:

Selects extended result codes

Command

Function

\V0

Extended result codes disabled

\V1

Reliable result codes enabled

í \V2

Error control and compression result codes enabled

FLOW CONTROL

Type:

Configuration

Format:

AT [cmds] \Gn [cmds]

Description:

Selects modem port flow control

Command

Function

í \G0

Flow control disabled

\G1

Flow control enabled

FLOW CONTROL TYPE

Type:

Configuration

Format:

AT [cmds] \Qn [cmds]

Description:

Sets type of flow control used by modem

Command

Function

\Q0

Flow control disabled

\Q1

XON/XOFF flow control enabled

\Q2

CTS flow control to DTE enabled

í \Q3

RTS/CTS flow control enabled

INACTIVITY TIMER

Type:

Configuration

Format:

AT [cmds] \Tn [cmds]

Default:

0

Range:

0-90

Unit:

1 minutes

Description:

Sets the length of time that the modem does not receive information before it disconnects

INACTIVITY TIMER

Type:

Register

Format:

AT [cmds] S90=n [cmds]

Default:

0

Range:

0-255

Unit:

1 second

Description:

Sets the length of time that the modem does not receive information before it disconnects. S90=0 will disable.

INITIATE RELIABLE MODE

Type:

Immediate

Format:

AT [cmds] \O [cmds]

Description:

During normal mode the modem initiates a reliable mode connection

LOCK SERIAL PORT

Type:

Configuration

Format:

AT [cmds] \Jn [cmds]

Description:

Sets operation of serial port speed

Command

Function

í \J0

Serial speed locked

\J1

Serial speed follows connect speed

MAXIMUM BLOCK SIZE FOR TRANSMISSION

Type:

Configuration

Format:

AT [cmds] \An [cmds]

Description:

Sets the maximum transmittable block size

Command

Function

\A0

MNP block size is 64 characters

\A1

MNP block size is 128 characters

\A2

MNP block size is 192 characters

í \A3

MNP block size is 256 characters

RETURN TO NORMAL MODE

Type:

Immediate

Format:

AT [cmds] \Z [cmds]

Description:

End reliable mode connection the modem switches to normal mode

SWITCH TO RELIABLE MODE

Type:

Immediate

Format:

AT [cmds] \Y [cmds]

Description:

During normal mode the modem switches to a reliable mode connection

V.42 DETECTION PHASE

Type:

Configuration

Format:

AT [cmds] -Jn [cmds]

Description:

Controls V.42 detection

Command

Function

-J0

V.42 detection disabled

í -J1

V.42 detection enabled

V.42bis COMPRESSION CONTROL

Type:

Configuration

Format:

AT [cmds] "Hn [cmds]

Description:

Controls V.42bis data compression

Command

Function

"H0

V.42bis disabled

"H1

V.42bis when transmitting enabled

"H2

V.42bis when receiving enabled

í "H3

V.42bis when transmitting/receiving enabled

V.42bis MAXIMUM STRING LENGTH

Type:

Immediate

Format:

AT [cmds] "Closed [cmds]

Default:

16

Range:

6-250

Unit:

1 Character

Description:

Selects string size for V.42bis compression

XON/XOFF PASS-THROUGH

Type:

Configuration

Format:

AT [cmds] \Xn [cmds]

Description:

Selects whether XON/XOFF signals are sent to remote modem

Command

Function

í \X0

XON/XOFF signals trapped by local modem

\X1

XON/XOFF passed through local modem