CREATIX POLYMEDIA
AT&T 28.8 (EXTERNAL)
|
Card Type |
Modem (synchronous/asynchronous) |
|
Chip Set |
AT&T |
|
I/O Options |
Voice |
|
Maximum Data Rate |
28.8Kbps |
|
Maximum Fax Rate |
14.4Kbps |
|
Data Bus |
External |
|
Fax Class |
Class I & II |
|
Data Modulation Protocol |
Bell 103A/212A ITU-T V.21, V.22, V.22bis, V.23, V.32, V.32bis, V.32terbo, V.34 |
|
Fax Modulation Protocol |
ITU-T V.17, V.21CH2, V.27ter, V.29 |
|
Error Correction/Compression |
MNP5, V.42, V.42bis |

|
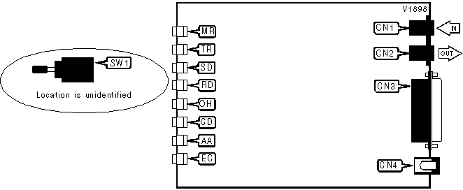
CONNECTIONS | ||||||
|
Function |
Label |
Function |
Label | |||
|
Line in |
CN1 |
DC power |
CN4 | |||
|
Line out |
CN2 |
Power switch |
SW1 | |||
|
RS-232/422 |
CN3 | |||||
|
DIAGNOSTIC LED(S) | |||
|
LED |
Color |
Status |
Condition |
|
MR |
Red |
On |
Power is on |
|
MR |
Red |
Off |
Power is off |
|
TR |
Red |
On |
DTR signal is high |
|
TR |
Red |
Off |
DTR signal is low |
|
SD |
Red |
On |
Modem is transmitting data |
|
SD |
Red |
Off |
Modem is not transmitting data |
|
RD |
Red |
On |
Modem is receiving data |
|
RD |
Red |
Off |
Modem is not receiving data |
|
OH |
Red |
On |
Modem is off-hook |
|
OH |
Red |
Off |
Modem is on-hook |
|
CD |
Red |
On |
Carrier signal detected |
|
CD |
Red |
Off |
Carrier signal not detected |
|
AA |
Red |
On |
Auto-answer enabled |
|
AA |
Red |
Off |
Auto-answer disabled |
|
EC |
Red |
On |
Error correction enabled |
|
EC |
Red |
Off |
Error correction disabled |
Proprietary AT Command Set
|
AUTO-RELIABLE FALLBACK CHARACTER | |
|
Type: |
Configuration |
|
Format: |
AT [cmds] %An [cmds] |
|
Default: |
0 |
|
Range: |
0-127 |
|
Unit: |
ASCII |
|
Description: |
Sets the character used as the auto-reliable fallback character. %A0 will disable this function. |
|
AUTO-RELIABLE FALLBACK CHARACTER | |
|
Type: |
Register |
|
Format: |
AT [cmds] S29=n [cmds] |
|
Default: |
0 |
|
Range: |
0-127 |
|
Unit: |
ASCII |
|
Description: |
Sets the character used as the auto-reliable fallback character. %A0 will disable this function. |
|
AUTO-RELIABLE TIME BUFFER CONFIGURATION | |
|
Type: |
Configuration |
|
Format: |
AT [cmds] \Cn [cmds] |
|
Description: |
Controls the handling of incoming data during auto-reliable time period |
|
Command |
Function |
|
í \CO |
Data is discarded |
|
\C1 |
Data is buffered |
|
\C2 |
Data is discarded, sets to normal mode and sends auto-reliable character to serial port. |
|
AUTO-RETRAIN - FALLBACK/FALLFORWARD | |
|
Type: |
Configuration |
|
Format: |
AT [cmds] %En [cmds] |
|
Description: |
Controls auto-retrain mode and fallback/fall forward |
|
Command |
Function |
|
%E0 |
Auto-retrain disabled |
|
%E1 |
Auto-retrain enabled |
|
í %E2 |
Fallback/fall forward enabled |
|
BIT MAPPED REGISTERS | |
|
Register |
Default |
|
S14 |
137 |
|
S15 |
83 |
|
S16 |
0 |
|
S17 |
75 |
|
S19 |
3 |
|
S20 |
0 |
|
S21 |
48 |
|
S22 |
246 |
|
S23 |
12 |
|
S24 |
72 |
|
S27 |
0 |
|
S28 |
16 |
|
BREAK SEND | |
|
Type: |
Configuration |
|
Format: |
AT [cmds] \Bn [cmds] |
|
Default: |
3 |
|
Range: |
0-9 |
|
Unit: |
.1 second |
|
Description: |
Sends break to modem |
|
BREAK TYPE | |
|
Type |
Configuration |
|
Format |
AT [cmds] \Kn [cmds] |
|
Default |
5 |
|
Range |
0-5 |
|
Description |
Configures action of break signal |
|
COMPRESSION | |
|
Type: |
Configuration |
|
Format: |
AT [cmds] %Cn [cmds] |
|
Description: |
Controls data compression |
|
Command |
Function |
|
%C0 |
Data compression disabled |
|
í %C1 |
Data compression enabled |
|
CONNECT MODE | |
|
Type: |
Configuration |
|
Format: |
AT [cmds] \Nn [cmds] |
|
Description: |
Sets connect mode |
|
Command |
Function |
|
\N0 |
Normal mode enabled |
|
\N1 |
Direct mode enabled |
|
\N2 |
MNP mode only enabled |
|
í \N3 |
LAP-M/MNP/Normal mode enabled |
|
\N4 |
LAP-M mode only enabled |
|
\N5 |
LAP-M/Normal mode enabled |
|
\N6 |
LAP-M/MNP mode enabled. |
|
\N7 |
MNP/Normal mode enabled |
|
CONNECTION SPEED UPPER LIMIT | |
|
Type: |
Immediate |
|
Format: |
AT [cmds] %Bn [cmds] |
|
Description: |
Selects the maximum DCE connection speed |
|
Command |
Function |
|
%B300 |
Select 300bps speed |
|
%B1200 |
Select 1200bps speed |
|
%B2400 |
Select 2400bps speed |
|
%B4800 |
Select 4800bps speed |
|
%B7200 |
Select 7200bps speed |
|
%B9600 |
Select 9600bps speed |
|
%B12000 |
Select 12Kbps speed |
|
%B14400 |
Select 14.4Kbps speed |
|
%B16800 |
Select 16.8Kbps speed |
|
%B19200 |
Select 19.2Kbps speed |
|
%B21600 |
Select 21.6Kbps speed |
|
%B24000 |
Select 24Kbps speed |
|
%B26400 |
Select 26.4Kbps speed |
|
%B28800 |
Select 28.8Kbps speed |
|
DTE BAUD RATE | ||
|
Type: |
Configuration | |
|
Format: |
AT [cmds] %Nn [cmds] | |
|
Description: |
Controls DTE baud rate | |
|
Command |
Function | |
|
í %N0 |
IBM PC | |
|
%N1 |
NEC PC98 set 1 | |
|
%N2 |
NEC PC98 set 2 | |
|
Note: For use with external models | ||
|
EXTENDED RESULT CODES | |
|
Type: |
Configuration |
|
Format: |
AT [cmds] \Vn [cmds] |
|
Description: |
Selects extended result codes |
|
Command |
Function |
|
\V0 |
Modem speed result codes enabled |
|
\V1 |
Modem speed and basic REL result codes enabled |
|
í \V2 |
All extended result codes enabled |
|
\V3 |
Computer speed result codes enabled |
|
FLOW CONTROL | |
|
Type: |
Configuration |
|
Format: |
AT [cmds] \Gn [cmds] |
|
Description: |
Selects modem port flow control |
|
Command |
Function |
|
í \G0 |
Flow control disabled |
|
\G1 |
Flow control enabled |
|
FLOW CONTROL TYPE | |
|
Type: |
Configuration |
|
Format: |
AT [cmds] \Qn [cmds] |
|
Description: |
Sets type of flow control used by modem |
|
Command |
Function |
|
\Q0 |
Flow control disabled |
|
\Q1 |
Bidirectional XON/XOFF flow control enabled |
|
\Q2 |
CTS flow control by DCE enabled |
|
í \Q3 |
CTS/RTS flow control enabled |
|
\Q4 |
Unidirectional XON/XOFF flow control enabled |
|
INACTIVITY TIMER | |
|
Type: |
Configuration |
|
Format: |
AT [cmds] \Tn [cmds] |
|
Default: |
0 |
|
Range: |
0-90 |
|
Unit: |
1 minute |
|
Description: |
Sets the length of time that the modem does not receive information before it disconnects |
|
LINE SIGNAL QUALITY | |
|
Type: |
Immediate |
|
Format: |
AT [cmds] %Q [cmds] |
|
Description: |
Displays line signal quality and receive level in dBm |
|
DUMB MODE | |
|
Type: |
Configuration |
|
Format: |
AT [cmds] %Dn [cmds] |
|
Description: |
Controls smart/dumb mode |
|
Command |
Function |
|
í %D0 |
Smart mode enabled |
|
%D1 |
Dumb mode enabled |
|
LOCK SERIAL PORT | |
|
Type: |
Configuration |
|
Format: |
AT [cmds] \Jn [cmds] |
|
Description: |
Sets operation of serial port speed |
|
Command |
Function |
|
í \J0 |
Serial speed locked |
|
\J1 |
Serial speed follows connect speed |
|
MAXIMUM BLOCK SIZE FOR TRANSMISSION | |
|
Type: |
Configuration |
|
Format: |
AT [cmds] \An [cmds] |
|
Description: |
Sets the maximum transmittable block size |
|
Command |
Function |
|
\A0 |
MNP block size is 64 characters |
|
\A1 |
MNP block size is 128 characters |
|
\A2 |
MNP block size is 192 characters |
|
í \A3 |
MNP block size is 256 characters |
|
MODULATION SELECTION | ||
|
Type: |
Configuration | |
|
Format: |
AT [cmds] \Mn [cmds] | |
|
Description: |
Controls V.34 and V.32terbo modulation selection | |
|
Command |
Function | |
|
í \M0 |
V.34 and V.32terbo enabled | |
|
\M1 |
V.32terbo disabled | |
|
\M2 |
V.34 disabled | |
|
SLEEP TIMER | |
|
Format |
AT [cmds] S13=n [cmds] |
|
Default: |
6 |
|
Range: |
0-255 |
|
Unit: |
1 second |
|
Description: |
Maximum duration of DTE and DCE inactivity allowed prior to initiating low-power sleep mode |
|
TRANSMIT ATTENUATION | |
|
Type: |
Register |
|
Format: |
AT [cmds] S91=n [cmds] |
|
Default: |
12 |
|
Range: |
0-15 |
|
Unit: |
-1dBm |
|
Description: |
Controls attenuation for transmit level |
|
XON/XOFF PASS-THROUGH | |
|
Type: |
Configuration |
|
Format: |
AT [cmds] \Xn [cmds] |
|
Description: |
Selects whether XON/XOFF signals are sent to remote modem |
|
Command |
Function |
|
í \X0 |
XON/XOFF signals trapped by local modem |
|
\X1 |
XON/XOFF passed through local modem |