ESCOM AG
ESFAXMODINT 14.4
|
Card Type |
Modem (asynchronous) |
|
Chip Set |
Rockwell |
|
Maximum Data Rate |
14.4Kbps |
|
Maximum Fax Rate |
14.4Kbps |
|
Data Bus |
8-bit ISA |
|
Fax Class |
Unidentified |
|
Data Modulation Protocol |
Unidentified |
|
Fax Modulation Protocol |
Unidentified |
|
Error Correction/Compression |
Unidentified |

|
CONNECTIONS | ||
|
Function |
Label | |
|
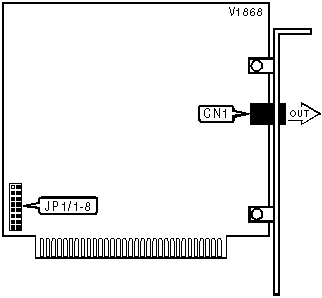
Line out |
CN1 | |
|
SERIAL PORT ADDRESS | ||||
|
Setting |
JP1/1 |
JP1/2 |
JP1/4 |
JP1/6 |
|
COM1 (3F8h) |
Open |
Closed |
Closed |
Open |
|
í COM2 (2F8h) |
Open |
Closed |
Open |
Closed |
|
COM3 (3E8h) |
Closed |
Open |
Closed |
Open |
|
COM4 (2E8h) |
Closed |
Open |
Open |
Closed |
|
INTERRUPT | ||||
|
Setting |
JP1/3 |
JP1/5 |
JP1/7 |
JP1/8 |
|
í 3 |
Open |
Closed |
Open |
Open |
|
4 |
Closed |
Open |
Open |
Open |
|
5 |
Open |
Open |
Closed |
Open |
|
7 |
Open |
Open |
Open |
Closed |