MOTOROLA, INC.

RM201C

Card Type

Modem (synchronous/asynchronous)

Chip Set

Unidentified

Maximum Data Rate

2400bps

Data Bus

External

Data Modulation Protocol

Unidentified

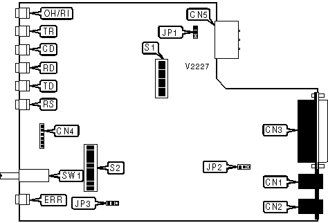
CONNECTIONS

Function

Label

Function

Label

Line out

CN1

Eye Pattern connector

CN4

Line in

CN2

AC power in

CN5

RS-232/422

CN3

Power/Error switch

SW1

USER CONFIGURABLE SETTINGS

Setting

Label

Position

Chassis ground connected to signal ground

JP1

Pins 2 & 3 closed

Chassis ground not connected to signal ground

JP1

Pins 1 & 2 closed

Transmit level set to -9 (permissive)

JP2

Pins 1 & 2 closed

Transmit level set to programmable

JP2

Pins 2 & 3 closed

Long haul equalization

JP3

Pins 1 & 2 closed

Short haul equalization

JP3

Pins 2 & 3 closed

Internal clock source

S1/3

Off

External clock source

S1/3

On

Factory configured - do not alter

S1/4

N/A

Factory configured - do not alter

S1/5

N/A

CD normal

S1/6

Off

CD forced high

S1/6

On

Factory configured - do not alter

S1/7

N/A

Factory configured - do not alter

S1/8

N/A

Squelch receiver for 8ms during carrier detection

S2/3

Off

Squelch receiver for 110ms during carrier detection

S2/3

On

Auto-answer enabled

S2/4

On

Auto-answer disabled

S2/4

Off

CD signal level set to -30dBm

S2/5

Off

CD signal level set to -45dBm

S2/5

On

Factory configured - do not alter

S2/6

N/A

Use Type A modulation

S2/7

On

Use Type B modulation

S2/7

Off

Factory configured - do not alter

S2/8

N/A

CTS ECHO SUPPRESION DELAY

Setting

S1/1

S1/2

0ms

On

Off

9ms

Off

On

25ms

Off

Off

150ms

On

On

DISCONNECT DETECTION TIME

Setting

S2/1

S2/2

í Disabled

Off

Off

50ms disconnect

On

Off

100ms disconnect

Off

On

200ms disconnect

On

On

ANSWER-BACK TONE ECHO SUPPRESION

Setting

S2/9

S2/10

í Disabled

Off

Off

1000ms

On

Off

200ms

Off

On

400ms

On

On

DIAGNOSTIC LED(S)

LED

Color

Status

Condition

OH/RI

Red

On

Modem is off-hook

OH/RI

Red

Off

Modem is on-hook

OH/RI

Red

Blinking

Phone is ringing

TR

Red

On

DTR signal is high

TR

Red

Off

DTR signal is low

CD

Red

On

Carrier signal has been detected

CD

Red

Off

Carrier signal has not been detected

RD

Red

On

Modem is receiving data

RD

Red

Off

Modem is not receiving data

TD

Red

On

Modem is transmitting data

TD

Red

Off

Modem is not transmitting data

RS

Red

On

RTS signal is high

RS

Red

Off

RTS signal is low