MULTI-TECH SYSTEMS, INC.
MT1432MF, MT1432MG, MT1432MK, MT1432MU, MT1432MUI
|
Card Type |
Modem (asynchronous) |
|
Chipset |
Multi-Tech Systems, Inc. |
|
Maximum Data Rate |
14.4Kbps |
|
Maximum Fax Rate |
14.4Kbps |
|
Data Modulation |
Bell 103A, 113, 212A ITU-T V.21 (MT1432MUI only), V.22, V.22bis, V.23, V.32, V.32bis |
|
Fax Modulation |
ITU-T V.17, V.21CH2, V.27ter, V.29 |
|
Error Correction/Compression |
MNP5, V.42, V.42bis |
|
Fax Class |
Class II |
|
Data Bus |
Serial |

|
CONNECTIONS | |||
|
Function |
Label |
Function |
Label |
|
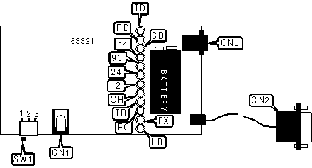
9V DC power in |
CN1 |
Telephone line out |
CN3 |
|
Serial port |
CN2 | ||
|
POWER MODE | |
|
Setting |
SW1 |
|
Standby, wait for incoming call |
Position 1 |
|
Off |
Position 2 |
|
On |
Position 3 |
|
DIAGNOSTIC LED(S) | |||||||
|
LED |
Color |
Status |
Condition | ||||
|
TD |
Red |
On |
Modem is transmitting data | ||||
|
TD |
Red |
Off |
Modem is not transmitting data | ||||
|
RD |
Red |
On |
Modem is receiving data | ||||
|
RD |
Red |
Off |
Modem is not receiving data | ||||
|
CD |
Red |
On |
Carrier signal detected | ||||
|
CD |
Red |
Off |
Carrier signal not detected | ||||
|
14 Status |
Color |
96 Status |
Color |
Condition | |||
|
On |
Red |
On |
Red |
Modem connected at 12Kbps in V.32bis | |||
|
Off |
Red |
On |
Red |
Modem connected at 9600bps | |||
|
On |
Red |
Off |
Red |
Modem connected at 14.4Kbps | |||
|
Off |
Red |
Off |
Red |
Modem connected at slower than 9600bps | |||
|
DIAGNOSTIC LED(S) (CON'T) | |||
|
LED |
Color |
Status |
Condition |
|
24 |
Red |
On |
Modem connected at 2400bps |
|
24 |
Red |
Off |
Modem not connected at 2400bps |
|
12 |
Red |
On |
Modem connected at 1200bps |
|
12 |
Red |
Off |
Modem not connected at 1200bps |
|
OH |
Red |
On |
Modem is off-hook |
|
OH |
Red |
Blinking |
Modem is dialing in pulse mode |
|
OH |
Red |
Off |
Modem is on-hook |
|
TR |
Red |
On |
DTR signal is high |
|
TR |
Red |
Off |
DTR signal is low |
|
EC |
Red |
On |
Error correction enabled |
|
EC |
Red |
Blinking |
Data compression enabled |
|
EC |
Red |
Off |
Error correction disabled |
|
FX |
Red |
On |
Modem is connected in FAX mode |
|
FX |
Red |
Off |
Modem is not connected in FAX mode |
|
LB |
Red |
On |
Battery is low (approx. 10 minutes left) |
|
LB |
Red |
Off |
Battery is good |
|
SUPPORTED STANDARD COMMANDS |
|
Basic AT Commands |
|
+++, A/ |
|
A, B, D, E, H, M, O, P, T, V, X, Y, Z |
|
&D, &G, &P, &T |
|
S-Registers |
|
S0, S1, S2, S3, S4, S5, S6, S7, S8, S9, S10, S11, S25, S30 |
Note: See MHI help file for complete information. |
Proprietary AT Command Set
|
AUTO-RELIABLE FALLBACK | |
|
Type: |
Configuration |
|
Format: |
AT [cmds] $Fn [cmds] |
|
Description: |
Selects whether error correction can be disabled by a <CR> while handshaking. |
|
Command |
Function |
|
$F0 |
Auto-reliable fallback disabled. |
|
í $F1 |
Auto-reliable fallback enabled. |
|
AUTO-RELIABLE TIME BUFFER CONFIGURATION | |
|
Type: |
Configuration |
|
Format: |
AT [cmds] $An [cmds] |
|
Description: |
Controls the handling of incoming data during the auto-reliable time period. |
|
Command |
Function |
|
í $A0 |
Data is discarded. |
|
$A1 |
Data is buffered. |
|
BREAK TIME | |
|
Type: |
Register |
|
Format: |
AT [cmds] S17=n [cmds] |
|
Default: |
25 |
|
Range: |
0 - 255 |
|
Unit: |
10 mS |
|
Description: |
Sets the length of the break signal that the modem will send. |
|
CALLING TONE | |
|
Type: |
Configuration |
|
Format: |
AT [cmds] $Tn [cmds] |
|
Description: |
Controls the transmission of the calling tone while dialing. |
|
Command |
Function |
|
$T0 |
Calling tone enabled. |
|
í $T1 |
Calling tone disabled. |
|
COMMAND SET | |
|
Type: |
Configuration |
|
Format: |
AT [cmds] &Qn [cmds] |
|
Description: |
Selects standard Hayes or custom command sets. |
|
Command |
Function |
|
í &Q0 |
Multi-Tech custom command set enabled. |
|
&Q1 |
Standard Hayes command set enabled. |
|
COMPRESSION | |
|
Type: |
Configuration |
|
Format: |
AT [cmds] &En [cmds] |
|
Description: |
Selects data compression. |
|
Command |
Function |
|
&E14 |
Data compression disabled. |
|
í &E15 |
Data compression enabled. |
|
COMPRESSION MODE | |
|
Type: |
Configuration |
|
Format: |
AT [cmds] #Ln [cmds] |
|
Description: |
Selects the active data compression protocols. |
|
Command |
Function |
|
í #L0 |
MNP and V.42 negotiation enabled. |
|
#L1 |
MNP negotiation enabled. |
|
#L2 |
V.42 negotiation enabled. |
|
#L3 |
V.42 enabled, no negotiation. |
|
CTS SIGNAL | |
|
Type: |
Configuration |
|
Format: |
AT [cmds] &Rn [cmds] |
|
Description: |
Controls the behaviour of the CTS signal. |
|
Command |
Function |
|
&R0 |
CTS normal. |
|
í &R1 |
CTS forced high. |
|
&R2 |
CTS forced high except for 1 second at disconnect. |
|
CTS, DCD, AND DSR DISCONNECT TIME | |
|
Type: |
Register |
|
Format: |
AT [cmds] S24=n [cmds] |
|
Default: |
20 |
|
Range: |
0 - 255 |
|
Unit: |
50 mS |
|
Description: |
Selects the amount of time that the CTS, DCD, and DSR signals will be forced low at disconnect if this option is selected by the &R, &C, and &S commands, respectively. See these commands for more information. |
|
CTS/RTS SIGNALS | |
|
Type: |
Configuration |
|
Format: |
AT [cmds] &RFn [cmds] |
|
Description: |
Selects whether the state of the CTS signal is dependent on the state of the RTS signal. |
|
Command |
Function |
|
&RF0 |
CTS follows RTS. |
|
í &RF1 |
CTS is independent of RTS. |
|
DATA FORMAT | |
|
Type: |
Configuration |
|
Format: |
AT [cmds] $EBn [cmds] |
|
Description: |
Selects the data format of the serial port. |
|
Command |
Function |
|
í $EB0 |
Sets 10-bit mode. |
|
$EB1 |
Sets 11-bit mode. |
|
DCD SIGNAL | |
|
Type: |
Configuration |
|
Format: |
AT [cmds] &Cn [cmds] |
|
Description: |
Configures the behavior of the carrier detect signal. |
|
Command |
Function |
|
&C0 |
CD forced high. |
|
í &C1 |
CD normal. |
|
&C2 |
CD forced high except during disconnect. |
|
&C4 |
Modem resets on low CD. |
|
DIAL STORED PHONE NUMBER | |
|
Type: |
Immediate |
|
Format: |
AT [cmds] Na [Nb, Nc...] |
|
Description: |
Dials stored phone number(s). If the first number is busy, the modem will proceed to the next number in the list. |
|
DISPLAY INFORMATION | |
|
Type: |
Immediate |
|
Format: |
AT [cmds] In [cmds] |
|
Description: |
Displays information requested about the modem. |
|
Command |
Function |
|
I0 |
Displays product identification code. |
|
I1 |
Displays firmware version. |
|
I2 |
Displays product name. |
|
DISPLAY CONFIGURATION | |
|
Type: |
Immediate |
|
Format: |
AT Ln |
|
Description: |
Displays the requested information about the modem's current configuration and command settings. |
|
Command |
Function |
|
L0 |
Displays stored phone numbers. |
|
L5 |
Displays all settings. |
|
L6 |
Displays the values of all S-registers. |
|
L7 |
Displays extended parameters. |
|
DSR SIGNAL | |
|
Type: |
Configuration |
|
Format: |
AT [cmds] &Sn [cmds] |
|
Description: |
Controls the behaviour of the DSR signal. |
|
Command |
Function |
|
&S0 |
DSR forced high. |
|
í &S1 |
DSR normal. |
|
&S2 |
DSR forced high except for 1 second at disconnect. |
|
DSR/DCD SIGNALS | |
|
Type: |
Configuration |
|
Format: |
AT [cmds] &SFn [cmds] |
|
Description: |
Selects whether the state of the DSR signal is dependent on the state of the DCD signal. |
|
Command |
Function |
|
í &SF0 |
DSR follows DCD. |
|
&SF1 |
DSR is independent of DCD. |
|
ESCAPE SEQUENCE BUFFER SIZE | |
|
Type: |
Register |
|
Format: |
AT [cmds] S34=n [cmds] |
|
Default: |
10 |
|
Range: |
0-60 |
|
Unit: |
1 byte |
|
Description: |
Sets the size of the buffer used to store the command line during an escape sequence. |
|
ESCAPE SEQUENCE - OUT OF BAND | |
|
Type: |
Immediate |
|
Format: |
<BREAK> AT [cmds]<CR> |
|
Description: |
Puts the modem in Command Mode. |
|
ESCAPE SEQUENCE TIMEOUT | |
|
Type: |
Register |
|
Format: |
AT [cmds] S32=n [cmds] |
|
Default: |
20 |
|
Range: |
0-255 |
|
Unit: |
1 second |
|
Description: |
Sets the maximum amount of time the modem will wait for a <CR> while executing an escape sequence. |
|
ESCAPE SEQUENCE TYPE | |
|
Type: |
Configuration |
|
Format: |
AT [cmds] %En [cmds] |
|
Description: |
Sets type of command escape sequence the modem will recognise. |
|
Command |
Function |
|
%E0 |
Command escape disabled. |
|
í %E1 |
TIES escape (+++AT...) |
|
%E2 |
<BREAK> AT method. |
|
%E3 |
Both TIES and BREAK methods. |
|
ESCAPE SEQUENCE RESPONSE | |
|
Type: |
Configuration |
|
Format: |
AT [cmds] %En [cmds] |
|
Description: |
Sets the response that the modem will give to an escape sequence. |
|
%E4 |
OK response to command escape disabled. |
|
í %E5 |
OK response to command escape enabled. |
|
FACTORY DEFAULTS | |
|
Type: |
Immediate/Configuration |
|
Format: |
AT [cmds] &Fn [cmds] |
|
Description: |
Loads factory defaults, or sets write protect on NVRAM. |
|
Command |
Function |
|
&F0 |
Reloads defaults by setting. |
|
í &F8 |
Sets &F to read factory defaults from ROM, and disables NVRAM write protect. |
|
&F9 |
Sets &F to read defaults from NVRAM, and enables write-protect. |
|
FALLBACK MODE | |
|
Type: |
Configuration |
|
Format: |
AT [cmds] #Fn [cmds] |
|
Description: |
Sets direction of fallback. |
|
Command |
Function |
|
#F0 |
Fallback disabled. |
|
#F1 |
Fallback from 14.4Kbps to 2400bps as line quality degrades. |
|
í #F2 |
Fallback from 2400bps to 14.4Kbps as line quality improves. |
|
FLOW CONTROL | |
|
Type: |
Configuration |
|
Format: |
AT [cmds] &En [cmds] |
|
Description: |
Selects flow control. |
|
Command |
Function |
|
&E12 |
Flow control disabled. |
|
í &E13 |
Flow control enabled. |
|
FLOW CONTROL - ENQ/ACK | |
|
Type: |
Configuration |
|
Format: |
AT [cmds] &En [cmds] |
|
Description: |
Selects Hewlett-Packard ENQ/ACK pacing. |
|
Command |
Function |
|
í &E8 |
Enables Hewlett-Packard ENQ/ACK pacing. |
|
&E9 |
Disables Hewlett-Packard ENQ/ACK pacing. |
|
FLOW CONTROL IN NORMAL MODE | |
|
Type: |
Configuration |
|
Format: |
AT [cmds] &En [cmds] |
|
Description: |
Selects whether the modem will use XON/XOFF flow control for non-error-correcting connections. |
|
Command |
Function |
|
í &E10 |
XON/XOFF disabled for non-error-correcting connections. |
|
&E11 |
XON/XOFF enabled for non-error-correcting connections. |
|
FLOW CONTROL TYPE | |
|
Type: |
Configuration |
|
Format: |
AT [cmds] &En [cmds] |
|
Description: |
Sets the type of flow control used by modem. |
|
Command |
Function |
|
&E3 |
Flow control disabled. |
|
í &E4 |
CTS/RTS flow control enabled. |
|
&E5 |
XON/XOFF flow control enabled. |
|
HANDSHAKE ATTEMPTS | |
|
Type: |
Configuration |
|
Format: |
AT [cmds] #An [cmds] |
|
Description: |
Configures which speeds the modem may attempt to connect at during the initial handshake phase. |
|
Command |
Function |
|
í #A0 |
Attempts in order: 14.4Kbps, 9600bps, 4800bps, 2400bps, 1200bps, 300bps. |
|
#A1 |
Attempts 14.4Kbps connection only. |
|
#A2 |
Attempts in order: 14.4Kbps, 9600bps, 4800bps. |
|
#A3 |
Attempts in order: 2400bps, 1200bps, 300bps. |
|
HELP SCREENS | |
|
Type: |
Immediate |
|
Format: |
AT $Hn |
|
Description: |
Shows modem help screens. |
|
Command |
Function |
|
$H1 |
Shows help screen 1. |
|
$H2 |
Shows help screen 2. |
|
$H3 |
Shows help screen 3. |
|
LOCAL SERIAL PORT SPEED | |
|
Type: |
Configuration |
|
Format: |
AT [cmds] $SBnnn [cmds] |
|
Description: |
Sets serial port speed. |
|
Command |
Function |
|
$SB300 |
Sets 300bps speed. |
|
$SB1200 |
Sets 1200bps speed. |
|
$SB2400 |
Sets 2400bps speed. |
|
$SB4800 |
Sets 4800bps speed. |
|
$SB9600 |
Sets 9600bps speed. |
|
$SB19200 |
Sets 19.2Kbps speed. |
|
$SB38400 |
Sets 38.4Kbps speed. |
|
í $SB57600 |
Sets 57.6Kbps speed. |
|
LOCK SERIAL PORT | |
|
Type: |
Configuration |
|
Format: |
AT [cmds] $BAn [cmds] |
|
Description: |
Sets operation of serial port speed. |
|
Command |
Function |
|
í $BA0 |
Serial speed locked at rate set by $SB. |
|
$BA1 |
Serial speed follows connect speed, ignoring $SB. |
|
LINE SPEED | |
|
Type: |
Configuration |
|
Format: |
AT $MBnnn |
|
Description: |
Sets the maximum allowable data exchange rate attempted during the handshaking process. |
|
Command |
Function |
|
$MB75 |
Sets V.23 1200/75bps maximum connect speed. |
|
$MB300 |
Sets 300bps maximum connect speed. |
|
$MB1200 |
Sets 1200bps maximum connect speed. |
|
$MB2400 |
Sets 2400bps maximum connect speed. |
|
$MB4800 |
Sets 4800bps maximum connect speed. |
|
$MB9600 |
Sets 9600bps maximum connect speed. |
|
í $MB14400 |
Sets 14.4Kbps maximum connect speed. |
|
LOGIN PASSWORD | |
|
Type: |
Configuration |
|
Format: |
AT [cmds] #Ixxxx |
|
Description: |
Sets the login password to xxxx. The password must be between 6 and 10 characters, case sensitive. It defaults to MULTI-TECH. |
|
MAXIMUM BLOCK SIZE FOR TRANSMISSION | |
|
Type: |
Configuration |
|
Format: |
AT [cmds] &BSn [cmds] |
|
Description: |
Sets the maximum transmittable block size for MNP mode. |
|
Command |
Function |
|
&BS0 |
Maximum block size is 64 characters. |
|
í &BS1 |
Maximum block size is 256 characters. |
|
PARITY | |
|
Type: |
Configuration |
|
Format: |
AT [cmds] #Pn [cmds] |
|
Description: |
Sets the parity of the serial port. |
|
Command |
Function |
|
í #P0 |
No parity. |
|
#P1 |
Odd parity. |
|
#P2 |
Even parity. |
|
REDIAL | |
|
Type: |
Immediate |
|
Format: |
A: |
|
Description: |
Redials the last number dialed until it is no longer busy |
|
Note: |
Do not precede this command with AT or follow it with <CR> |
|
REMOTE CONFIGURATION CHARACTER | |
|
Type: |
Register |
|
Format: |
AT [cmds] S13=n [cmds] |
|
Default: |
37 |
|
Range: |
0 - 127 |
|
Unit: |
1 ASCII character |
|
Description: |
Defines the character that when received three times within the guard time set by S12, will notify the modem that a remote configuration session has been requested by the remote modem. |
|
RESULT CODES | |
|
Type: |
Configuration |
|
Format: |
AT [cmds] Qn [cmds] |
|
Description: |
Enables modem to send result codes to the DTE. |
|
Command |
Function |
|
í Q0 |
Result codes enabled. |
|
Q1 |
Result codes disabled. |
|
Q2 |
Result codes sent in originate mode only. |
|
RETRANSMIT FAIL ACTION | |
|
Type: |
Configuration |
|
Format: |
AT [cmds] $Rn [cmds] |
|
Description: |
Sets whether the modem gives up on a bad connection. |
|
Command |
Function |
|
í $R0 |
Hang up after 12 failed retransmissions. |
|
$R1 |
Do not hang up after 12 failed retransmissions. |
|
SETUP PASSWORD | |
|
Type: |
Configuration |
|
Format: |
AT [cmds] #Sxxxx |
|
Description: |
Sets the setup password to xxxx. The password must be between 6 and 10 characters, case sensitive. It defaults to MODEMSETUP. |
|
STORE ACTIVE PROFILE | |
|
Type: |
Configuration |
|
Format: |
AT [cmds] &Wn [cmds] |
|
Description: |
Writes the values for the active profile into the NVRAM. |
|
Command |
Function |
|
&W0 |
Write the active profile to stored profile 0 |
|
&W1 |
Does not write active profile; modem will read factory defaults on power-up or reset. |
|
TEST MODES | |
|
Type: |
Immediate |
|
Format: |
AT [cmds] Un |
|
Description: |
Puts the modem into the selected test mode. |
|
Command |
Function |
|
U0 |
Begin local analog loopback test in originate mode. |
|
U1 |
Begin local analog loopback test in answer mode. |
|
U2 |
Request remote digital loopback. |
|
U3 |
Begin local digital loopback. |
|
TRELLIS CODING | ||
|
Type: |
Configuration | |
|
Format: |
AT [cmds] #Tn [cmds] | |
|
Description: |
Selects whether the modem will use trellis coding. | |
|
Command |
Function | |
|
#T0 |
Trellis coding disabled. | |
|
í #T1 |
Trellis coding enabled. | |
|
UUCP SPOOFING | |
|
Type: |
Configuration |
|
Format: |
AT [cmds] $SPn [cmds] |
|
Description: |
Controls the UUCP spoofing function. |
|
Command |
Function |
|
í $SP0 |
Spoofing disabled. |
|
$SP1 |
Spoofing enabled. |
|
V.42 MODE | |
|
Type: |
Configuration |
|
Format: |
AT [cmds] &En [cmds] |
|
Description: |
Configures the operation of V.42 mode. |
|
Command |
Function |
|
&E0 |
Error correction disabled. |
|
í &E1 |
V.42 set to auto-reliable. |
|
&E2 |
V.42 set to reliable. |
|
V.42 WITH V.21 | |
|
Type: |
Configuration |
|
Format: |
AT [cmds] $En [cmds] |
|
Description: |
Selects whether the modem will use V.42 error correction at V.21 300bps connections. |
|
Command |
Function |
|
í $E0 |
V.42 disabled at 300bps. |
|
$E1 |
V.42 enabled at 300bps. |
|
XOFF MODE | |
|
Type: |
Configuration |
|
Format: |
AT [cmds] #Xn [cmds] |
|
Description: |
Selects how XOFF characters are sent. |
|
Command |
Function |
|
í #X0 |
Single XOFF character sent. |
|
#X1 |
Multiple XOFF characters sent until DTE responds. |
|
XON/XOFF PASS-THROUGH | |
|
Type: |
Configuration |
|
Format: |
AT [cmds] &En [cmds] |
|
Description: |
Selects whether XON/XOFF signals are sent to remote modem. |
|
Command |
Function |
|
í &E6 |
XON/XOFF signals trapped by local modem. |
|
&E7 |
XON/XOFF passed through local modem. |