PROMETHEUS

HOME OFFICE 144I

Card Type

Fax, Modem (asynchronous), Voice

Chip Set

Unidentified

I/O Options

Speakerphone, Voice-mail

Maximum Data Rate

14.4Kbps

Maximum Fax Rate

14.4Kbps

Data Bus

8-bit ISA

Fax Class

Class I & II

Data Modulation Protocol

Bell 103/212A

ITU-T V.21, V.22, V.22bis, V.23, V.32, V.32bis

Fax Modulation Protocol

ITU-T V.17, V.21CH2, V.27ter, V.29

Error Correction/Compression

MNP5, V.42, V.42bis

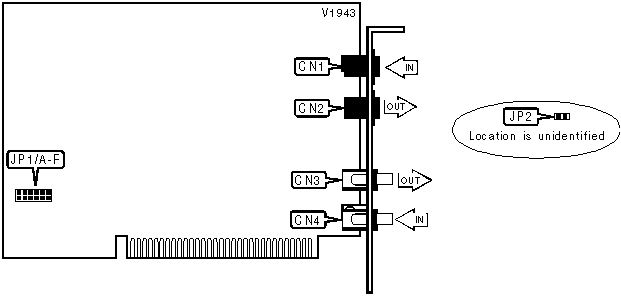
CONNECTIONS

Function

Label

Function

Label

Line in

CN1

Speaker out

CN3

Line out

CN2

Microphone in

CN4

USER CONFIGURABLE SETTINGS

Function

Label

Position

Speaker plug - normal

JP2

Closed

Speaker plug - monaural

JP2

Open

SERIAL PORT ADDRESS

Setting

JP1/A

JP1/B

COM1 (3F8h)

Open

Open

í COM2 (2F8h)

Closed

Open

COM3 (3E8h)

Open

Closed

COM4 (2E8h)

Closed

Closed

INTERRUPT

Setting

JP1/C

JP1/D

JP1/E

JP1/F

2

Closed

Open

Open

Open

í 3

Open

Closed

Open

Open

4

Open

Open

Closed

Open

5

Open

Open

Open

Closed

Proprietary AT Command Set

AUTO-RELIABLE FALLBACK CHARACTER

Type:

Configuration

Format:

AT [cmds] %An [cmds]

Default:

Unidentified

Range:

0-127

Unit:

ASCII

Description:

Sets the character used as the auto-reliable fallback character; %A0 will disable this function.

AUTO-RELIABLE TIME BUFFER CONFIGURATION

Type:

Configuration

Format:

AT [cmds] \Cn [cmds]

Description:

Controls the handling of incoming data during auto-reliable time period

Command

Function

í \C0

Data is discarded

\C1

Data is buffered

\C2

Data is discarded; modem returns to normal mode on receiving auto-reliable fallback character.

AUTO-RETRAIN

Type:

Configuration

Format:

AT [cmds] %En [cmds]

Description:

Controls auto-retrain mode

Command

Function

%E0

Auto-retrain disabled

í %E1

Auto-retrain enabled

BREAK TYPE

Type:

Configuration

Format:

AT [cmds] \Kn [cmds]

Default:

5

Range:

0-5

Description:

Configures action of break signal

COMPRESSION

Type:

Configuration

Format:

AT [cmds] %Cn [cmds]

Description:

Selects data compression

Command

Function

%C0

Data compression disabled

í %C1

MNP5 enabled

CONNECT MODE

Type:

Configuration

Format:

AT [cmds] \Nn [cmds]

Description:

Controls the type of connection the modem will operate in

Command

Function

\N0

Normal mode enabled

\N1

Direct mode enabled

\N2

MNP reliable mode enabled

\N3

Auto-reliable mode enabled

\N4

V.42 reliable mode enabled

\N5

V.42 auto-reliable mode enabled

í \N6

Reliable mode enabled

DICTIONARY SIZE

Type:

Configuration

Format:

AT [cmds] %Dn [cmds]

Description:

Select dictionary size

Command

Function

%D0

Select 1/2K dictionary

%D1

Select 1K dictionary

í %D2

Select 2K dictionary

FLOW CONTROL

Type:

Configuration

Format:

AT [cmds] \Gn [cmds]

Description:

Selects modem port flow control

Command

Function

í \G0

Flow control disabled

\G1

Flow control enabled

FLOW CONTROL TYPE

Type:

Configuration

Format:

AT [cmds] \Qn [cmds]

Description:

Sets type of flow control used by modem

Command

Function

\Q0

Flow control disabled

\Q1

Bidirectional XON/XOFF flow control enabled

\Q2

CTS flow control by DCE enabled

í \Q3

Bidirectional RTS/CTS flow control enabled

\Q4

Unidirectional XON/XOFF flow control by DCE enabled

INACTIVITY TIMER

Type:

Configuration

Format:

AT [cmds] \Tn [cmds]

Default:

0

Range:

0-90

Unit:

1 minute

Description:

Sets the length of time that the modem does not receive information before it disconnects. \T=0 will disable timer.

MNP RESULT CODES

Type:

Configuration

Format:

AT [cmds] \Vn [cmds]

Description:

Selects MNP result codes

Command

Function

í \V0

MNP result codes disabled

\V1

MNP result codes enabled

REPORT INFORMATION

Type:

Immediate

Format:

AT [cmds] In [cmds]

Description:

Displays information requested

Command

Function

I0

Reports 3 digit product code

I1

Reports ROM checksum

I2

Reports OK

I3

Reports firmware revision level

I4

Reports configuration settings

XON/XOFF PASS-THROUGH

Type:

Configuration

Format:

AT [cmds] \Xn [cmds]

Description:

Selects whether XON/XOFF signals are sent to remote modem

Command

Function

í \X0

XON/XOFF signals trapped by local modem

\X1

XON/XOFF passed through local modem