POWERCOM AMERICA, INC.

PM3314I (JUMPER VERSION)

Card Type

Modem (asynchronous/synchronous)

Chipset

Rockwell

Maximum Data Rate

33.6Kbps

Maximum Fax Rate

14.4Kbps

Data Modulation

Bell 103A/212A

ITU-T V.21, V.22, V.22bis, V.23, V.32, V.32bis, V.34

Rockwell V.FC

Fax Modulation

ITU-T V.17, V.21CH2, V.27ter, V.29

Error Correction/Compression

MNP5, V.42, V.42bis

Fax Class

Class I & II

Data Bus

8-bit ISA

Card Size

Full height, one-third length

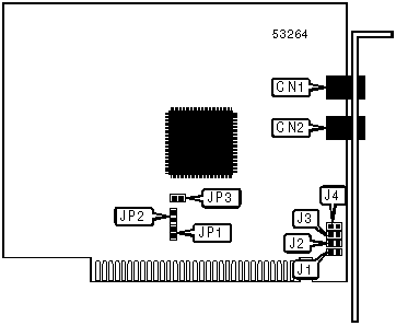
CONNECTIONS

Function

Label

Function

Label

Telephone line

CN1

Telephone line

CN2

BASE I/O ADDRESS SELECTION

Setting

J3

J4

3F8h (COM1:)

Closed

Closed

2F8h (COM2:)

Closed

Open

3E8h (COM3:)

Open

Closed

2E8h (COM4:)

Open

Open

INTERRUPT SELECTION

Setting

J1

J2

JP1

JP2

JP3

2

Open

Open

Open

Open

Closed

3

Closed

Open

Open

Open

Open

4

Open

Closed

Open

Open

Open

5

Open

Open

Open

Closed

Open

7

Open

Open

Closed

Open

Open

SUPPORTED STANDARD COMMANDS

Basic AT Commands

+++, ‘comma’, A/

A, B, E, H, L, M, N, O, P, Q, T, V, W, X, Y, Z

&C, &D, &F, &J, &K, &L, &M, &P, &Q, &T, &V, &W, &Y, &Z

Extended AT Commands

\A, \B, \G, \J, \L, \N, \O, \T, \U, \Z

%C, %E, %Q

Special AT Commands

+MS

S-Registers

S0, S1, S2, S3, S4, S5, S6, S7, S8, S9, S10, S11, S12, S14, S16, S18, S25, S26

S30, S36, S38, S39, S46, S48, S82, S86, S91, S95

Note: See MHI help file for complete information.

UNIDENTIFIED COMMANDS

Command

Default

S21

Unidentified

S22

Unidentified

S23

Unidentified

S27

Unidentified

S37

0

S40

57

S41

1

S49

8

S50

255

Proprietary AT Command Set

See POWERCOM AMERICA, INC. PM3314I (SWITCH VERSION) for a full command summary.