WISECOM, INC.
WS-2814IM4
|
Card Type |
Modem (asynchronous) |
|
Chipset |
AT & T |
|
Maximum Data Rate |
28.8Kbps |
|
Maximum Fax Rate |
14.4Kbps |
|
Data Bus |
8-bit ISA |
|
Fax Class |
Class I & II |
|
Data Modulation |
Bell 103A/212A ITU-T V.21, V.22, V.22bis, V.23, V.32, V.32bis, V.34 AT&T V.32terbo |
|
Fax Modulation |
ITU-T V.17, V.21CH2, V.27ter, V.29 |
|
Error Correction/Compression |
MNP5, V.42, V.42bis |

|
CONNECTIONS | |||
|
Function |
Label |
Function |
Label |
|
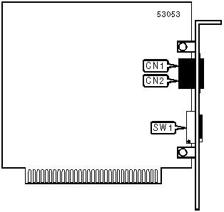
Line in |
CN1 |
Line out |
CN2 |
|
SERIAL PORT ADDRESS SELECTION | ||
|
Setting |
SW1/1 |
SW1/2 |
|
3F8h (COM1:) |
On |
On |
|
2F8h (COM2:) |
Off |
On |
|
3E8h (COM3:) |
On |
Off |
|
2E8h (COM4:) |
Off |
Off |
|
INTERRUPT SELECTION | ||||
|
Setting |
SW1/3 |
SW1/4 |
SW1/5 |
SW1/6 |
|
IRQ2 |
On |
Off |
Off |
Off |
|
IRQ3 |
Off |
On |
Off |
Off |
|
IRQ4 |
Off |
Off |
On |
Off |
|
IRQ5 |
Off |
Off |
Off |
On |
|
SUPPORTED STANDARD COMMANDS |
|
Basic AT Commands |
|
+++, ‘comma’, A/ |
|
A, E, H, L, M, N, O, P, Q, T, V, X, Y, Z |
|
&C, &D, &F, &G, &K, &L, &P, &S, &T, &V, &W, &Y, &Z |
|
Extended AT Commands |
|
\A, \B, \C, \G, \J, \K, \N, \Q, \T, \X |
|
%A, %B, %C, %D, %E, %N, %Q |
|
S-Registers |
|
S0, S1, S2, S3, S4, S5, S6, S7, S8, S9, S10, S11, S12, S14, S16, S18, S21, S22, S23, S25, S26 |
|
S27, S30, S91 |
Note: See MHI documentation for complete information. |
|
UNIDENTIFIED COMMANDS | |
|
Command |
Default |
|
S15 |
83 |
|
S17 |
75 |
|
S19 |
3 |
|
S20 |
0 |
|
S24 |
72 |
|
S28 |
16 |
Proprietary AT Command Set
|
DIAL | |
|
Type: |
Immediate |
|
Format: |
AT [cmds] D<#>;[cmds] |
|
Description: |
Dials the telephone number indicated according to any modifiers included in the string. |
|
Note: |
Any combination of modifiers can be used to produce the desired dial functions in sequence. |
|
Command |
Function |
|
DL |
Re-dial last number. |
|
DP |
Pulse dialing enabled. |
|
DR |
Answer mode enabled; originate mode disabled following handshake initiation. |
|
DS=n |
Dial stored telephone number n. |
|
DT |
Tone dialing enabled. |
|
DW |
Dialing resumed following dial tone detection. |
|
D, |
Dialing paused for amount of time specified in S8 register. |
|
D! |
Flash function initiated. Modem commanded to go off-hook for specified time before returning on-hook. |
|
D@ |
Wait for Quiet Answer function enabled. Modem waits until a "quiet answer," a ring-back signal followed by silence up to the time specified in S7, is received prior to executing the rest of the dial string. |
|
D^ |
Calling tone enabled for this call. |
|
D; |
Modem returned to idle state after dialing. The semicolon can only be placed at the end of the dial command. |
|
V.32terbo AND V.34 PROTOCOLS | |
|
Type: |
Configuration |
|
Format: |
AT [cmds] \Mn [cmds] |
|
Description: |
Selects whether the modem will use V.32terbo and V.34 modulation protocols. |
|
Command |
Protocol |
|
í \M0 |
V.32terbo and V.34 protocols enabled. |
|
\M1 |
V.32terbo protocol disabled. |
|
\M2 |
V.34 protocol disabled. |
See WISECOM, INC. WS-1414IM4 for a full command summary.