PARADISE SYSTEMS, INC.
AUTOSWITCH EGA 350
|
Card Type |
Video card |
|
Video Chip Set |
Unidentified |
|
Highest Resolution Supported |
720 x 348 |
|
Maximum Video Memory |
256KB RAM (Type unidentified) |
|
Data Bus |
8-bit ISA |
|
Video Types Supported |
EGA/CGA/MDA |
|
CONNECTIONS | |||
|
Function |
Label |
Function |
Label |
|
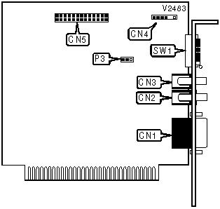
9-pin digital video port |
CN1 |
Light pen connector |
CN4 |
|
RCA connector |
CN2 |
Feature connector |
CN5 |
|
RCA connector |
CN3 | ||
|
USER CONFIGURABLE SETTINGS | |||
|
Function |
Label |
Position | |
| » |
Factory configured - do not alter |
P3 |
Pins 1 & 2 closed |
|
DISPLAY SELECTION (PRIMARY AS MONOCHROME) | ||||||
|
Setting |
SW1/1 |
SW1/2 |
SW1/3 |
SW1/4 |
SW1/5 |
SW1/6 |
|
40 column |
On |
Off |
Off |
On |
Off |
Off |
|
80 column |
Off |
Off |
Off |
On |
Off |
Off |
|
200 column |
On |
On |
On |
Off |
Off |
Off |
|
350 column |
Off |
On |
On |
Off |
Off |
Off |
|
DISPLAY SELECTION (SECONDARY AS MONOCHROME) | ||||||
|
Setting |
SW1/1 |
SW1/2 |
SW1/3 |
SW1/4 |
SW1/5 |
SW1/6 |
|
40 column |
On |
On |
On |
On |
Off |
Off |
|
80 column |
Off |
On |
On |
On |
Off |
Off |
|
200 column |
On |
Off |
On |
On |
Off |
Off |
|
350 column |
Off |
Off |
On |
On |
Off |
Off |
|
DISPLAY SELECTION (PRIMARY AS COLOR) | ||||||
|
Setting |
SW1/1 |
SW1/2 |
SW1/3 |
SW1/4 |
SW1/5 |
SW1/6 |
|
40 column |
On |
Off |
On |
Off |
Off |
Off |
|
80 column |
Off |
Off |
On |
Off |
Off |
Off |
|
DISPLAY SELECTION (SECONDARY AS COLOR) | ||||||
|
Setting |
SW1/1 |
SW1/2 |
SW1/3 |
SW1/4 |
SW1/5 |
SW1/6 |
|
40 column |
On |
On |
Off |
On |
Off |
Off |
|
80 column |
Off |
On |
Off |
On |
Off |
Off |