STONE MICROSYSTEMS (AUSTRALIA) LIMITED
AEON-MS PCI
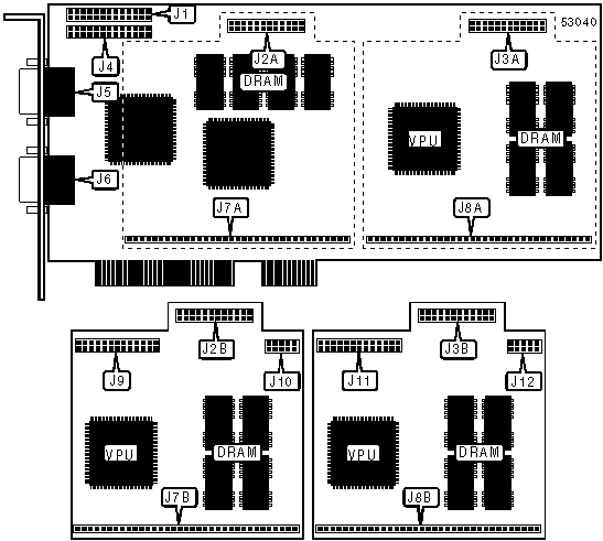
|
Card Type |
Video card |
|
Video Chipset |
S3 Trio 64V+ |
|
Maximum Video Memory |
8MB DRAM |
|
I/O Options |
VGA out (4) |
|
Data Bus |
32-bit PCI |
|
Video Types Supported |
XVGA |
|
Highest Resolution Supported |
1600 x 1200 |
|
CONNECTIONS | |||
|
Function |
Label |
Function |
Label |
|
Unidentified |
J1 |
Header to daughterboard J7B |
J7A |
|
Header to daughterboard J2B |
J2A |
Header to main board J7A |
J7B |
|
Header to main board J2A |
J2B |
Header to daughterboard J8B |
J8A |
|
Header to daughterboard J3B |
J3A |
Header to main board J8A |
J8B |
|
Header to main board J3A |
J3B |
Unidentified |
J9 |
|
Unidentified |
J4 |
Header to external 15-pin analog video port |
J10 |
|
15-pin analog video port |
J5 |
Unidentified |
J11 |
|
15-pin analog video port |
J6 |
Header to external 15-pin analog video port |
J12 |