UNIDENTIFIED
DA-2338
|
Category |
Video |
|
Video Types Supported |
CGA |
|
Video Processor |
Unidentified |
|
Highest Resolution Supported |
720 x 348 (Monochrome) |
|
Data Bus Type |
8-bit ISA |
|
Memory Type |
DRAM |
|
Maximum Onboard Memory |
Unidentified |
|
CONNECTIONS | |||
|
Purpose |
Location |
Purpose |
Location |
|
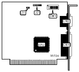
Parallel port |
CN1 |
Composite video connector - internal |
J1 |
|
15-pin analog video port |
CN2 |
Light pen connector |
J2 |
|
MONOCHROME VIDEO | ||||
|
Setting |
SW1/1 |
SW1/2 |
SW1/5 |
SW1/6 |
|
» Monochrome (Hercules) |
On |
On |
On |
On |
|
Monochrome (CGA) |
On |
On |
Off |
On |
|
Color (CGA) |
Off |
Off |
Off |
On |
|
DUAL DISPLAY MODE | ||||
|
Setting |
SW1/1 |
SW1/2 |
SW1/5 |
SW1/6 |
|
Dual display (Hercules) |
Off |
On |
On |
On |
|
Dual display (CGA) |
Off |
On |
Off |
On |
|
COMPOSITE VIDEO | ||||
|
Setting |
SW1/1 |
SW1/2 |
SW1/5 |
SW1/6 |
|
Color |
Off |
Off |
Off |
On |
|
Monochrome |
Off |
Off |
Off |
Off |
|
PARALLEL PORT | ||
|
Setting |
SW1/3 |
SW1/4 |
|
» LPT1 |
Off |
On |
|
LPT2 |
On |
On |
|
MGP |
On |
Off |
|
Disabled |
Off |
Off |