UNIDENTIFIED

MCGP-1

Category

Video

Video Types Supported

CGA

Video Processor

Unidentified

Highest Resolution Supported

640 x 200

Data Bus Type

8-bit ISA

Memory Type

DRAM

Maximum Onboard Memory

Unidentified

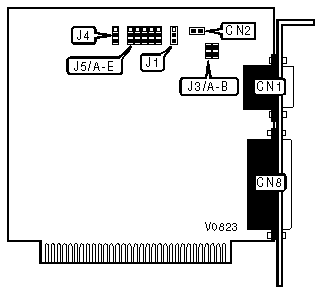
CONNECTIONS

Purpose

Location

Purpose

Location

9-pin digital video port

CN1

Parallel port

CN8

Composite video connector - internal

CN2

 

 

COMPOSITE DISPLAY MODES

Setting

J1

J5/jumper A

J5/jumper B

J5/jumper C

J5/jumper D

J5/jumper E

»

Color

1 & 2 closed

1 & 2 closed

1 & 2 closed

2 & 3 closed

2 & 3 closed

1 & 2 closed

»

Mono

2 & 3 closed

1 & 2 closed

1 & 2 closed

2 & 3 closed

1 & 2 closed

2 & 3 closed

CLOCK FREQUENCY - J3

Setting

Jumper A

Jumper B

»

For composite/RGB monitor

Closed

Open

»

For TTL monochrome monitor

Open

Closed

RGB/TTL DISPLAY MODES - J5

Setting

Jumper A

Jumper B

Jumper C

Jumper D

Jumper E

»

RGB color

1 & 2 closed

1 & 2 closed

1 & 2 closed

2 & 3 closed

1 & 2 closed

 

TTL monochrome

2 & 3 closed

1 & 2 closed

1 & 2 closed

1 & 2 closed

1 & 2 closed

PARALLEL PORT

Setting

J4

»

Enabled

Pins 1 & 2 closed

 

Disabled

Pins 2 & 3 closed