VIDEO SEVEN
V7 VEGA VGA (VER. 2)
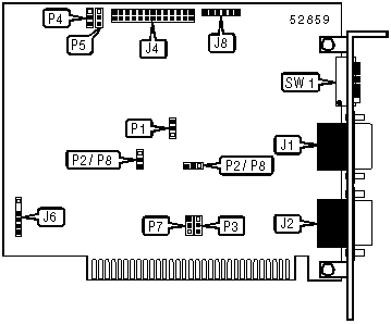
|
Card Type |
Video card |
|
Video Chipset |
Video Seven |
|
Maximum Video Memory |
512KB DRAM |
|
I/O Options |
EGA feature connector, light pen port, RF adapter port |
|
Data Bus |
8-bit ISA |
|
Video Types Supported |
XVGA |
|
Highest Resolution Supported |
800 x 600 |
|
CONNECTIONS | |||
|
Function |
Label |
Function |
Label |
|
15-pin analog VGA port |
J1 |
Light pen port |
J6 |
|
9-pin digital EGA port |
J2 |
RF adapter port |
J8 |
|
EGA feature connector |
J4 | ||
|
USER CONFIGURABLE SETTINGS | |||
|
Setting |
Label |
Position | |
| » |
EGA mode base I/O address set to 3D0h |
P1 |
Pins 1 & 2 closed |
|
EGA mode base I/O address set to 2D0h (reserved) |
P1 |
Pins 2 & 3 closed | |
| » |
Factory configured - do not alter |
P2 |
Pins 1 & 2 closed |
| » |
Card is not installed in XT slot 8 |
P3 |
Pins 2 & 3 closed |
|
Card is installed in XT slot 8 |
P3 |
Pins 1 & 2 closed | |
| » |
On-board oscillator enabled |
P4 |
Pins 2 & 3 closed |
|
Oscillator connected to feature adapter enabled |
P4 |
Pins 1 & 2 closed | |
| » |
Factory configured - do not alter |
P5 |
Pins 2 & 3 closed |
| » |
Factory configured - do not alter |
P8 |
Pins 2 & 3 closed |
| » |
Card is primary display |
SW1/4 |
Off |
|
Card is secondary display |
SW1/4 |
On | |
| » |
Card auto-detects software video mode |
SW1/5 |
On |
|
Card is in standard VGA mode |
SW1/5 |
Off | |
| » |
Card is in VGA mode on boot |
SW1/6 |
On |
|
Card is in CGA or monochrome mode on boot |
SW1/6 |
Off | |
|
Note:The two jumpers labeled P2/P8 indicate the locations of jumpers P2 and P8. Information of which jumper is in which location is unidentified. | |||
|
MONITOR TYPE SELECTION | ||||
|
Setting |
SW1/1 |
SW1/2 |
SW1/3 | |
| » |
Auto-detect monitor type |
Off |
Off |
Off |
|
Nanao 8060/9070, NEC MultiSync, Princeton UltraSync |
On |
Off |
Off | |
|
All Mitsubishi, Sony MultiScan, all Taxan, all Thomson |
Off |
On |
Off | |
|
NEC Multisync Plus and XL |
On |
On |
Off | |
|
IBM PS/2 Analog Display |
Off |
Off |
On | |
|
IBM Color Display |
On |
Off |
On | |
|
IBM Enhanced Color Display |
Off |
On |
On | |
|
IBM Monochrome Display |
On |
On |
On | |