8580 Axx
rf7080a.exe Model 8570/8580 Reference Disk ver 1.12 
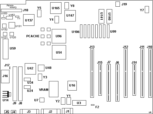
190-055  MODEL 80 (8580-A21, -A31)
Planar Memory
Power Supply
386DX-25, socket for 387DX-25, 64KB of L2 cache.
DMA support on parallel port

64F4355 (U141) and 64F4356 (U140) BIOS Images. Original chips TI TMS 27C512 -1JL


8580-Axx Planar FRU 85F0046


F2 1A
F3 1.5A
F4 2.0A
J1 Display connector 
J2 DB25 Serial connector 
J3 Parallel connector 
J4 Pointing-device connector 
J5 Keyboard connector 
J6,7 16-bit AVE slot
J8,9 Memory expansion connectors
J10,11,12,13 32-bit slot 
J14,15  16-bit slot
J16 Power-supply connector 
J17 Solder pads for two pin header
J18 Diskette-drive connector 
J19 Battery/speaker connector 
U3 INMOS IMSG171P-35
U7 23F3001
U14 LM340T5 7805 +P
U15,17,22,23,26,30-32 M5M4464AL-12
U16 90X8941 VGA
U24,34 Bus Interface Latches
U42 57X4111 MS700CD
U48 NS16550AFV
U54 82385-25
U59 P8042AH
U96 80386DX-25
U99-106 Mitsubishi M5M5178P-33
U120,121 N8259A-2
U131 NEC D72065L
U132 Motorola MC146818AFN
U137 72X8299 PIO
U140 67F4356 Bios Even 
U141 67F4355 Bios Odd
U147 90X8134 DMA
U152 Sanyo LC3664NML-12
U153 Motorola MC14069UB Hex Inverter
U165 Math-coprocessor connector
Y1 28.322 MHz osc
Y2 25.175 MHz osc
Y3 1.8432 MHz osc
Y4 50.0000 MHz osc
Y5 32.0000 MHz osc
Y6 32.8 kHz xtal
Y7 14.318 MHz osc
Y8 40.0000 MHz osc

  The  -Axx supports up to 8MB on the planar, using 4MB System Memory Boards.
 The Model 80 A21 and A31 parallel ports support Direct Memory Access (DMA) parallel communications.

Peter said:
   >The reason why IBM never put out CPU upgrades to the 8580 server was because they could not see their way clear to cooling any hotter CPU and planar adequately. T his was -mainly- the reason for the redesigned board in the 25MHz machines with the CPU no longer in the bottom most corner but in the middle. The CPU sits much closer to the PSU fan and gets "direct cooling".

8580 Memory Parity Errors ECA 051
 
M/T 8580 MODELS A21, A31 AND A16:  INTERMITTENT OS/2 TRAP ERRORS
 
    25MHz 8580 systems with 8MB of system board memory installed which are experiencing intermittent planar memory parity errors, such as OS/2 Trap 0002 or NMI errors on other complex operating systems.
 
PHYSICAL CHECK:  Examine the modules in position "U24" and "U34" located near J8 and J9, the system board memory sockets.  If the part number on the module is FCT841, the system board should be replaced using this ECA.
 
┌─── IMPORTANT PLEASE READ ──────────────────────────────────────────────┐
│ INFORMATION PRINTED ON THE SYSTEM BOARD NEAR THE MODULE SHOULD BE      │
│ IGNORED.  ONLY INFORMATION PRINTED ON THE MODULE SHOULD BE USED WHEN   │
│ MAKING THIS PHYSICAL CHECK.                                            │
└────────────────────────────────────────────────────────────────────────┘

 
Modules with any identification other than "FCT841" (such as F841, 841D, 72F841, 72F841D, etc.)  are good and the system board does not qualify for this ECA.
 
DETAIL:  Intermittent Trap 0002 errors may be experienced on 25MHz 8580 systems running OS/2 due to a timing condition on the system planar. Other complex operating systems may experience NMI or other errors depending upon the characteristics of the operating system.
 
NOTES:  This ECA only applies to the 25MHz 8580 models listed above which have the affected module numbers in position "U24" and "U34."  Other 8580 models are not affected and are not eligible for this ECA. 


9595 Main Page