|
@8089.ADF
- ATI GRAPHICS ULTRA MCA Video Acc. Ver 2.2, VGA
ENABLED Identifying the graphics
controller on an ATI product Broke 112-19201-106 Odd / 112-19201-106 Even Jumpers ATI GUP Alone Alone Under W95 Problems with ATI Mach32 Video Adapter on MCA Computer INSTALL menu Set Power-Up Configuration Custom Monitor Configuration Power-Up Video Mode- Memory Aperture Configuration Issues VGA Memory Size Only 640x480x256 Under Why9x GUP under Linux ASIC Revision ADF Sections Release
Notes for XFree86[tm] 3.3.3.1 ATI Graphics Ultra Pro
RAMDAC Older boards use an ATI 68875 CFN, newer ones use a TI TLC 34076-135FN. The TI chip responds as an ATI 68875 under the install program and other diagnostic applications BIOS
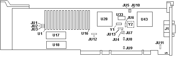
Jumpers JU5 ROM
Enable/Disable Jumper JU6 DAC Select Jumper
JU8
Compatability/Performance Jumper JU9 IRQ
Jumper JU10 VGA
Disable Jumper ATI18811-1 Clock Chip >I'm having problems getting X running on my new machine running linux. I have an ATI Ultra XLR 2MB Video card, and a Gateway 1572FS monitor. Robert Seward wrote: ATI 18811-1: The monitor times given for the Gateway 1572FS
did not work quite right for me - the video was not
centered. I modified it slightly, but I don't have
the numbers with me. ATI GUP Alone in a 95 Take this with a grain of salt. The Farmer City Madman did it without the nutroll. 12 Nov 2005 I have replicated the GUPification process. FIRST and MOST IMPORTANT - get the @8089.ADF from M32UTL.ZIP
or from Peter's site (above) extract all files
to a floppy. You now should have a lone GUP. Single Card Settings
Single GUP Under W95 :*** The GUP uses IO of 2E0-2E7. Non-configurable. How can I set the IO ranges used by the GUP? Addresses used under W95
Trivia Hi Jim, Do I read you right? You have an XGA-2 *AND* an ATI GUP in the same machine, but can't get anything better than 640x480? In that case, you're *not* using the GUP (which should be jumpered for 'VGA Disabled' if you have the XGA-2 installed, otherwise, *both* cards are responding to the VGA I/O and memory addressing!!? Very bad idea!). NOTE: the ATI card's POS Id. changes when you change the jumper from 'VGA Enabled' to 'VGA Disabled' and vice versa, so you will get a 165 error after changing the jumper . Which card is the monitor plugged into? Which slot is the ATI plugged into? (AVE slot required for VGA 'passthru' from XGA-2, if monitor plugged into ATI). Have you INSTALL-ed your monitor's scan rates into the ATI EEPROM? Once that has been done correctly, you can use 8514/A drivers if all else fails (ATI GUP is 8514/A register compatible). Not the fastest though. The pre-requisite list is fairly large. Plus, I'm not familiar with the 9517s spec.s/limitations.
ROM BIOS Address- If you are using extended memory managers such as QEMM, 386MAX or EMM386, be sure to use an EXCLUDE statement to protect the mach32 ROM Address space. (ex. X=C800-C9FF) Com4 Conflict- The GUP uses I/O port address from 2E0-2EF. This will conflict with systems using COM port 4. You must disable COM port 4 in order to use the GUP. Network Cards- Many NICs have a default I/O port base address of 2E8. This conflicts with the GUP. The NIC must be reconfigured, since the address of the GUP is not configurable. Memory Aperture- If your system is fully populated with system memory (My interpretation is the 640K conventional plus 384 upper), the memory aperture feature must be disabled. (So with the 90/95 machines, I think Memory Aperture disabled would be a good bet. Mine's disabled) What is this Terminator Plug?
Some personal experiences with
my GUP- INSTALL Menu You must run the ATI setup utility called INSTALL.EXE to initialize the GUP. This utility is DOS based, so you may have to boot with a DOS floppy with the utility on it. Set the card to VGA. Use the Windoze or OS/2 drivers to change the configuration later. The Main Selection Menu has six sub-menus. Set
Power-Up Configuration
Custom
Monitor Configuration
Power-Up
Video Mode- Memory
Aperture VGA
Memory Size
Mach32 Memory Aperture Configuration Issues ATI Tech Note #067 Introduction The following information describes common configuration issues which may arise when configuring the Memory Aperture feature of the GRAPHICS ULTRA PRO or GRAPHICS ULTRA+ video adapter. Description The main reason for a direct memory aperture feature is that it allows an application to write to the video display memory directly, bypassing the overhead of the standard "paging" system required by VGA and SVGA cards. The major benefits of a memory aperture are apparent when dealing with graphics which are not "vector-based", such as continuous tone bitmapped images. In an aperture-disabled configuration, these graphics, which cannot be easily translated into vector-based commands for the mach32 accelerator, must be passed through the standard "video memory window" in the A000-AFFF region, just above 640k. Since the standard VGA window is only 64k in size, moving a large image onto the screen can involve several operations. With a memory aperture available, a single operation can write the image from system RAM into video RAM. On EISA, 32-bit MCA and VLB architectures, there is an additional performance advantage as compared to ISA. These busses support 32-bit data transfers, and generally operate at higher speeds than the 16-bit ISA bus. Thus, while the main function of the mach32 chipset - offloading screen vector processing from the CPU - is unaffected by the hardware platform or the state of the memory aperture, the processing of bitmapped images will be more rapid on machines in which the memory aperture feature is available, and even faster on a 32-bit high speed bus. The "memory aperture" feature of our ISA mach32 products can only be enabled in systems having less than 12MB of RAM installed. This is due to the 16MB address limitation on the ISA bus. Our memory aperture can be enabled only within the addressable space on the bus. If this space is occupied by system RAM it is impossible to have the "aperture" share this area. There is a feature in the INSTALL program which checks to see how much memory is in the system. If 16MB are detected in an ISA system, INSTALL will display a warning. Unfortunately, some versions of INSTALL will display the warning message whether you've attempted to enable the "memory aperture" feature or not. If your "power up configuration" shows the memory aperture to be disabled, you can ignore any warning messages. If you have an ISA system with less than 12MB of RAM installed and the Memory Aperture feature will not enable, there is likely a problem either with the memory manager, or with the motherboard DIP switches or jumpers. Disable any memory management software (EMM386, QEMM, 386MAX, etc) and try again. If this doesn't help, check the CMOS setup to be sure that the correct amount of system RAM is being reported. Make sure that the system CMOS is not set to "cache" the memory area in which the mach32 memory aperture will be installed. Some CMOS setups allow you to define a "cachable memory size" option. Make sure that this is set to the actual amount of system RAM installed. Other setup routines will allow you to define a "non cachable block". If this is how your CMOS operates, be sure to define the memory aperture location as a "non cachable block". It may be necessary to adjust the motherboard DIP switches or jumpers to properly reflect the amount of system RAM installed. Check your motherboard manual for details. On an ISA system, the default aperture state is "disabled". The default positioning of the aperture, once enabled, is at the 10MB location. We have found that 12MB is more appropriate for systems in which a "non-cachable block" must be defined in the CMOS. The aperture size will be 4MB for a 2MB mach32, and 1MB for a 1MB mach32. INSTALL versions 2.1 and later will automatically place the memory aperture at an appropriate location if you choose to enable it. ATI mach32 products designed for other bus specifications (EISA, 32-bit MicroChannel, and VESA Local Bus) fall under the same sort of limitations as the ISA models, but the maximum memory address for the aperture is much higher (128MB), so the possibility of a conflict with installed system RAM is slight. The recommended memory aperture location for the EISA and VLB mach32 products is at the default 124MB setting. INSTALL version 2.1 or later will automatically place the aperture in this location if you elect to enable it. Very early versions of the mach32 Windows driver
would not operate if the memory aperture was
disabled. This problem has been resolved in more
recent versions of the driver. Ensure that you're
using a driver version of 2.0 or later to take
full advantage of the memory aperture feature. mach32 only gets 640@256 or 800@16 in WIN95 / 98 When a mach32 product is installed in Windows 95 or Windows 98, only the following modes are available: 640 x 480 at 16 colors or 256 colors 800 x 600 at 16 colors only This problem occurs because the mach32 board is configured for "factory defaults". The Microsoft-supplied driver for the mach32 reads information regarding mode support directly from the card. If it reads a "factory default" configuration, only the modes shown above are made available. The mach32 product must be configured to match the capabilities of the MONITOR attached, before WIN95 will allow full access to resolution and color depth combinations.. This is accomplished using the DOS-based INSTALL program which comes with the mach32 product (mach32 disk #1). The INSTALL program can also be downloaded from the ATI website or BBS. Look for M32UTL.ZIP. Instructions: GUP
under Linux I've never been able to get the ATi GUP to run using the Mach32 xserver, however here is the why and how of getting it to display using the generic SVGA xserver. Why: The ATi GUP is a Vesa compliant video card. It also has a firmware configuration utility available. I drive a fixed frequency IBM 6091-19 with mine. As the monitor only works at three specific frequencies, I used the DOS firmware configuration utility to program in my specific needs to the onboard eprom on the GUP. How: There are two ways to do this. Hope this sheds some light on the subject. ASIC Revision > I was unable to install NT with linear video memory access enabled. From Brad Parker "there is a timing problem in The Revision 3 MACH 32 CHIP ITSELF!! Its a hardware problem. No amount of messing with the software will fix it. check the revision of the Mach32 chip. if the rev number ends in 3 ie: 6880003 replace it with a revision 6 chip and all should be ok." (Ed. uh, it's not socketed, so how to easily swap in a new ASIC is beyond me) (Ed. OR
Control Panel>Display>Display
Properties>Display Type, look in the lower left hand
at Adapter Information, Chip Type, and it will say
Mach32 rev. x). AdapterId 8089 ATI GRAPHICS ULTRA MCA Video Accelerator (VGA ENABLED) 10/02/94 v2.2 FixedResources (IO)
Address of BIOS ROM A duplicate choice is required to
fix configuration problem on model 76 |