Audio tapes were primary program and data storage in
8-bit microcomputers. They were cheap, easy to get and offered small,
but enough amount of space. Unfortunately they were slow and quite
unreliable, so commercial software was recorded few times on the same
tape. Many computers, such as ZX Spectrum, Meritum or MSX used an
ordinary tape recorder, like the one used in audio recording. But some
computers used dedicated hardware with serial interface, for example
8-bit Atari computers or Commodore machines. Fortunately, most of these
computers were quite easy to modify, so normal decks could be used.
Another group of decks were normal ones, but with special circuits
making working with microcomputers easier. These included frequency
filters, self-setting of optimal volume or small speakers allowing to
find place on tape without waking up everyone in house. Nearly all
recorders had counter, which allows to fast rewind to known program
location (unfortunately their results sre usually different in different
units) and a hole near read/write head to tune head skew, if it was
needed.
As tapes were slow, some decks were re-made to load programs faster. In Commodore computers, Turbo-Tape modification required only a software program, but in Atari 8-bit computers it was needed to put some electronics in tape recorder and load software from cartridge. If there was no software, recorded tape became unreadable. If there was no hardware - the computer could not read program or hanged during loading every time.
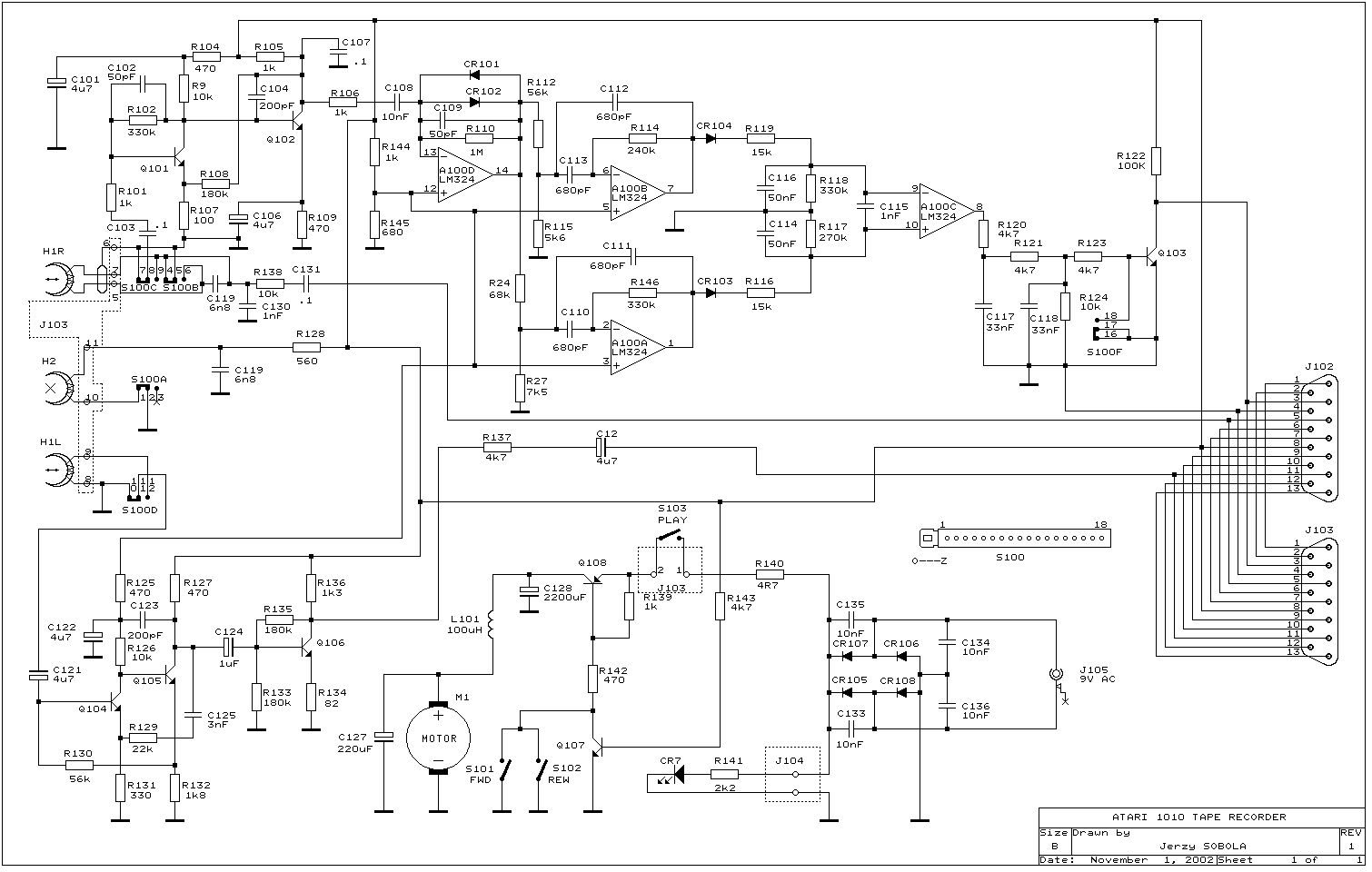
| Atari 1010 |
|
||||
| Manufactured by: Atari | |||||
| Manufactured for: Atari 800XL | |||||
| Conected to: Atari SIO (serial port) | |||||
|
Capabilities: - 600bps speed - Styled as Atari XL/XE series computers. - Dual track operation (sound from one track could be played in parallel for data from second track) - Simpler to use than 410
|
|||||
| Atari
1010 was a typical tape deck used with Atari 800XL computer.
It was successor of Atari 410 and was smaller (however it had
external power supply) and was easier to use.
An unique feature, available only in Atari players was dual track support. It means that it could put the sound from one track as data and from second track an audible sound from TV or monitor's speaker. There were 2 models of this unit - C and S. S model is known to be more reliable. |
|||||
|
Power Supply:
1-2 - 9V AC at 500mA DO NOT PLUG DC! It'll DESTROY Graetz rectifier diodes! |
|||||
|
Links: - http://www.atarimuseum.com/computers/8BITS/XL/xlperipherals/1010.html - in Atari Museum (spec sheet). |
|||||
| Atari CA-12 |
|
||||
| Manufactured by: California Access | |||||
| Manufactured for: Atari XE series (65XE/130XE) | |||||
| Connected to: Atari SIO (serial port) | |||||
|
Capabilities: - Smaller than 1010 - Styled for Atari XE line - Cheaper than XC12 - Less reliable than XC-12 - No need for external power supply |
|||||
| CA-12 is the same as XC-12, but is made entirely by California Access for Atari. They were cheaper and easier to get in Poland than original XC-12 ones. Unfortunately they're less reliable and their mechanism is not as precise as in XC. | |||||
|
|
|||||
|
One of Turbo variations used in Poland: Box: |
|||||
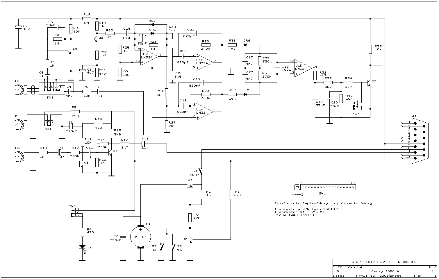
| Atari XC-12 |
|
||||
| Manufactured by: Atari | |||||
| Manufactured for: Atari XE series (65XE/130XE) | |||||
| Connected to: Atari SIO (serial port) | |||||
|
Capabilities: - Smaller than 1010 - Styled for Atari XE line - No need for external power supply. - More reliable
|
|||||
| This
is an original Atari tape recorder. These were made by Atari
during XE series launch, but soon Atari signed contract with
California Access to make these recorders. XC-12 is known as a
good and reliable recorder. In my unit there's Blizzard Turbo module installed. |
|||||
| Atari XCA-12 |
|
||||
| Manufactured by: California Access | |||||
| Manufactured for: Atari XE series (65XE/130XE) | |||||
| Connected to: Atari SIO (serial port) | |||||
|
Capabilities: - Smaller than 1010 - Styled for Atari XE line - Cheaper than XC12 - Less reliable than XC-12 - No need for external power supply.
|
|||||
|
Quite rare tape deck from the period of production transition
from Atari to California Access. It is assembled by California
Access, but built from parts remained in Atari. Unfortunately
many of these have counters not from Atari but from CA, making
counter readings incompatible with other decks. It had a better box, designed for marketing purposes, not only as a storage. No photos of inside, as my unit has original warranty seals. |
|||||
| TurboCorder Data recorder |
|
||||
| Manufactured by: TurboCorder | |||||
| Manufactured for: Commodore 64/128 | |||||
| Connected to: Commodore tape port | |||||
|
Capabilities: - 300 baud speed (more if turbo used) - Turbo tape without additional hardware - Styled for Commodore 64 in "breadbox" case - Powered from computer - Tape counter - Auto stop during Play/record. - Cheaper
|
|||||
| Another clone of Datassette, is nearly the same as original one. The only difference is in outside labels - no Commodore logo. It was easier to get and cheaper than original one. | |||||
|
|
|
||||
![]() |
|||||
| Datassette clone |
|
|||
| Manufactured by: ? | ||||
| Manufactured for: Commodore 64/128 | ||||
| Connected to: Commodore tape port | ||||
|
Capabilities: - 300 baud speed (more if turbo used) - Turbo tape without additional hardware - Styled for Commodore 64 in "breadbox" case - Powered from computer - Tape counter - Auto stop during Play/record. - Cheaper - Less reliable
|
||||
| This
is strange thing - it's a copy (without
Commodore logo, everything outside the case is the same), but
made using the same process than original one. The only
difference is precision - inside all parts are as in original
Datassette, but they're made cheap and coarsely. The record latch bug is
present. LED has dry solders... in both of my units. Both of my
units have problems with motor when using longer tapes. I think they were made from units which haven't passed quality check tests. |
||||
|
|
||||
|
|
||||
| Commodore 1531 |
|
|||
| Manufactured by: Commodore | ||||
| Manufactured for: Commodore 16 series | ||||
| Connected to: Commodore tape port | ||||
|
Capabilities: As normal Datassette |
||||
|
This unit is an original tape recorder made for Commodore 16 and
Plus4. Its case is black, corresponding to C16 case colour. Of
course there were many models of 1531, this one has Record LED
placed under tape deck, not on the right side. It has also a
white tape counter while some units had black. The electronics
is similar to other recorders from Datassette line. Commodore C16 line had different tape recorder connectors - instead of an edge connector, they used newer 7-pin mini-DIN connector. |
||||
| This recorder is equipped with such cable with mini DIN connector. However, although more modern, the edge connectors caused less problems than mini-DIN. | ||||
|
|
||||
| Commodore 16 series tape recorder |
|
|||
| Manufactured by: Commodore | ||||
| Manufactured for: Commodore 16 series | ||||
| Connected to: Commodore tape port | ||||
|
Capabilities: As normal Datassette
|
||||
| Thi unit is Datassette for C64 re-made by manufacturer to fit in C16. Why? In many countries there were some C16 units, but tape decks for them were rare, so Commodore decided to modify C64 datassettes collecting dust in warehouses. | ||||
|
|
||||
|
|
||||
| Noris Datenrekorder DR-1535 |
|
|||
| Manufactured by: Spectravideo | ||||
| Manufactured for: Commodore 64/128 | ||||
| Connected to: Commodore tape port | ||||
|
Capabilities: - 300 baud speed (more if turbo used) - Turbo tape without additional hardware - Styled for Commodore 64 in "breadbox" case - Powered from computer - Tape counter - Auto stop during Play/record. - Cheaper
|
||||
| One
of many Datassette clones. Number "1535" was probably added to
make buyer think it's something better than Commodore 1530. It's an ordinary clone, cheaper and quite reliable. |
||||
|
|
||||
| MK-450 |
|
|||
| Manufactured by: ZRK Unitra Lubartów (Poland) | ||||
| Manufactured for: ZX Spectrum, Elwro 800 Junior | ||||
| Connected to: Audio connectors | ||||
|
Capabilities: - Audio cassette playing with tone tuning - Switch to turn frequency filters on. - External motor switch. - Battery operation - Signal monitor LED - Tape counter. - Using two 3.5mm mono Jack sockets for sound I/O and one 2.5mm mono Jack for motor control. - External microphone connector. - Made in 3 color versions: Black, yellow and white (I have only black and yellow).
|
||||
|
Successor of normal audio recorder MK-250, MK-450 was a complete
computer storage device. Designed to be used with popular ZX
Spectrum, Meritum and Amstrad computers, MK-450 even had an
external motor switch. If you have this unit, don't use it much. The biggest problem of these units, both 250 and 450, was mechanism, especially 2 gears making right shaft spin. They were made from orange plastic, but I think you'll see them white. Why? This plastic oxidizes within a few years making these gears weak. Finally, longer playing makes these gears break their teeth. I haven't found any replacements of these. There are 2 known Polish data recorders: MK-450 and MK-433 (Grundig Licensed). Sometimes MK-232P was used, as it was close to 433. |
||||
| Unitra MK-433 |
|
||
| Manufactured by: Unitra Lubartów(Poland) | |||
| Manufactured for: ZX Spectrum, Elwro Junior, Meritum | |||
| Connected to: Audio connectors | |||
|
Capabilities: - Built-in microphone and speaker makes it able to work as full-featured mono tape deck, additional filters may be turned off using internal switch - Motor control (DIN pin 6?). - Sound I/O. - Battery, internal power supply. - Carrying handle.
|
|||
| This tape recorder was modified MK-232P, which gained popularity as tape recorder for microcomputers. MK-433 had some filters to improve signal quality. The biggest problem with it was its price, 2 times bigger than normal model, lack of counter and later problems with mechanical parts (well known oxidizxing plastic gears). It was used with ZX-Spectrum, to which it was designed, as well as with Elwro 800 Junior or Meritum. | |||