PS/2 Keyboard / Mouse adapter for Atari Mega ST

The first thing is that I'm not an Atari ST extensive user nor fan. I recently bought an Atari ST without keyboard or mouse, so I decided to connect a PS/2 keyboard and mouse to it (original keyboards became awfully expensive for some unknown reason). I quickly found an Eiffel interface, which is programmed very well, but the microcontroller used for it is hardly accessible now. So I decided to implement the simple part of protocol using Arduino C.

This solution is definitely not complete nor bug-free. More, I think that this implementation has some significant bugs I have not tested because lack of testing software, so I leave this on a GPL license. What I tested and works is:
- Keyboard - works.
- Mouse: Works in primary boot-up mode (Programmed relative)
- Joysticks - as above, work after power-up.

The Atari Mega ST Keyboard is connected to the computer using a serial port on TTL levels, running at 7812.5bps (in fact 7812bps are in tolerance). The microcontroller has a few functions:
- Communicates with computer using serial interface and ikbd (Intelligent Keyboard) protocol;
- Scans and controls matrix keyboard, emitting keycodes;
- Translates X/Y mouse position to "pulses" and converts it to relative or absolute coordinates, also in some mode to key presses;
- Monitor joystick ports for contact presses, then emits joystick command packages or, in some modes, arrow keys. Also it can go to mode in which it constantly monitors joystick port or fire button emitting only its state;
- Maintain a small Real time clock and calendar (non battery-backed);
- Maintain RAM R/W of microcontroller unit (not used too much);
As you can see, things are quite complicated. The protocol has a command set for setting modes, interrogating states and return sequences. I decided to implement the most significant parts of it using Arduino, as the C code allows to sketch ideas in quite short time.
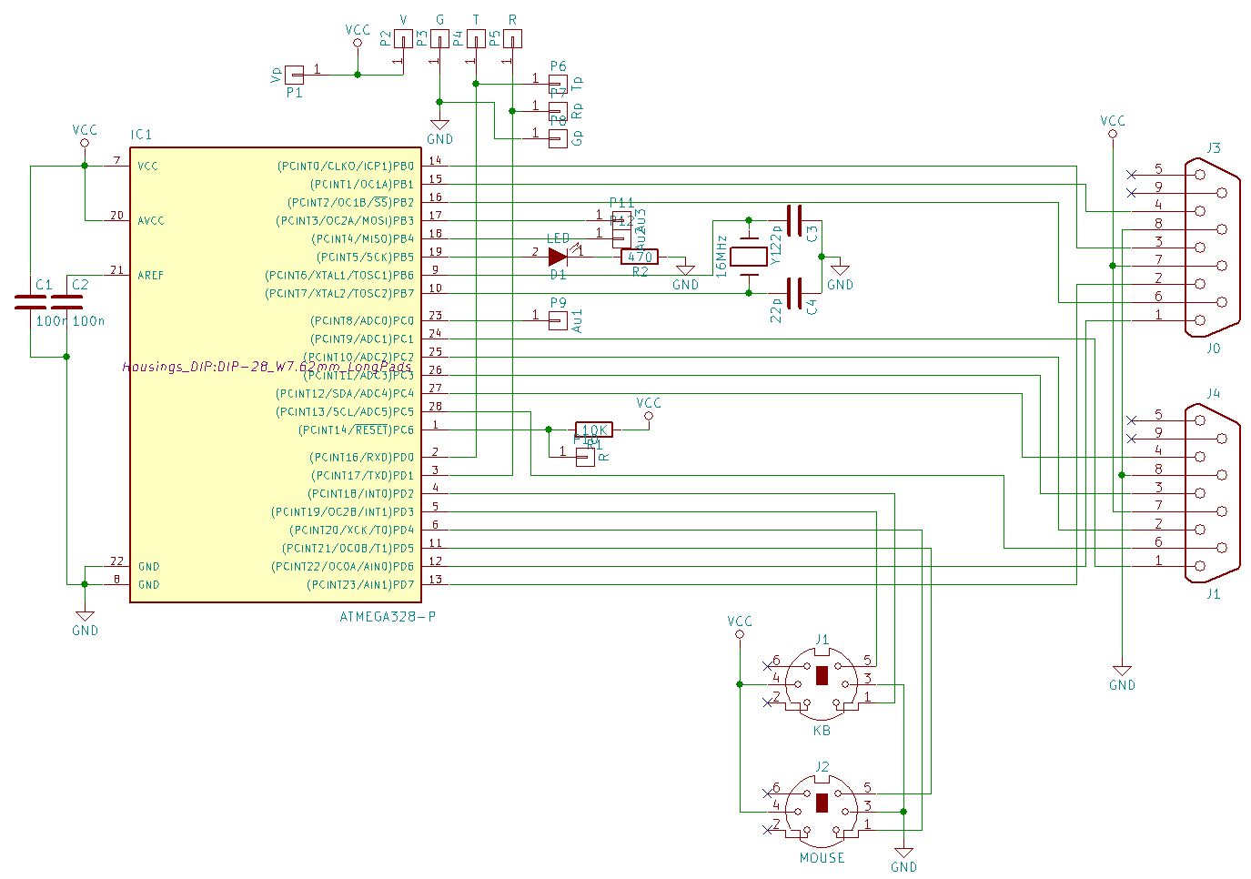
the code has been developed in about 2-3 hours, testing using Atari ST with TOS 1.x, and building a prototype on universal PCB took 2 times more :). The schematic is following (don't take it as 100% correct, better use pin description below):



Joystick connector is just a GPIO pins. Additional LED has quite limited usage here, it was used to debug purposes. The code is made the way that it needs both PS/2 mouse and keyboard to boot up. It has a Public domain PS2 library for mouse support on interrogation and PS2Keyboard library (GPL) to use keyboard at interrupt.

The pinout of the Atari keyboard connector is following (looking into socket):

   123456
  -vvvvvv-
 |        |
 |        |
  --|__|--

1,2 - +5V DC
3 - Tx
4 - Rx
5,6 - GND


Pinouts of PS/2 connectors and joystick connectors are following:

 
1 - DATA
3 - GND
4 - +5V
5 - CLK
  1 - Up
2 - Down
3 - Left
4 - Right
6 - Fire
7 - +5V
8 - GND



Joystick works by connecting a pin to GND, so input with built-in pull-up resistor in Arduino is totally sufficient.

The Rx/Tx lines to Atari have to be crossed. For typical PC keyboard and mouse, single wires for Vcc and GND are OK, but if something more will be connected (like joysticks with own logic, advanced keyboards, older mice) you should think about 2 wires as in original connector.

The pins assignment is following:

Ard. pin AVR pin Target Description
0 2 To Tx Atari pin Serial line
1 3 To Rx Atari pin Serial line
2 4 KB pin 1 Keyboard data
3 5 KB pin 5 Keyboard clock (MUST be interrupt pin!)
4 6 Mouse pin 5 Mouse clock
5 11 Mouse pin 1 Mouse data
6 12 J0 DB9 pin 1 Joy 0 up
7 13 J0 DB9 pin 2 Joy 0 down
8 14 J0 DB9 pin 4 Joy 0 Right
9 15 J0 DB9 pin 3 Joy 0 left
10 16 J0 DB9 pin 6 Joy 0 fire
11 17   ----free----
12 18   ----free----
13 19 Diagnostic LED Anode  
A0 23   ----free----
A1 24 J1 DB9 pin 1 Joy 1 up
A2 25 J1 DB9 pin 2 Joy 1 down
A3 26 J1 DB9 pin 4 Joy 1 right
A4 27 J1 DB9 pin 3 Joy 1 left
A5 28 J1 DB9 pin 6 Joy 1 fire

Download source code of project:

MegaPS2_20180427.7z

The code can be compiled by Arduino IDE. To modify keyboard map, use keymap.h file and mess there. Some codes, especially mutli-byte ones, are shifted by negative offset to fit everything in array under 256 bytes, there are comments in all lines in array what value is responsible for which key.

The prototype has been developed on Arduino Uno board with ATMega328 microcontroller, and code occupies about 10kB (I think it theoretically may be trimmed down to fit in ATMega8, but it requires some more thinking) leaving also some RAM free. It has been made as a device using universal PCB instead of etched one, and put into casing made of old LAN socket.



Sources for protocol:
https://archive.org/details/Intelligent_Keyboard_ikbd_Protocol_Feb_26_1985 - iKbd protocol specification
https://archive.org/details/Atari_ST_Internals_Abacus_2_3rd_edition_1986 - Atari ST Internals, has some nice description of iKbd protocol.

MCbx, 2018


Home
Back to home pagehacks
Back to hacks