Cartridges

To get program on a microcomputer, you could buy it on floppy, tape or cartridge. Cartridges had ROM chips, in which program was stored, so it was read-only. They were more raliable than disks and faster than tapes. Illegal copying from cartridge was possible, but it required better skills from cracker.
In many cases cartridges extended computers possibilities - in Commodore 64 cartridges with Turbo Tape were widely used to avoid long loading of Turbo Tape from normal cassette. In Atari, every Turbo standard required its cartridge program to load and save programs with modified tape recorder.


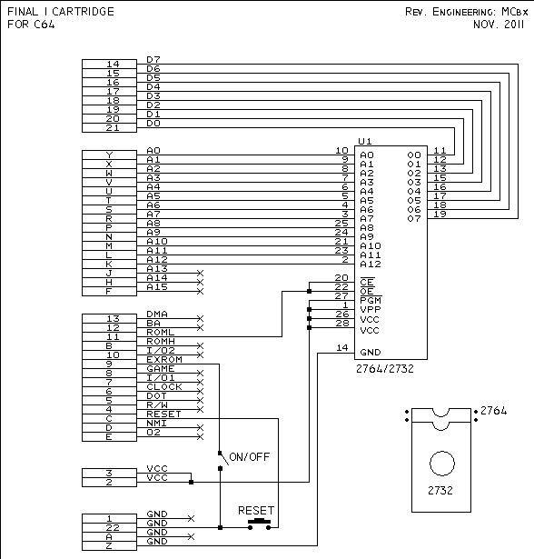
Final 1
Commodore 64
Commodore 128
Manufactured by: ??

Features:
 - Turbo tape (incompatible with most standards)
 - Tape tester
 - Color pattern genertor
The silent, high-frequency sound generated by color pattern generator (similar to one in TV testing picture) is definitely NOT from SID.
Description:
Very simple cartridge, using switch for /GAME selection. To make it boot, switch has to be moved to the right. So to run programs, switch must be toggled.

Definitely NOT the famous Final Cartridge

Schematic

ROM dump

Cover scan

 

           

 


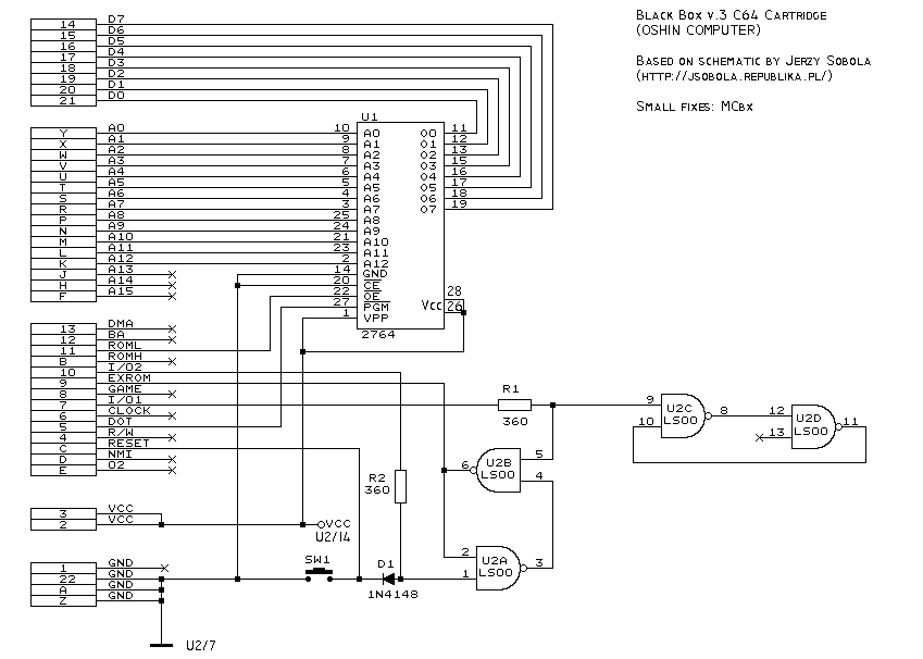
Black Box
Commodore 64
Commodore 128
Manufactured by: ??

Features:
 - Turbo tape
 - Tape head tuning
 - SID searching software
 - Mastermon monitor
 - Diagnostic system (testing RAM, keyboard, joystick video, SID, etc.)
 - Synthesizer 64 - simple music synthesizer with nearly all SID controls easy accessible from keyboard.

 

Description:
This is definitely NOT an original Black Box cartridge, as these were published from version 3.0. It has simple tools, looks like one of many fakes from early 90s.

It's name in ROM is Future Box, and Black Box is only printed on label.

Schematic

ROM dump

Cover scan

Here you can find manual (Polish).

         

 


Black Box 3
Commodore 64
Commodore 128
Manufactured by: Oshin computer

Features:
 - Turbo tape
 - Tape tester
 - 31 new BASIC commands, making work more efficient.
Description:
This is a copy of original Black Box v.3 cartridge. It has probably BBv3 ROM, or slightly modified to cover orignal author's info. Very popular one.

Schematic

ROM dump

Cover scan

  Here you can find manual (Polish)

         

 


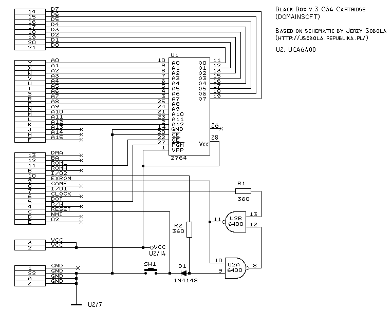
Black Box 3
Commodore 64
Commodore 128
Manufactured by: Domainsoft

Features:
 - Turbo tape
 - Tape tester
 - 31 new BASIC commands, making work more efficient.
Description:
Another Black Box 3 clone.

Schematic

ROM dump

Cover scan

Here you can find manual (Polish)

         

 


Bis Plus
Commodore 64
Commodore 128
Manufactured by: Micro LUC

Features:
 - Turbo tape (incompatible with most standards)
 - Tape tester
 - Extended BASIC commands
Description:
In early 90s, Micro Luc produced many cartridge clones, this is one of these cartridges.

Schematic

ROM dump

Cover scan

 

         

 


Cosmic Cruncher
Commodore VIC-20
Manufactured by: Commodore

Features:
 - Pacman-like game
Description:
There were many programs on cartridges for VIC-20, Commodore released them to make some software library to its new computer.

 

As you may try to read these cartridges to computer, remember that VIC-20 cartridges have different auto-start signature than C64 cartridges. In C64, its C3 C2 CD 38 30 starting at 04h (fifth byte, former 4 ones are auto-starting vectors), where in VIC-20 they're 41 30 C3 C2 CD - placed starting from fifth byte in cart.

Schematic

ROM dump

Cover scan

To run ROM in emulator, mount it in A000 and reset emu.