Z88 Service Manual V1.1

Copyright © 1989, 1999 by Cambridge Computer, Thierry Peycru under OpenContent License


Contents

  Release Notes
  Safety Measures
   
0. Introduction
1. System description
2. Disassembly / Assembly
3. System test
4. Fault diagnosis and repair
5. Parts list
6. Test equipment

Illustrations

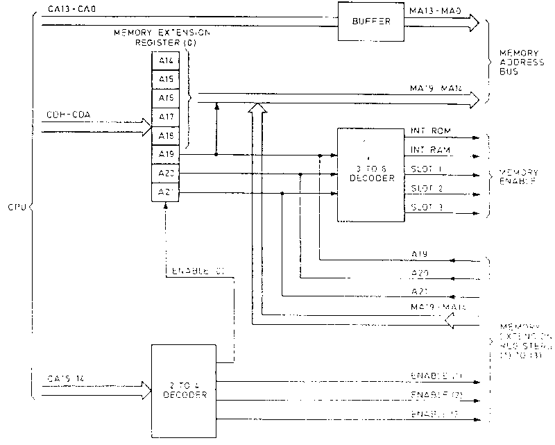
1.1 Memory addressing
1.2 LCD interface timing
1.3 Keyboard matrix interconnections
1.4 Z88 Block diagram - Part 1
1.5 Z88 Block diagram - Part 2
1.6 Z88 Circuit diagram
1.7 Memory card circuit diagram
3.1 Test fixture connections
4.1 JEDEC Modification Solder Side of Board
4.2 JEDEC Modification Component Side of Board
5.8 Printed Circuit Board (Issue 3) Component Layout
5.9 Printed Circuit Board (Issue 4) Component Layout
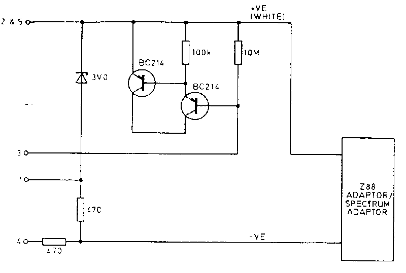
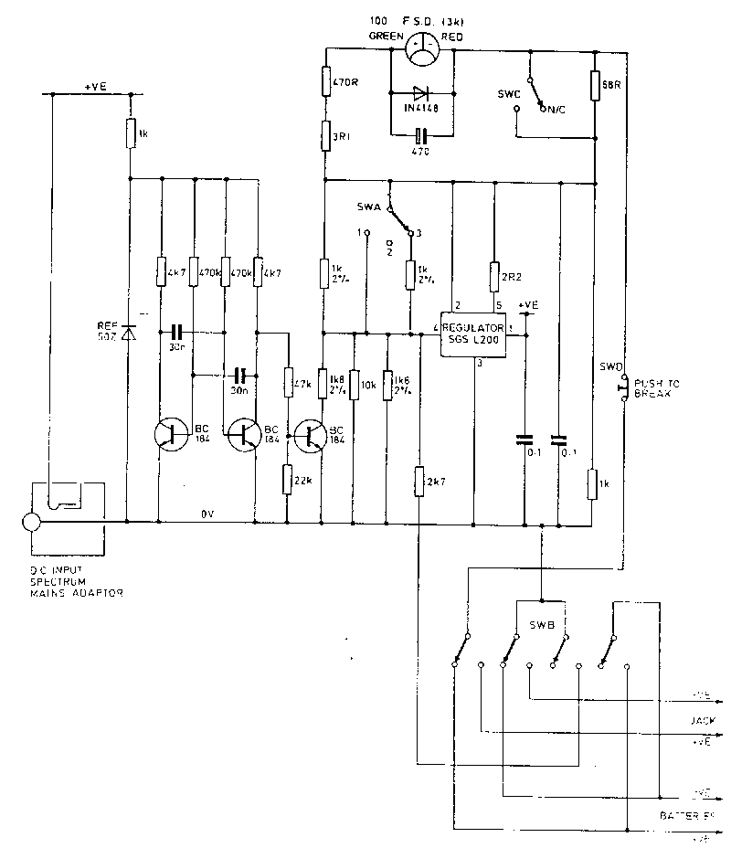
A.1 PSU for test fixture
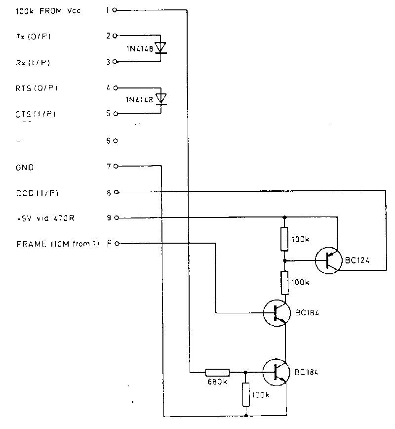
A.2 RS232 loopback test plug
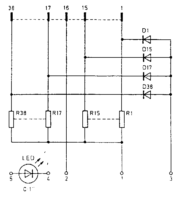
A.3 Card Tester Circuit for Slot Connectors and Bus Extension Connector
A.4 Slot tester test head circuit
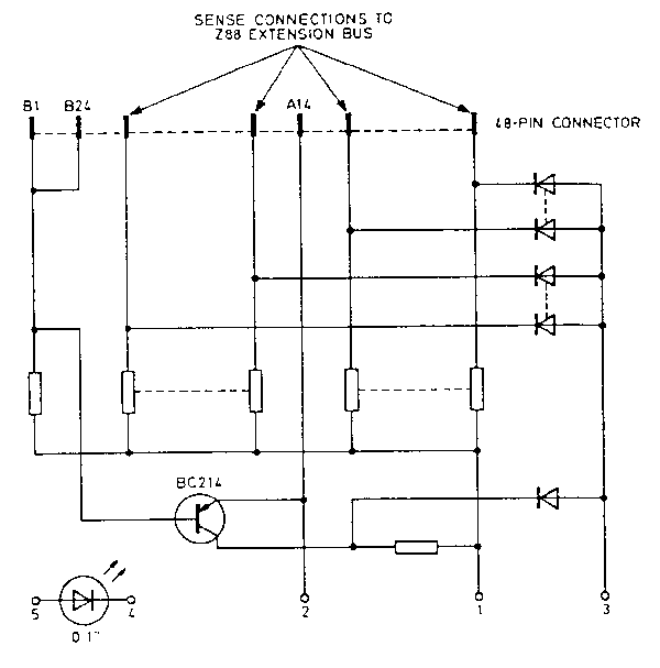
A.5 Bus Extension Tester Test Head Circuit Diagram